Description
CME15-3 A-S-A-E-AQQE CME is a compact horizontal multistage centrifugal pump, close-coupled with a: 3-phase, 440-480 V, 50 / 60 Hz Hz. Foot mounted E-motor. The CME motor includes frequency converter and PI-controller integrated in the motor terminal box. No additional motor protection is required as both motor and electronics are protected by integrated overload and temperature protection. The pump is with axial suction port and radial discharge port including a special designed mechanical shaft seal in the solution AQQE. Shaft, impellers, chambers and filling plugs are made of stainless steel. Suction and discharge are made of Cast iron. The CM can also operate as a CME by connecting the motor to a CUE. Please find more information in the CUE part of Win/WebCAPS. An external sensor can be connected if controlled pump operation is required for: flow
differential pressure
temperature controlSensor kits are available as accessories. The pump is equipped with a control panel that enables setting of: Required set-point
Min.
Max.
Stop. The control panel has indicator lights for "Operation" and "Fault". Communication with the pump is possible by means of Grundfos R100 remote control enabling further settings as well as reading out of a number of parameters such as : Actual value
Speed
Power input
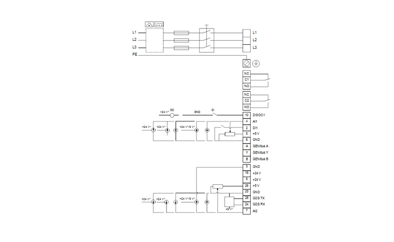
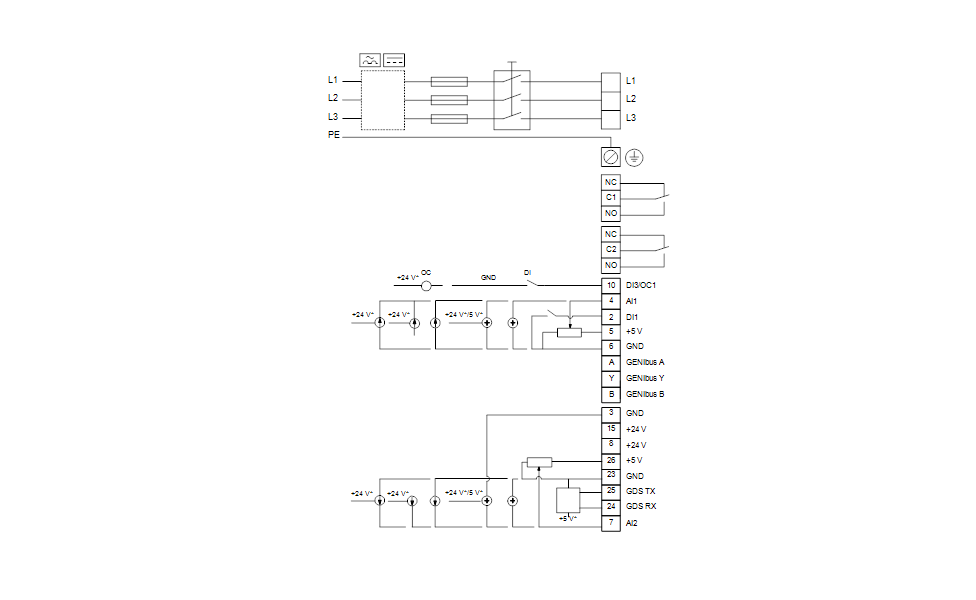
Power consumptionThe terminal box holds terminals for the connection of: External start/stop (potential-free contact)
External remote setpoint setting via analog signal, 0 - 10 V, 0(4) - 20 mA,
10 V voltage supply for setpoint potentiometer, Imax = 5 mA,
sensor, 0 - 10 V, 0(4) - 20 mA,
24 V voltage supply for sensor, Imax = 40 mA,
input for forced control to MIN, MAX, External fault or Flowswitch (potential-free contact)
potential-free fault signal relay with changeover contact,
RS485 GENIbus.
Motor Curves
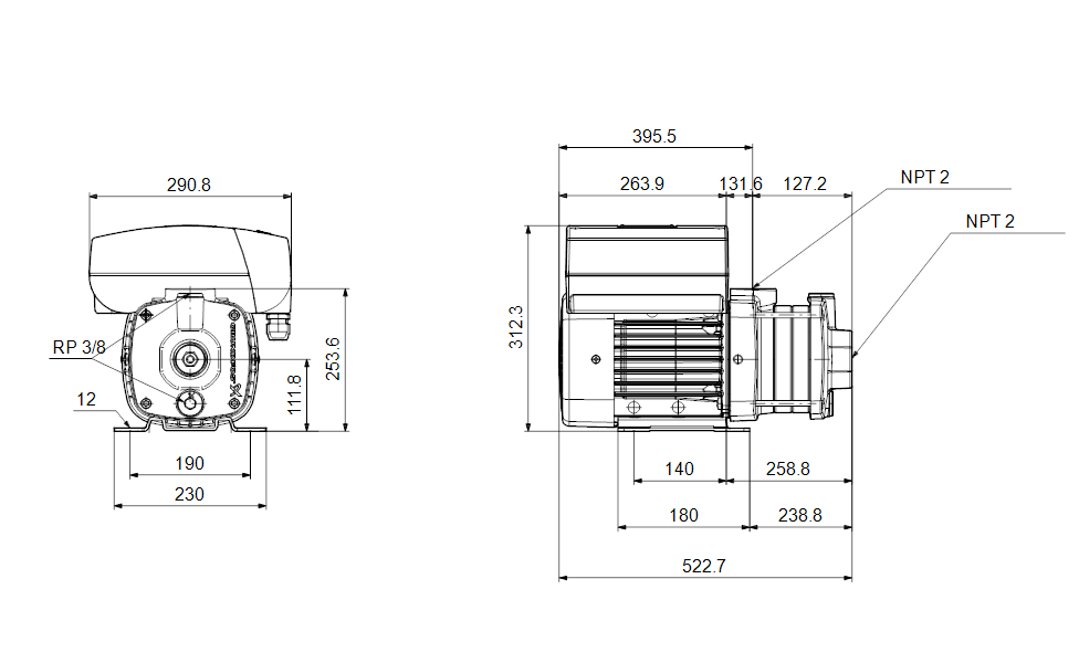
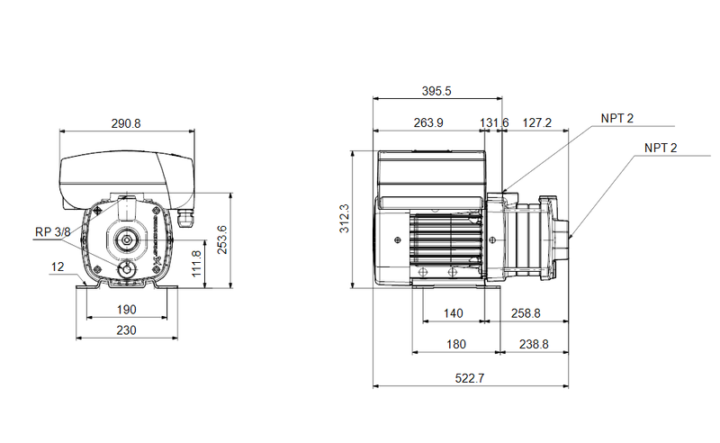
Dimensional Drawing
DWiring Diagram
Recently viewed
Similar Products
You'll Also Love...



























































































































































































