Description
WEG 445TSD - Energy Efficient 3-Phase AC Motor
The WEG 445TSD motor is a high-performance, energy-efficient 3-phase AC standard motor designed for a variety of applications. Manufactured by Grundfos, this TEFC (Totally Enclosed Fan Cooled) motor ensures optimal performance and durability, making it an ideal choice for your pumping needs.
As a Buy-Out Motor, the WEG 445TSD is part of our extensive range of Grundfos Motors & Drives and Other Standard Motors. It is specifically categorized under Shop by Type Pump Motors, ensuring you can easily find the right motor for your application.
At Pump-Stop.com, we pride ourselves on being the preferred source for replacement pumps and parts. If you have questions or need assistance in finding the right pump for your application, please don't hesitate to call us at (781) 281-8905.
Before purchasing, we recommend checking your current pump for the exact part number or SKU that matches the WEG 445TSD. If you encounter any difficulties in locating the right item, our knowledgeable team is here to help!
Motor Curves
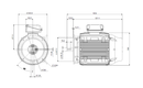
Dimensional Drawing
DWiring Diagram
Recently viewed
Similar Products
You'll Also Love...






























































































