Description
Grundfos 97741884 - CRN 32-7-2 H-G50-A-V-HQQV Vertical Multistage Centrifugal Pump
The Grundfos 97741884 - CRN 32-7-2 H-G50-A-V-HQQV is a high-performance vertical multistage centrifugal pump designed for a variety of industrial applications. Manufactured by Grundfos, a leader in pump technology, this model is engineered for efficiency and reliability, making it an ideal choice for boosting pressure and transferring fluids in demanding environments.
This pump features a robust construction and advanced design, ensuring optimal performance in both single and multi-stage configurations. It is categorized under various types including booster, centrifugal, end suction, and horizontal multistage pumps, making it versatile for different operational needs.
At Pump-Stop.com, we are your preferred source for replacement pumps and parts. If you have questions or need assistance in finding the right pump for your application, please don't hesitate to call us at (781) 281-8905. We recommend checking your current pump for the exact part number or SKU that matches the Grundfos 97741884 to ensure compatibility. Our team is here to help you navigate your options and find the perfect solution for your needs.
Motor Curves
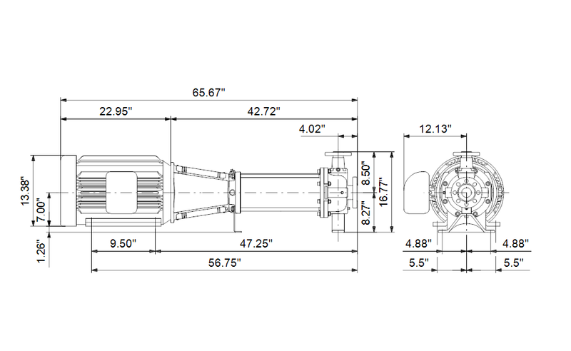
Dimensional Drawing
OPTIMIZED INDUSTRIAL SOLUTIONS (Product brochure)
CR-H, CRN-H (Installation and operating instructions)
CR-H, CRN-H (Installation and operating instructions)
CRN-H MAGdrive for Refrigerants (Installation and operating instructions)
CR-H, CRN-H, CRE-H, CRNE-H (Data booklet)
CR3-H (Industrial Service Manual)
CR5-H (Industrial Service Manual)
CRN1s-H (Industrial Service Manual)
Recently viewed
Similar Products
You'll Also Love...











































































