Description
NBSE 040-070/6. 30 The pumps are non-self-priming, single-stage, centrifugal volute pumps with axial inlet port, radial outlet port and horizontal shaft. The pump has a back pull-out design enabling removal of the motor, motor stool, cover and impeller without disturbing the pump housing or pipework. All pumps are according to ISO 5199 standards, adjusted for American dimensions on pump and its flanges. Inlet and outlet flanges are according to ASME 16. 1/16. 42. Dimensions and rated performance are according to 175/363 PSI (12/25 bar). The mechanical shaft seal has dimensions according to EN 12756. Motors are with main dimensions to NEMA standards. The pumps can be equipped with an MLE motor with integrated frequency converter or connected to a Grundfos CUE external frequency converter.
Motor Curves
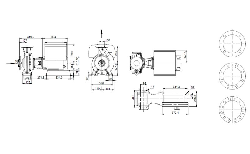
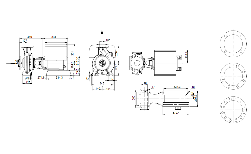
Dimensional Drawing
DWiring Diagram
NBS PUMP QUICK GUIDE (Quick Guide)
NBSE, Split-Coupled End-Suction Pump
GRUNDFOS DISTRIBUTED PUMPING, A modern approach to HVAC system design (Brochure)
Grundfos Data Center Solutions
NBE, NBSE, NKE, TPE, TPED Series 2000 and 1000 (I & O instructions)
NBS, Single-stage end-suction pumps with split coupled design (I & O instructions)
NBE, NBSE, NKE, TPE, TPED Series 2000 and 1000 (Safety instructions)
Recently viewed
Similar Products
You'll Also Love...























































































