Grundfos 99917107 - CRN 5-6 A-FGJ-A-V-HQQV | Multistage | Centrifugal | Vertical | Inline

Save $1,805.30
GRUNDFOSSKU: 99917107

Price:
Sale price$2,412.70 Regular price$4,218.00
Delivery date to be confirmed on Sales Order
or Call for most up to date lead times. (781) 281-8905

Description

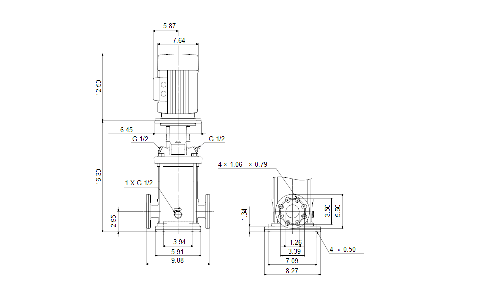
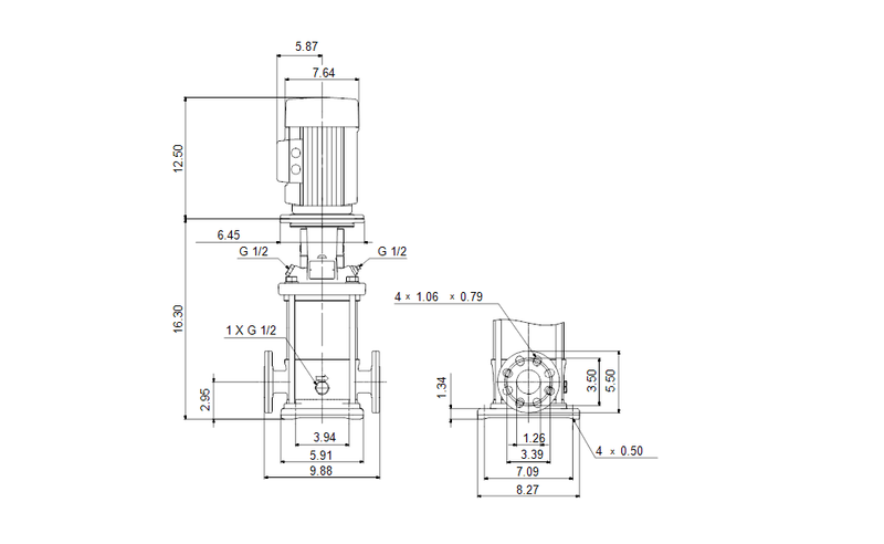
CRN 5-6 A-FGJ-A-V-HQQV Vertical, multistage centrifugal pump with inlet and outlet ports on same the level (inline). Pump materials in contact with the liquid are in high-grade stainless steel. A cartridge shaft seal ensures high reliability, safe handling, and easy access and service. Power transmission is via a rigid split coupling. Pipe connection is via combined DIN-ANSI-JIS flanges. The pump is fitted with a 3-phase, fan-cooled asynchronous motor.

EAN 5715114118811
Applications Industrial applications
Approvals CURUS
Bearing 1 SIC
Built-in motor protection NONE
Code for rubber V
Code for shaft seal HQQV
Connect code FGJ
Connection DIN / ANSI / JIS
Connection 2 DN 25/32
Connection 3 DN 25/32
Connection 4 PN 25
Cooling IC 411
Curve tolerance ISO9906:2012 3B
Density 62.29 lb/ft³
Enclosure class (IEC 34-5) IP55
Eta 1/1 0.855
Flange rating inlet 300 lb
Flange size for motor 56C
Frequency 60 HZ
Frequency converter NONE
Full load SF current 5.68/2.84 A
Gross weight 99.3 lb
IE Eff. Class IE3 / NEMA Premium
IE efficiency IE3 85,5%
IE Efficiency class IE3 / NEMA Premium
Impeller Stainless steel
Impellers 6
Insulation F
Insulation class (IEC 85) F
Liquid max temp 90°C
Liquid temperature range -4 .. 194 °F
Low NPSH N
Material code A
Material Pricing Group 6
Max pressure at stated temp 363 psi / 194 °F
Maximum ambient temperature 104 °F
Maximum head 203.8 ft
Maximum operating pressure 362.59 psi
Maximum permissible operating pressure 25bar
Model A
Motor 56C
Motor efficiency at 1/2 load 0.825
Motor efficiency at 3/4 load 0.855
Motor efficiency at full load 1 0.855
Motor protec NONE
Motor standard NEMA
Motor type WEG
n rpm 3520rpm
Net weight 84.8 lb
Number of poles 2
Number of reduced-diameter impellers 0
P2 HP 2 HP
P2 kW 1.5kW
Phase 3
Power (P2) required by pump 2 HP
Power factor 1 0.89
Pressure rating PN 25
Pressure rating for connection PN 25
Product family CRN 5
Pump 2 HP
Pump housing Stainless steel
Pump inlet DN 25/32
Pump outlet DN 25/32
Pump version A
Pumped liquid Water
Rated current 4.94/2.47 A
Rated flow 30.4 US gpm
Rated flow 2 30.4 US gpm
Rated head 147.6 ft
Rated head 2 147.6 ft
Rated power - P2 2 HP
Rated speed 3520 rpm
Rated voltage 3 x 230/460 V
Real Time Delivery date to be confirmed on Sales Order Update with real time availability and Net price
Rubber V
Selected liquid temperature 68 °F
Service factor 1.15
Shaft seal HQQV
Size of inlet connection DN 25/32
Size of outlet connection DN 25/32
Stages 6
Standard NEMA
Starting current 9.9
Type WEG
Type of connection DIN / ANSI / JIS
Version A

Motor Curves

Dimensional Drawing

DWiring Diagram

Recently viewed

Similar Products