Grundfos 99917055 - CRN 5-12 A-P-A-E-HQQE | Multistage | Centrifugal | Vertical | Inline

Save $3,026.88
GRUNDFOSSKU: 99917055

Price:
Sale price$3,279.12 Regular price$6,306.00
Delivery date to be confirmed on Sales Order
or Call for most up to date lead times. (781) 281-8905

Description

CRN 5-12 A-P-A-E-HQQE Vertical, multistage centrifugal pump with inlet and outlet ports on same the level (inline). Pump materials in contact with the liquid are in high-grade stainless steel. A cartridge shaft seal ensures high reliability, safe handling, and easy access and service. Power transmission is via a rigid split coupling. Pipe connection is via PJE (Victaulic®) couplings. The pump is fitted with a 3-phase, fan-cooled asynchronous motor.

EAN 5715114118293
Applications Industrial applications
Approvals CURUS
Approvals for drinking water NSF/ANSI 61
Bearing 1 SIC
Built-in motor protection NONE
Code for rubber E
Code for shaft seal HQQE
Connect code P
Connection PJE
Connection 2 DN 32
Connection 3 DN 32
Connection 4 PN 50
Cooling IC 411
Curve tolerance ISO9906:2012 3B
Density 62.29 lb/ft³
Enclosure class (IEC 34-5) IP55
Eta 1/1 0.885
Flange size for motor 182TC
Frequency 60 HZ
Frequency converter NONE
Full load SF current 13.6/6.79 A
Gross weight 146.0 lb
IE Eff. Class IE3 / NEMA Premium
IE efficiency IE3 88,5%
IE Efficiency class IE3 / NEMA Premium
Impeller Stainless steel
Impellers 12
Insulation F
Insulation class (IEC 85) F
Liquid max temp 120°C
Liquid temperature range -4 .. 248 °F
Low NPSH N
Material code A
Material Pricing Group 6
Max pressure at stated temp 363 psi / 250 °F
Maximum ambient temperature 104 °F
Maximum head 391.8 ft
Maximum operating pressure 362.59 psi
Maximum permissible operating pressure 25bar
Model A
Motor 182TC
Motor efficiency at 1/2 load 0.875
Motor efficiency at 3/4 load 0.885
Motor efficiency at full load 1 0.885
Motor protec NONE
Motor standard NEMA
Motor type WEG
n rpm 3500rpm
Net weight 131.0 lb
Number of poles 2
Number of reduced-diameter impellers 0
P2 HP 5 HP
P2 kW 3.7kW
Phase 3
Power (P2) required by pump 5 HP
Power factor 1 0.89
Pressure rating PN 50
Pressure rating for connection PN 50
Product family CRN 5
Pump 5 HP
Pump housing Stainless steel
Pump inlet DN 32
Pump outlet DN 32
Pump version A
Pumped liquid Water
Rated current 11.8/5.9 A
Rated flow 30.4 US gpm
Rated flow 2 30.4 US gpm
Rated head 291.7 ft
Rated head 2 291.7 ft
Rated power - P2 5 HP
Rated speed 3500 rpm
Rated voltage 3 x 230/460 V
Real Time Delivery date to be confirmed on Sales Order Update with real time availability and Net price
Rubber E
Selected liquid temperature 68 °F
Service factor 1.15
Shaft seal HQQE
Size of inlet connection DN 32
Size of outlet connection DN 32
Stages 12
Standard NEMA
Starting current 7.8
Type WEG
Type of connection PJE
Version A

Motor Curves

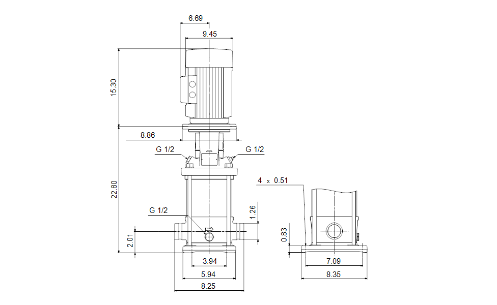
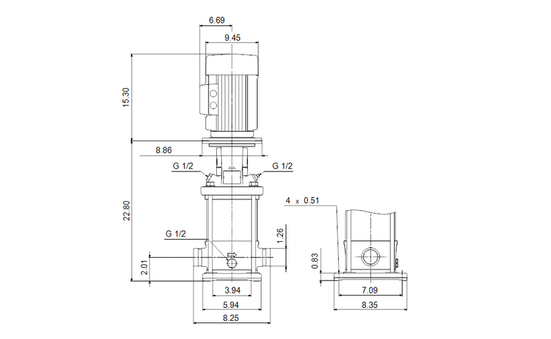
Dimensional Drawing

DWiring Diagram

Recently viewed

Similar Products