Description
CRN 5-11 A-P-A-E-HQQE Vertical, multistage centrifugal pump with inlet and outlet ports on same the level (inline). Pump materials in contact with the liquid are in high-grade stainless steel. A cartridge shaft seal ensures high reliability, safe handling, and easy access and service. Power transmission is via a rigid split coupling. Pipe connection is via PJE (Victaulic®) couplings.
Motor Curves
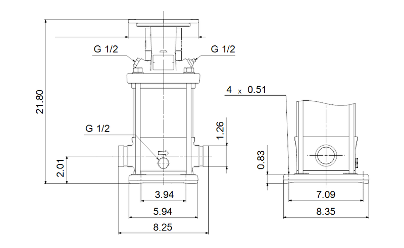
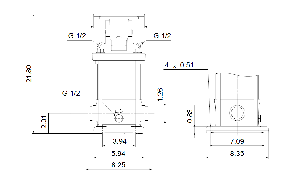
Dimensional Drawing
CR, CRN, CRI, CRT, Removal of TRANSPORT BRACKET (Quick Guide)
Grundfos solar surface pump (Installation and operating instructions)
CR, CRI, CRN (Service Kit Catalogue)
Couplings (Service kit instruction)
CR, CRI, CRN - Coupling/shaft seal (Service kit instruction)
CR Air-cooled top (Service Kit Catalogue)
CR Back to back (Service Kit Catalogue)
CR MAGdrive (Service Kit Catalogue)
Recently viewed
Similar Products
You'll Also Love...











































































