Grundfos 96419602 - CRN 32-6 A-G-A-E-HQQE | Multistage | Centrifugal | Vertical | Inline

GRUNDFOSSKU: 96419602

Price:
Sale price$34,420.83
Delivery date to be confirmed on Sales Order
or Call for most up to date lead times. (781) 281-8905

Description

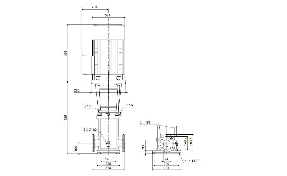
CRN 32-6 A-G-A-E-HQQE Vertical, multistage centrifugal pump with inlet and outlet ports on same the level (inline). Pump materials in contact with the liquid are in high-grade stainless steel. A cartridge shaft seal ensures high reliability, safe handling, and easy access and service. Power transmission is via a rigid split coupling. Pipe connection is via ANSI flanges. The pump is fitted with a 3-phase, fan-cooled asynchronous motor.

EAN 5700390766498
Applications Industrial applications
Actual impeller diameter 4.66 in
Approvals CURUS
Approvals for drinking water NSF61
Bearing 1 SIC
Bearing 2 Graflon
Built-in motor protection NONE
Code for rubber E
Code for shaft seal HQQE
Connect code G
Connection PN 40
Cooling TEFC
Curve tolerance ISO9906:2012 3B
Density 62.29 lb/ft³
Diameter 4.66 in
DOE Pump Energy Index CL 0.87
Enclosure class (IEC 34-5) IP54
Flange rating inlet 300 lb
Flange size for motor 284TC
Frequency converter NONE
Full load SF current 64.4/32.2 A
Gross weight 538.0 lb
IE efficiency IE3 93%
IE Efficiency class IE3 / NEMA Premium
Impeller Stainless steel
Impellers 0
Insulation class (IEC 85) F
KVA code J
Liquid temperature range -40 .. 248 °F
Low NPSH N
Mains frequency 60 Hz
Material code A
Material Pricing Group 6
Max pressure at stated temp 435 psi / 250 °F
Maximum ambient temperature 104 °F
Maximum head 553.5 ft
Maximum operating pressure 30 bar
Model B
Motor 284TC
Motor efficiency at full load 1 0.93
Motor standard NEMA
Motor type BALDOR
Net weight 520.0 lb
Number of poles 2
Number of reduced-diameter impellers 0
Power (P2) required by pump 18.5 kW
Power factor 1 0.88
Pressure rating for connection PN 40
Product family CRN 32
Pump 18.5 kW
Pump speed on which pump data are based 3521 rpm
Pump version A
Pumped liquid Water
Rated current 56/28 A
Rated flow 159 US gpm
Rated head 429.5 ft
Rated power - P2 18.5 kW
Rated speed 3530 rpm
Rated voltage 3 x 230/460 V
Real Time Delivery date to be confirmed on Sales Order  Update with real time availability and Net price
Rubber E
Sales region Namreg
Selected liquid temperature 68 °F
Service factor 1.15
Size of inlet connection 2 1/2 inch
Size of outlet connection 2 1/2 inch
Stages 6
Standard NEMA
Support bearing Graflon
Type BALDOR
Type of connection ANSI
Version A

Motor Curves

Dimensional Drawing

DWiring Diagram

Recently viewed

Similar Products