Description
Grundfos 92645944 - CRN 32-5-2 B-G-A-V-HQQV is a high-performance vertical multistage centrifugal pump designed for a variety of industrial applications. Manufactured by the renowned vendor Grundfos, this pump is engineered to deliver exceptional efficiency and reliability in demanding environments.
With its robust construction and advanced design, the CRN 32-5-2 B-G-A-V-HQQV model is ideal for high-pressure applications, ensuring optimal fluid transfer and circulation. This pump is part of the Grundfos Centrifugal Pumps range, specifically categorized under Service Special, High Pressure, and Vertical Multistage types.
At Pump-Stop, we pride ourselves on being the preferred source for replacement pumps and parts. If you have questions or need assistance in finding the right pump for your application, please don't hesitate to reach out to our knowledgeable team at (781) 281-8905.
Before making a purchase, we recommend checking your current pump for the exact part number or SKU that matches the 92645944. If you encounter any difficulties in locating the right item, our team is here to help you find the perfect solution.
Motor Curves
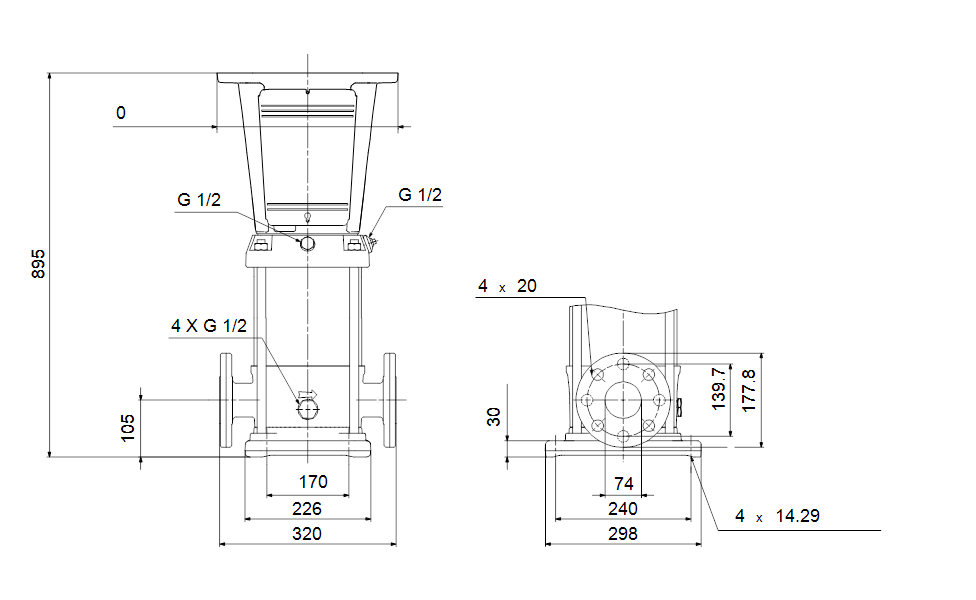
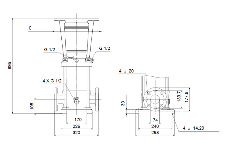
Dimensional Drawing
Recently viewed
Similar Products
You'll Also Love...












































































