Grundfos 99918056 - CRN 32-2-1 A-G-A-V-HQQV | Multistage | Centrifugal | Vertical | Inline

Save $4,505.56
GRUNDFOSSKU: 99918056

Price:
Sale price$6,021.44 Regular price$10,527.00
Delivery date to be confirmed on Sales Order
or Call for most up to date lead times. (781) 281-8905

Description

CRN 32-2-1 A-G-A-V-HQQV Vertical, multistage centrifugal pump with inlet and outlet ports on same the level (inline). Pump materials in contact with the liquid are in high-grade stainless steel. A cartridge shaft seal ensures high reliability, safe handling, and easy access and service. Power transmission is via a rigid split coupling. Pipe connection is via ANSI flanges. The pump is fitted with a 3-phase, fan-cooled asynchronous motor.

EAN 5715114129091
Applications Industrial applications
Actual impeller diameter 4.66 in
Approvals CURUS
Bearing 1 SIC
Built-in motor protection NONE
Code for rubber V
Code for shaft seal HQQV
Connect code G
Connection ANSI
Connection 2 PN 16
Cooling IC 411
Curve tolerance ISO9906:2012 3B
Density 62.29 lb/ft³
Diameter 4.66 in
DOE Pump Energy Index CL 0.87
Enclosure class (IEC 34-5) IP55
Eta 1/1 0.895
Flange rating inlet 150 lb
Flange size for motor 213TC
Frequency 60 HZ
Frequency converter NONE
Full load SF current 19.9/9.97 A
Gross weight 281.0 lb
IE Eff. Class IE3 / NEMA Premium
IE efficiency IE3 89,5%
IE Efficiency class IE3 / NEMA Premium
Impeller Stainless steel
Impellers 2
Insulation F
Insulation class (IEC 85) F
Liquid max temp 90°C
Liquid temperature range -4 .. 194 °F
Low NPSH N
Material code A
Material Pricing Group 6
Max pressure at stated temp 232 psi / 194 °F
Maximum ambient temperature 104 °F
Maximum head 168.6 ft
Maximum operating pressure 232.06 psi
Maximum permissible operating pressure 16bar
Model B
Motor 213TC
Motor efficiency at 1/2 load 0.875
Motor efficiency at 3/4 load 0.885
Motor efficiency at full load 1 0.895
Motor protec NONE
Motor standard NEMA
Motor type WEG
n rpm 3530rpm
Net weight 263.0 lb
Number of poles 2
Number of reduced-diameter impellers 1
P2 HP 7.5 HP
P2 kW 5.5kW
Phase 3
Power (P2) required by pump 7.5 HP
Power factor 1 0.89
Pressure rating PN 16
Pressure rating for connection PN 16
Product family CRN 32
Pump 7.5 HP
Pump housing Stainless steel
Pump inlet 2.5
Pump outlet 2.5
Pump version A
Pumped liquid Water
Rated current 17.3/8.67 A
Rated flow 159 US gpm
Rated flow 2 159 US gpm
Rated head 124.3 ft
Rated head 2 124.3 ft
Rated power - P2 7.5 HP
Rated speed 3530 rpm
Rated voltage 3 x 230/460 V
Real Time Delivery date to be confirmed on Sales Order Update with real time availability and Net price
Rubber V
Selected liquid temperature 68 °F
Service factor 1.15
Shaft seal HQQV
Stages 2
Standard NEMA
Starting current 7.6
Support bearing Graflon
Type WEG
Type of connection ANSI
Version A

Motor Curves

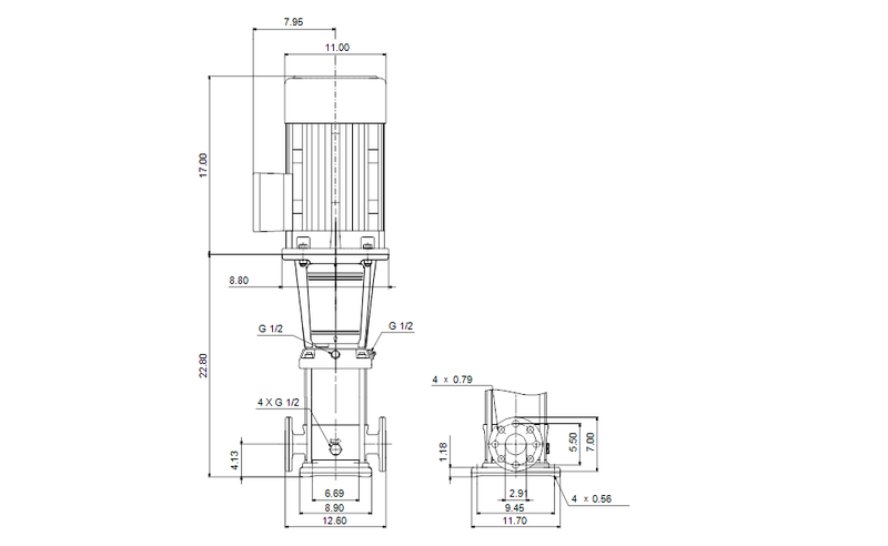
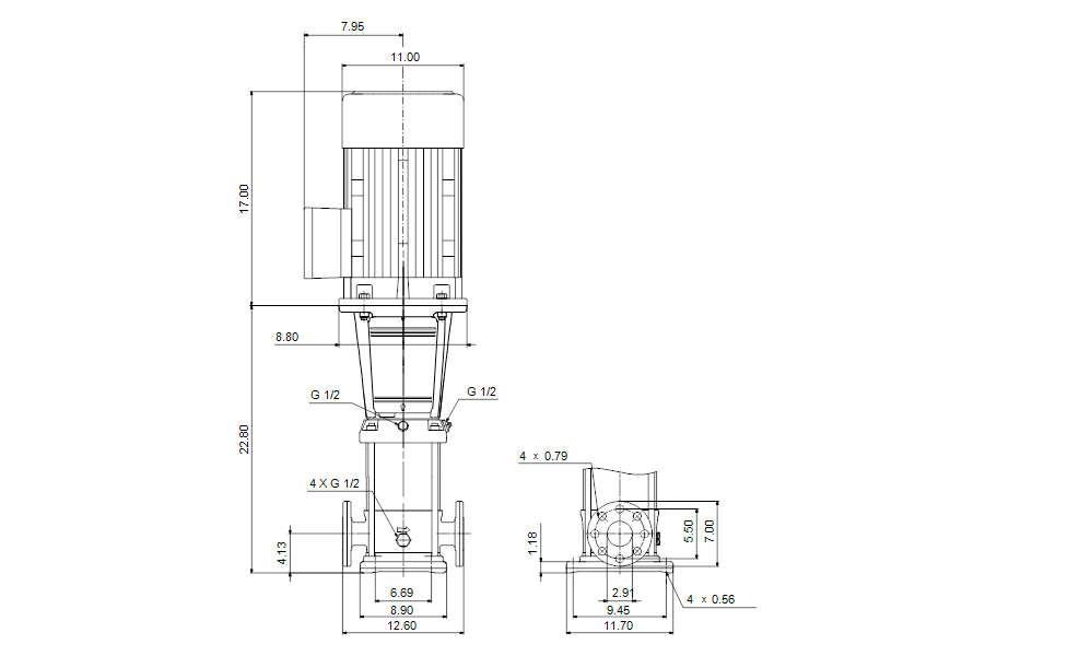
Dimensional Drawing

DWiring Diagram

Recently viewed

Similar Products