Description
Introducing the Grundfos 96127023 - CRN 15-12 A-P-A-E-HQQE, a reliable vertical multistage centrifugal pump designed for various industrial applications. Manufactured by Grundfos, this pump is engineered to deliver high performance and efficiency.
Key Features:
- Vertical multistage design
- Ideal for high-pressure applications
- Robust construction for durability
At Pump-Stop, we pride ourselves on being the preferred source for replacement pumps and parts. If you have any questions or need assistance, please don't hesitate to reach out to our team at (781) 281-8905.
When purchasing, please ensure you match the exact model or SKU (96127023). If you're unsure, feel free to call us for guidance.
Motor Curves
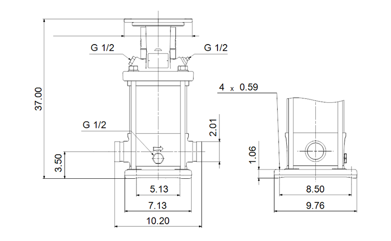
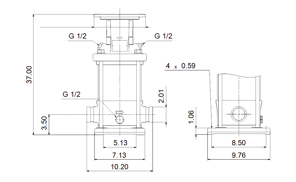
Dimensional Drawing
CR, CRI, CRN, CRT (I & O instructions)
CR, CRI, CRN - Vertical multistage centrifugal pumps (Data booklet)
CR, CRI, CRN, CRT, CRE, CRIE, CRNE, CRTE (Custom-built pumps) (Data booklet)
CR, CRI, CRN 1, 1S, 3 & 5 (Dismantling & Reassembly) (Service Manual)
GRUNDFOS CR/CRE, Vertical Multistage Variable Speed System (Leaflet)
Recently viewed
Similar Products
You'll Also Love...














































































