Description
CRN 10-14 A-P-A-E-HQQE Vertical, multistage centrifugal pump with inlet and outlet ports on same the level (inline). Pump materials in contact with the liquid are in high-grade stainless steel. A cartridge shaft seal ensures high reliability, safe handling, and easy access and service. Power transmission is via a rigid split coupling. Pipe connection is via PJE (Victaulic®) couplings.
Motor Curves
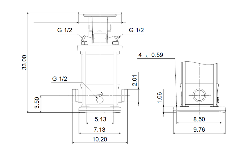
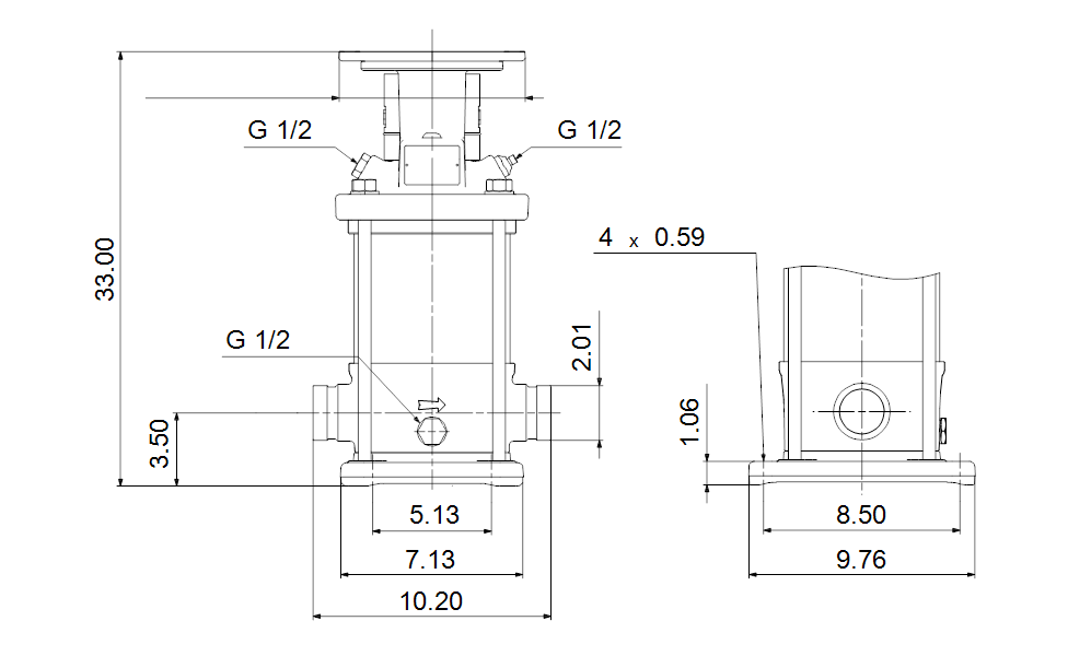
Dimensional Drawing
GRUNDFOS CR (Product brochure)
GRUNDFOS CUSTOM-BUILT CR (Product brochure)
CR & CRN Quick Ship Program (Product brochure)
OPTIMIZED INDUSTRIAL SOLUTIONS (Product brochure)
COMPREHENSIVE WATER TREATMENT SOLUTIONS (Product brochure)
FOOD PROCESSING, PUMPS FOR INDUSTRY (Product brochure)
Get It All with Grundfos Plumbing, ONE PARTNER ALL the PUMPS (Product brochure)
Grundfos Data Center Solutions
Recently viewed
Similar Products
You'll Also Love...











































































