Description
CRI 3-6 A-CA-A-E-HQQE Vertical, multistage centrifugal pump with inlet and outlet ports on same the level (inline). Pump materials in contact with the liquid are in stainless steel. A cartridge shaft seal ensures high reliability, safe handling, and easy access and service. Power transmission is via a rigid split coupling. Pipe connection is via FlexiClamps. The pump is fitted with a 1-phase, fan-cooled asynchronous motor.
Motor Curves
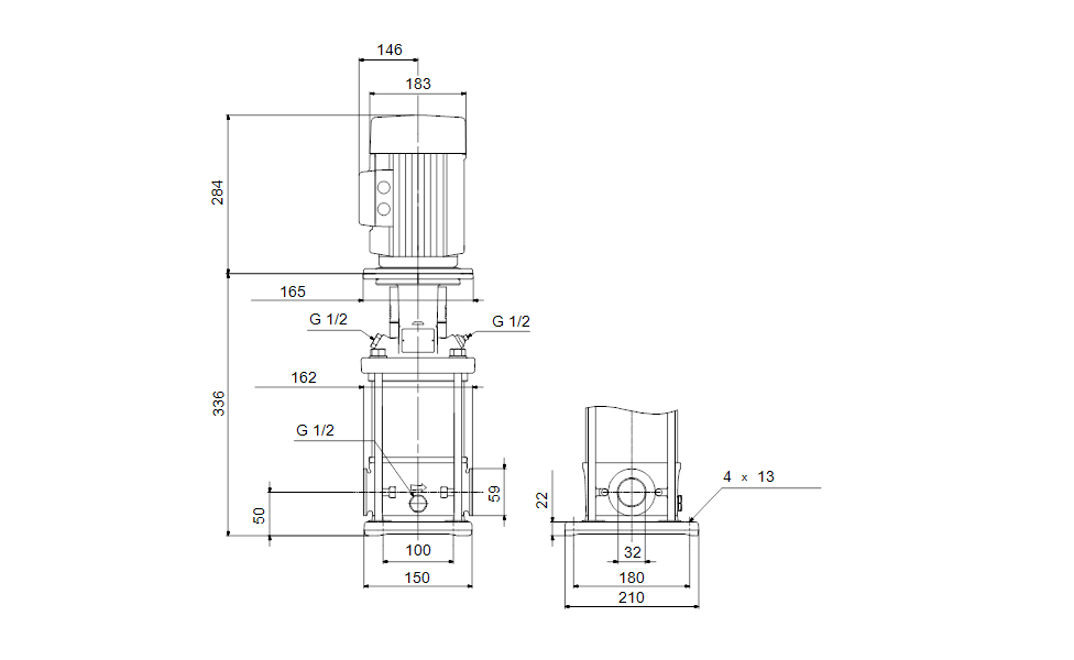
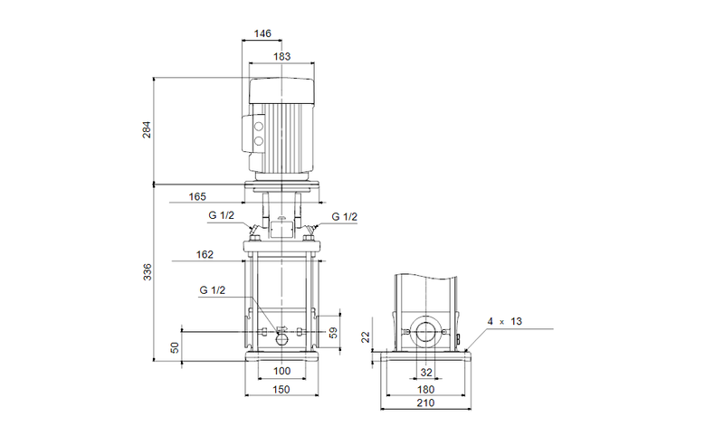
Dimensional Drawing
DWiring Diagram
CR, CRI, CRN, CRT (I & O instructions)
CR, CRI, CRN - Vertical multistage centrifugal pumps (Data booklet)
CR, CRI, CRN, CRT, CRE, CRIE, CRNE, CRTE (Custom-built pumps) (Data booklet)
CR, CRI, CRN 1, 1S, 3 & 5 (Dismantling & Reassembly) (Service Manual)
GRUNDFOS CR/CRE, Vertical Multistage Variable Speed System (Leaflet)
Recently viewed
Similar Products
You'll Also Love...










































































