Grundfos 99915969 - CRI 1-2 A-FGJ-A-E-HQQE | Multistage | Centrifugal | Vertical | Inline

Save $887.24
GRUNDFOSSKU: 99915969

Price:
Sale price$1,185.76 Regular price$2,073.00
Delivery date to be confirmed on Sales Order
or Call for most up to date lead times. (781) 281-8905

Description

CRI 1-2 A-FGJ-A-E-HQQE Vertical, multistage centrifugal pump with inlet and outlet ports on same the level (inline). Pump materials in contact with the liquid are in stainless steel. A cartridge shaft seal ensures high reliability, safe handling, and easy access and service. Power transmission is via a rigid split coupling. Pipe connection is via combined DIN-ANSI-JIS flanges. The pump is fitted with a 1-phase, fan-cooled asynchronous motor.

EAN 5715114106979
Applications Industrial applications
Approvals CURUS
Approvals for drinking water NSF/ANSI 61
Bearing 1 SIC
Built-in motor protection PTO
Code for rubber E
Code for shaft seal HQQE
Connect code FGJ
Connection DIN / ANSI / JIS
Connection 2 DN 25/32
Connection 3 DN 25/32
Connection 4 PN 25
Cooling IC 411
Curve tolerance ISO9906:2012 3B
Density 62.29 lb/ft³
Enclosure class (IEC 34-5) IP55
Eta 1/1 0.54
Flange rating inlet 300 lb
Flange size for motor 56C
Frequency 60 HZ
Frequency converter NONE
Full load SF current 5.98/2.6 A
Gross weight 63.4 lb
IE efficiency 0.54
Impeller Stainless steel
Impellers 2
Insulation F
Insulation class (IEC 85) F
Liquid max temp 120°C
Liquid temperature range -4 .. 248 °F
Low NPSH N
Material code A
Material Pricing Group 30
Max pressure at stated temp 363 psi / 250 °F
Maximum ambient temperature 104 °F
Maximum head 59.39 ft
Maximum operating pressure 362.59 psi
Maximum permissible operating pressure 25bar
Model A
Motor 56C
Motor efficiency at 1/2 load 0.42
Motor efficiency at 3/4 load 0.5
Motor efficiency at full load 1 0.54
Motor protec PTO
Motor standard NEMA
Motor type WEG
n rpm 3490rpm
Net weight 52.4 lb
Number of poles 2
Number of reduced-diameter impellers 0
P2 HP 0.33 HP
P2 kW 0.25kW
Phase 1
Power (P2) required by pump 0.33 HP
Power factor 1 0.76
Pressure rating PN 25
Pressure rating for connection PN 25
Product family CRI 1
Pump 0.33 HP
Pump housing Stainless steel
Pump inlet DN 25/32
Pump outlet DN 25/32
Pump version A
Pumped liquid Water
Rated current 5,2/2,87-2,6 A
Rated flow 9.69 US gpm
Rated flow 2 9.69 US gpm
Rated head 45.28 ft
Rated head 2 45.28 ft
Rated power - P2 0.33 HP
Rated speed 3490 rpm
Rated voltage 1 x 115/208-230 V
Real Time Delivery date to be confirmed on Sales Order Update with real time availability and Net price
Rubber E
Selected liquid temperature 68 °F
Service factor 1.15
Shaft seal HQQE
Size of inlet connection DN 25/32
Size of outlet connection DN 25/32
Stages 3
Standard NEMA
Starting current 700-700 %
Type WEG
Type of connection DIN / ANSI / JIS
Version A

Motor Curves

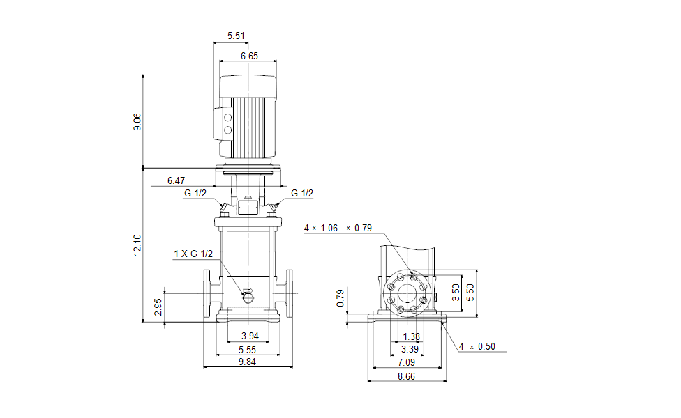
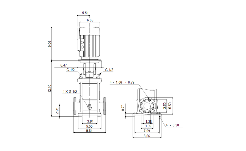
Dimensional Drawing

DWiring Diagram

Recently viewed

Similar Products