Grundfos 96083294 - CR 3-4 A-FGJ-A-V-HQQV | Multistage | Centrifugal | Vertical | Inline

GRUNDFOSSKU: 96083294

Price:
Sale price$3,943.19
Delivery date to be confirmed on Sales Order
or Call for most up to date lead times. (781) 281-8905

Description

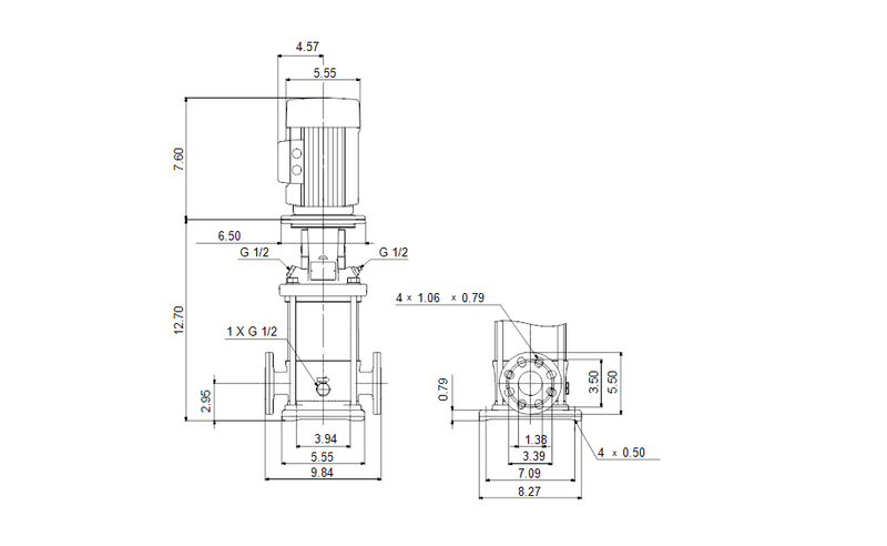
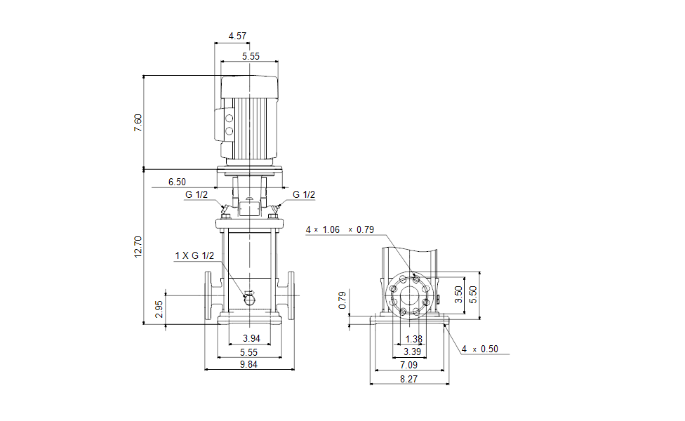
CR 3-4 A-FGJ-A-V-HQQV Vertical, multistage centrifugal pump with inlet and outlet ports on same the level (inline). The pump head and base are in cast iron – all other wetted parts are in stainless steel. A cartridge shaft seal ensures high reliability, safe handling, and easy access and service. Power transmission is via a rigid split coupling. Pipe connection is via combined DIN-ANSI-JIS flanges. The pump is fitted with a 3-phase, fan-cooled asynchronous motor.

EAN 5700395184624
Applications Industrial applications
Approvals CURUS
Bearing 1 SIC
Built-in motor protection NONE
Code for rubber V
Code for shaft seal HQQV
Connect code FGJ
Connection DIN / ANSI / JIS
Connection 2 DN 25/32
Connection 3 DN 25/32
Connection 4 PN 25
Cooling TEFC
Curve tolerance ISO9906:2012 3B
Density 62.29 lb/ft³
Enclosure class (IEC 34-5) 55 Dust/Jetting
Eta 1/1 78.9-80.1%
Flange rating inlet 250 lb
Flange size for motor 56C
Frequency 60 HZ
Frequency converter NONE
Full load SF current 2,9-2,75/1,4 A
Gross weight 68.8 lb
IE Eff. Class NEMA Premium / IE3 60Hz
IE efficiency classNEMA Premium / IE3 60Hz
IE Efficiency class NEMA Premium / IE3 60Hz
Impeller Stainless steel
Impellers 4
Insulation F
Insulation class (IEC 85) F
Liquid max temp 90°C
Liquid temperature range -4 .. 194 °F
Low NPSH N
Material code A
Material Pricing Group 30
Max pressure at stated temp 363 psi / 194 °F
Maximum ambient temperature 140 °F
Maximum head 124.3 ft
Maximum operating pressure 362.59 psi
Maximum permissible operating pressure 25bar
Model A
Motor 56C
Motor efficiency at 1/2 load 77.3-75.2 %
Motor efficiency at 3/4 load 79.9-79.3 %
Motor efficiency at full load 1 78.9-80.1 %
Motor protec NONE
Motor standard NEMA
Motor type 71BA
n rpm 3430-3460rpm
Net weight 57.8 lb
Number of poles 2
Number of reduced-diameter impellers 0
P2 HP 0.75 HP
P2 kW 0.55kW
Phase 3
Power (P2) required by pump 0.75 HP
Power factor 1 0.84-0.78
Pressure rating PN 25
Pressure rating for connection PN 25
Product family CR 3
Pump 0.75 HP
Pump housing Cast iron
Pump inlet DN 25/32
Pump outlet DN 25/32
Pump version A
Pumped liquid Water
Rated current 2,40-2,30/1,20 A
Rated flow 15.4 US gpm
Rated flow 2 15.4 US gpm
Rated head 90.56 ft
Rated head 2 90.56 ft
Rated power - P2 0.75 HP
Rated speed 3430-3460 rpm
Rated voltage 3 x 208-230YY/460Y V
Real Time Delivery date to be confirmed on Sales Order Update with real time availability and Net price
Rubber V
Selected liquid temperature 68 °F
Service factor 1.25
Shaft seal HQQV
Size of inlet connection DN 25/32
Size of outlet connection DN 25/32
Stages 4
Standard NEMA
Starting current 590-650 %
Type 71BA
Type of connection DIN / ANSI / JIS
Version A

Motor Curves

Dimensional Drawing

DWiring Diagram

Recently viewed

Similar Products