Grundfos 96081029 - CR 1S-6 A-FGJ-A-E-HQQE | Multistage | Centrifugal | Vertical | Inline

GRUNDFOSSKU: 96081029

Price:
Sale price$3,400.00
Delivery date to be confirmed on Sales Order
or Call for most up to date lead times. (781) 281-8905

Description

CR 1S-6 A-FGJ-A-E-HQQE Vertical, multistage centrifugal pump with inlet and outlet ports on same the level (inline). The pump head and base are in cast iron – all other wetted parts are in stainless steel. Power transmission is via a rigid split coupling. Pipe connection is via combined DIN-ANSI-JIS flanges. The pump is fitted with a 3-phase, fan-cooled asynchronous motor.

EAN 5700395154863
Applications Industrial applications
Approvals CURUS
Approvals for drinking water NSF/ANSI 61
Bearing 1 SIC
Built-in motor protection NONE
Code for rubber E
Code for shaft seal HQQE
Connect code FGJ
Connection DIN / ANSI / JIS
Connection 2 DN 25/32
Connection 3 DN 25/32
Connection 4 PN 25
Cooling TEFC
Curve tolerance ISO9906:2012 3B
Density 62.29 lb/ft³
Enclosure class (IEC 34-5) 55 Dust/Jetting
Eta 1/1 79.5-80.6%
Flange rating inlet 250 lb
Flange size for motor 56C
Frequency 60 HZ
Frequency converter NONE
Full load SF current 2,0-1,9/0,95 A
Gross weight 69.8 lb
IE Eff. Class NEMA Premium / IE3 60Hz
IE efficiency classNEMA Premium / IE3 60Hz
IE Efficiency class NEMA Premium / IE3 60Hz
Impeller Stainless steel
Impellers 6
Insulation F
Insulation class (IEC 85) F
Liquid max temp 120°C
Liquid temperature range -4 .. 248 °F
Low NPSH N
Material code A
Material Pricing Group 30
Max pressure at stated temp 363 psi / 250 °F
Maximum ambient temperature 140 °F
Maximum head 168.3 ft
Maximum operating pressure 362.59 psi
Maximum permissible operating pressure 25bar
Model A
Motor 56C
Motor efficiency at 1/2 load 77.1-75.4 %
Motor efficiency at 3/4 load 79.9-79.5 %
Motor efficiency at full load 1 79.5-80.6 %
Motor protec NONE
Motor standard NEMA
Motor type 71AB
n rpm 3430-3460rpm
Net weight 58.8 lb
Number of poles 2
Number of reduced-diameter impellers 0
P2 HP 0.5 HP
P2 kW 0.37kW
Phase 3
Power (P2) required by pump 0.5 HP
Power factor 1 0.84-0.78
Pressure rating PN 25
Pressure rating for connection PN 25
Product family CR 1-S
Pump 0.5 HP
Pump housing Cast iron
Pump inlet DN 25/32
Pump outlet DN 25/32
Pump version A
Pumped liquid Water
Rated current 1,64-1,55/0,78 A
Rated flow 4.84 US gpm
Rated flow 2 4.84 US gpm
Rated head 114.2 ft
Rated head 2 114.2 ft
Rated power - P2 0.5 HP
Rated speed 3430-3460 rpm
Rated voltage 3 x 208-230YY/460Y V
Real Time Delivery date to be confirmed on Sales Order Update with real time availability and Net price
Rubber E
Selected liquid temperature 68 °F
Service factor 1.25
Shaft seal HQQE
Size of inlet connection DN 25/32
Size of outlet connection DN 25/32
Stages 6
Standard NEMA
Starting current 590-650 %
Type 71AB
Type of connection DIN / ANSI / JIS
Version A

Motor Curves

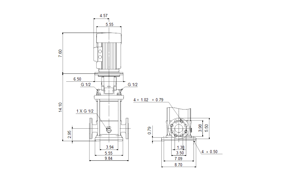
Dimensional Drawing

DWiring Diagram

Recently viewed

Similar Products