Grundfos 96522985 - CR 10-1 A-GJ-A-E-HQQE | Multistage | Centrifugal | Vertical | Inline

GRUNDFOSSKU: 96522985

Price:
Sale price$5,548.88
Delivery date to be confirmed on Sales Order
or Call for most up to date lead times. (781) 281-8905

Description

CR 10-1 A-GJ-A-E-HQQE Vertical, multistage centrifugal pump with inlet and outlet ports on same the level (inline). The pump head and base are in cast iron – all other wetted parts are in stainless steel. A cartridge shaft seal ensures high reliability, safe handling, and easy access and service. Power transmission is via a rigid split coupling. Pipe connection is via combined ANSI-JIS flanges. The pump is fitted with a 3-phase, fan-cooled asynchronous motor.

EAN 5700396898001
Applications Industrial applications
Actual impeller diameter 3.66 in
Approvals CURUS
Approvals for drinking water NSF/ANSI 61
Bearing 1 SIC
Built-in motor protection NONE
Code for rubber E
Code for shaft seal HQQE
Connect code GJ
Connection ANSI / JIS
Connection 2 DN 50
Connection 3 DN 50
Connection 4 PN 25
Cooling TEFC
Curve tolerance ISO9906:2012 3B
Density 62.29 lb/ft³
Diameter 3.66 in
DOE Pump Energy Index CL 0.87
Enclosure class (IEC 34-5) 55 Dust/Jetting
Eta 1/1 78.9-80.1%
Flange rating inlet 300 lb
Flange size for motor 56C
Frequency 60 HZ
Frequency converter NONE
Full load SF current 2,9-2,75/1,4 A
Gross weight 106.0 lb
IE Eff. Class NEMA Premium / IE3 60Hz
IE efficiency classNEMA Premium / IE3 60Hz
IE Efficiency class NEMA Premium / IE3 60Hz
Impeller Stainless steel
Impellers 1
Insulation F
Insulation class (IEC 85) F
Liquid max temp 120°C
Liquid temperature range -4 .. 248 °F
Low NPSH N
Material code A
Material Pricing Group 30
Max pressure at stated temp 232 psi / 250 °F
Maximum ambient temperature 140 °F
Maximum head 46.92 ft
Maximum operating pressure 232.06 psi
Maximum permissible operating pressure 16bar
Model A
Motor 56C
Motor efficiency at 1/2 load 77.3-75.2 %
Motor efficiency at 3/4 load 79.9-79.3 %
Motor efficiency at full load 1 78.9-80.1 %
Motor protec NONE
Motor standard NEMA
Motor type 71BA
n rpm 3430-3460rpm
Net weight 88.2 lb
Number of poles 2
Number of reduced-diameter impellers 0
P2 HP 0.75 HP
P2 kW 0.55kW
Phase 3
Power (P2) required by pump 0.75 HP
Power factor 1 0.84-0.78
Pressure rating PN 25
Pressure rating for connection PN 25
Product family CR 10
Pump 0.75 HP
Pump housing Cast iron
Pump inlet DN 50
Pump outlet DN 50
Pump version A
Pumped liquid Water
Rated current 2,40-2,30/1,20 A
Rated flow 53.3 US gpm
Rated flow 2 53.3 US gpm
Rated head 32.81 ft
Rated head 2 32.81 ft
Rated power - P2 0.75 HP
Rated speed 3430-3460 rpm
Rated voltage 3 x 208-230YY/460Y V
Real Time Delivery date to be confirmed on Sales Order Update with real time availability and Net price
Rubber E
Selected liquid temperature 68 °F
Service factor 1.25
Shaft seal HQQE
Size of inlet connection DN 50
Size of outlet connection DN 50
Stages 2
Standard NEMA
Starting current 590-650 %
Type 71BA
Type of connection ANSI / JIS
Version A

Motor Curves

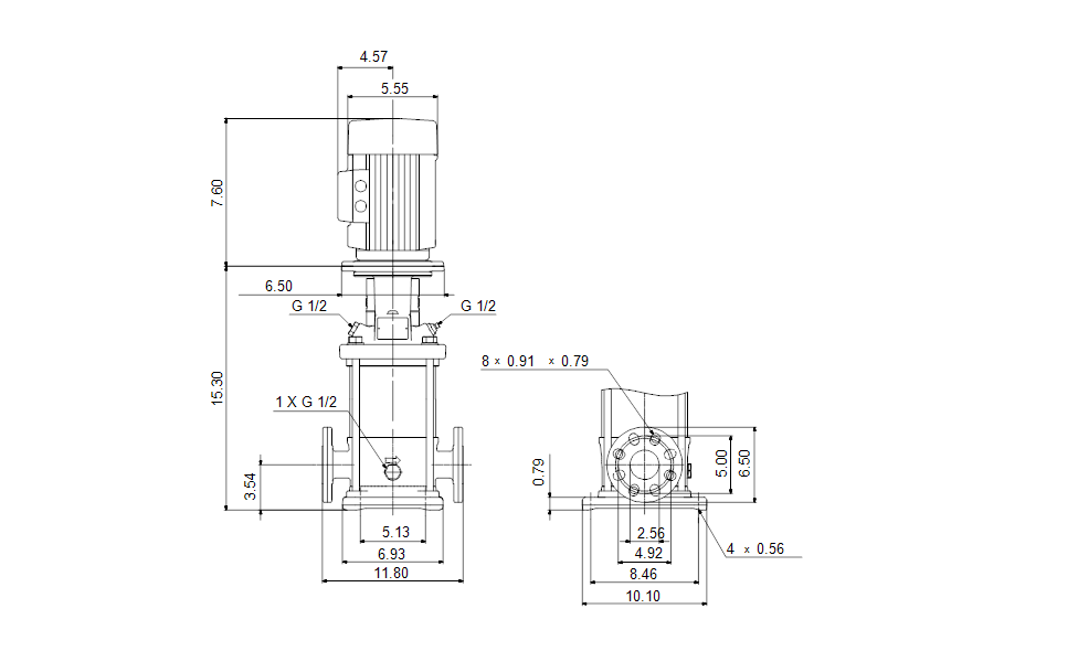
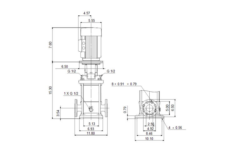
Dimensional Drawing

DWiring Diagram

Recently viewed

Similar Products