Grundfos 96081968 - CR 1-3 A-B-A-E-HQQE | Multistage | Centrifugal | Vertical | Inline

GRUNDFOSSKU: 96081968

Price:
Sale price$2,915.00
Delivery date to be confirmed on Sales Order
or Call for most up to date lead times. (781) 281-8905

Description

CR 1-3 A-B-A-E-HQQE Vertical, multistage centrifugal pump with inlet and outlet ports on same the level (inline). The pump head and base are in cast iron – all other wetted parts are in stainless steel. A cartridge shaft seal ensures high reliability, safe handling, and easy access and service. Power transmission is via a rigid split coupling. Pipe connection is via oval flanges with internal NPT threads. The pump is fitted with a 3-phase, fan-cooled asynchronous motor.

EAN 5700395167061
Applications Industrial applications
Approvals CURUS
Approvals for drinking water NSF/ANSI 61
Bearing 1 SIC
Built-in motor protection NONE
Code for rubber E
Code for shaft seal HQQE
Connect code B
Connection Oval / NPT(F)
Connection 2 PN 16
Cooling TEFC
Curve tolerance ISO9906:2012 3B
Density 62.29 lb/ft³
Enclosure class (IEC 34-5) 55 Dust/Jetting
Eta 1/1 78.8-79.3%
Flange size for motor 56C
Frequency 60 HZ
Frequency converter NONE
Full load SF current 1,5-1,45/0,75 A
Gross weight 57.0 lb
IE Eff. Class NEMA Premium / IE3 60Hz
IE efficiency classNEMA Premium / IE3 60Hz
IE Efficiency class NEMA Premium / IE3 60Hz
Impeller Stainless steel
Impellers 3
Insulation F
Insulation class (IEC 85) F
Liquid max temp 120°C
Liquid temperature range -4 .. 248 °F
Low NPSH N
Material code A
Material Pricing Group 30
Max pressure at stated temp 232 psi / 250 °F
Maximum ambient temperature 140 °F
Maximum head 89.57 ft
Maximum operating pressure 232.06 psi
Maximum permissible operating pressure 16bar
Model A
Motor 56C
Motor efficiency at 1/2 load 73.1-71.5 %
Motor efficiency at 3/4 load 77.6-77 %
Motor efficiency at full load 1 78.8-79.3 %
Motor protec NONE
Motor standard NEMA
Motor type 71AA
n rpm 3450-3480rpm
Net weight 46.0 lb
Number of poles 2
Number of reduced-diameter impellers 0
P2 HP 0.33 HP
P2 kW 0.25kW
Phase 3
Power (P2) required by pump 0.33 HP
Power factor 1 0.81-0.75
Pressure rating PN 16
Pressure rating for connection PN 16
Product family CR 1
Pump 0.33 HP
Pump housing Cast iron
Pump inlet 1
Pump outlet 1
Pump version A
Pumped liquid Water
Rated current 1,12-1,10/0,55 A
Rated flow 9.69 US gpm
Rated flow 2 9.69 US gpm
Rated head 67.92 ft
Rated head 2 67.92 ft
Rated power - P2 0.33 HP
Rated speed 3450-3480 rpm
Rated voltage 3 x 208-230YY/460Y V
Real Time Delivery date to be confirmed on Sales Order Update with real time availability and Net price
Rubber E
Selected liquid temperature 68 °F
Service factor 1.35
Shaft seal HQQE
Stages 3
Standard NEMA
Starting current 630-700 %
Type 71AA
Type of connection Oval / NPT(F)
Version A

Motor Curves

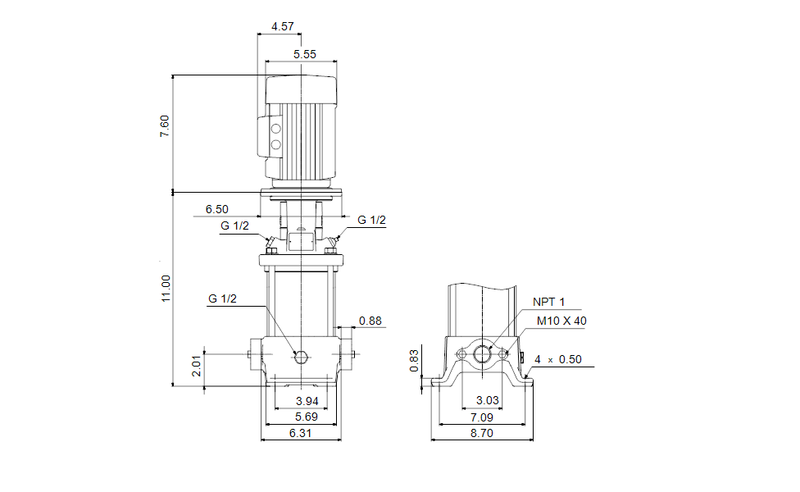
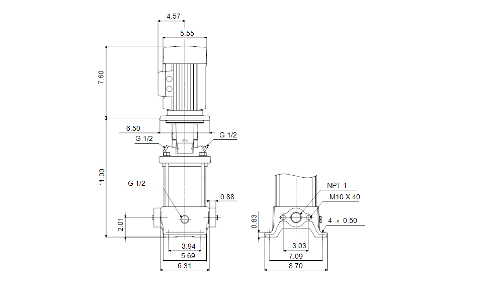
Dimensional Drawing

DWiring Diagram

Recently viewed

Similar Products