Grundfos 92617433 - NBSE 025-070/4.57 ASASG7SAESDQQELBB | SelfPriming | Centrifugal | Horizontal

GRUNDFOSSKU: 92617433

Price:
Sale price$16,636.00
Delivery date to be confirmed on Sales Order
or Call for most up to date lead times. (781) 281-8905

Description

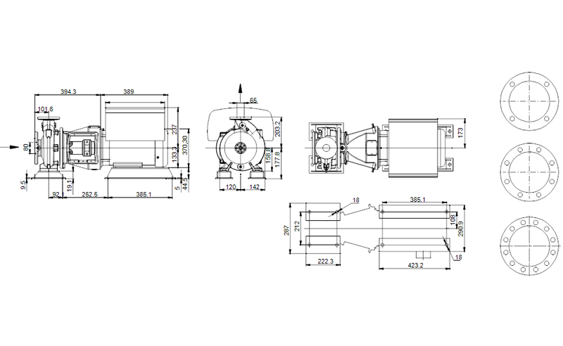
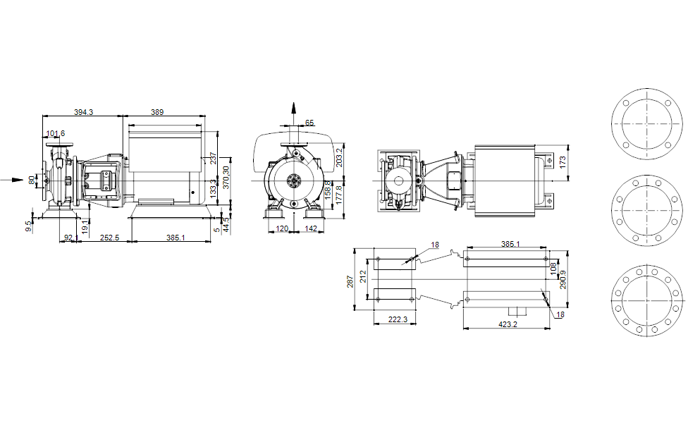
NBSE 025-070/4. 57 The pumps are non-self-priming, single-stage, centrifugal volute pumps with axial inlet port, radial outlet port and horizontal shaft. The pump has a back pull-out design enabling removal of the motor, motor stool, cover and impeller without disturbing the pump housing or pipework. All pumps are according to ISO 5199 standards, adjusted for American dimensions on pump and its flanges. Inlet and outlet flanges are according to ASME 16. 1/16. 42. Dimensions and rated performance are according to 175/363 PSI (12/25 bar). The mechanical shaft seal has dimensions according to EN 12756. Motors are with main dimensions to NEMA standards. The pumps can be equipped with an MLE motor with integrated frequency converter or connected to a Grundfos CUE external frequency converter.

EAN 5715117136935
Applications Pressure boosting
Actual impeller diameter 4.57 in
Bearing insulation type N-end STEEL BEARING
Built-in motor protection ELEC
Code for rubber E
Code for shaft seal DQQE
Connect code G
Connection Class 300
Control panel HMI300 - Advanced
Curve tolerance 2B HI 14.6:2016
Density 62.29 lb/ft³
Diameter 4.57 in
DOE Pump Energy Index CL 0
DOE Pump Energy Index VL 0.48
Enclosure class (IEC 34-5) IP55
Function Module FM300 - Advanced
Gross weight 265.0 lb
Housing DUCTILE IRON
IE Efficiency class IE5
Impeller Stainless steel
Insulation class (IEC 85) F
Internal pump house coating No coating
Liquid temperature range -4 .. 248 °F
Mains frequency 60 Hz
Material code SA
Material Pricing Group 5W
Maximum ambient temperature 104 °F
Maximum operating pressure 25 bar
Motor efficiency at full load 1 0.902
Motor standard NEMA
Motor type 132F
Mounting options design code C
Net weight 264.0 lb
Number of poles 2
Power factor 1 0.94
Pressure rating for connection Class 300
Product family NBSE
Pump housing DUCTILE IRON
Pump speed on which pump data are based 4000 rpm
Pump version AS
Pumped liquid Water
Rated current 20.0-16.6 A
Rated flow 282 US gpm
Rated head 71.09 ft
Rated power - P2 5.5 kW
Rated speed 360-4000 rpm
Rated voltage 3 x 200-240 V
Real Time Delivery date to be confirmed on Sales Order  Update with real time availability and Net price
Rubber E
Selected liquid temperature 68 °F
Shaft Stainless steel
Size of inlet connection 3 inch
Size of outlet connection 2.5 inch
Standard NEMA
Support block (Yes/No) Y
Type 132F
Type of connection ANSI
Version AS

Motor Curves

Dimensional Drawing

DWiring Diagram

Recently viewed

Similar Products