Description
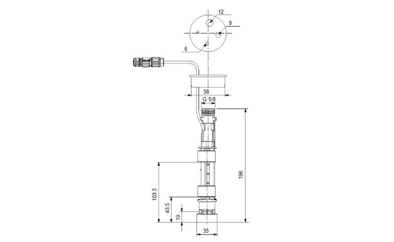
Foot valve 2L-G5/8 PV/V, E/C U2 Foot valves are installed at the lower end of the suctionhose and include weight, strainer (mesh size 0, 8mm) and non-return valveAdditionally they include Reed-switch unit with two floaters for low level and empty indication (switch mode adjustable NO or NC)
Cable with PE jacket
M 12 plug to connect DDA, DDC, DDE or DDI dosing pump
PE cap, d. 58 mm, for assembly in Grundfoscylindrical tanks, or for use with tank adaptors.
Motor Curves
Dimensional Drawing
RSL (Rigid suction lance), FV-2L (Foot valves w. level ind.) (Quick Guide)
Diaphragm leakage detector 60-940 l/h (Quick Guide)
A Wide Range (English) (Product brochure)
DOSING PUMPS, MEASUREMENT & CONTROL AND DISINFECTION SYSTEMS (Product brochure)
MULTI-FUNCTION VALVE (Product brochure)
Rigid suction lances RSL and foot valves FV (Leaflet)
Recently viewed
Similar Products
You'll Also Love...































































































