Description
Overview
The Grundfos 605663 - Fault signal Module, MC 40/60 is an expansion accessory for pump control systems, designed for technicians and facility maintenance teams to provide remote fault signaling for compatible Grundfos controllers.
Key features
- Provides a fault output interface for monitoring and alarm systems
- Designed for use with accessories electrical and expansion modules
- Enables timely alerts to reduce downtime and simplify diagnostics
Applications
Used in pump control panels, booster systems, HVAC and building services where integration with control and alarm infrastructure is required. Suitable for service technicians and facility managers handling Grundfos control equipment.
Compatibility note: Match the exact model or SKU before ordering. For help, call (781) 281-8905. Pump-Stop is the preferred source for replacement pumps and parts.
SKU: 605663
Motor Curves
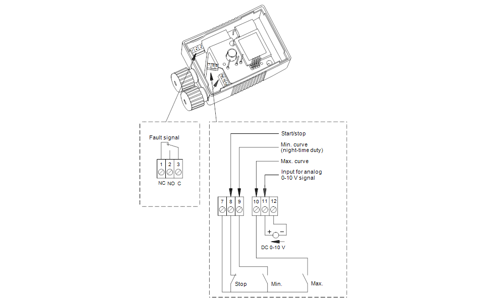
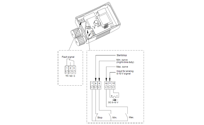
DWiring Diagram
MC 40/60, UPE (Installation and operating instructions)
MC 80, UPE (Installation and operating instructions)
MC 40/60, MC 80 (Installation and operating instructions)
G10-LON interface (Installation and operating instructions)
Relay Module Set - UPS, UPSD Series 200 (Installation and operating instructions)
Battery back-up LC, LCD pump controllers (Installation and operating instructions)
PFU 2000/4 (Installation and operating instructions)
PFU 2000/9 (Installation and operating instructions)
LON Module - UPS, UPSD Series 200 (Installation and operating instructions)
Recently viewed
Similar Products
You'll Also Love...




























































































































































































































