Description
CRNE 5-6 A-FGJ-H-E-HQQE Vertical, multistage centrifugal pump with inlet and outlet ports on same the level (inline). Pump materials in contact with the liquid are in high-grade stainless steel. A cartridge shaft seal ensures high reliability, safe handling, and easy access and service. Power transmission is via a rigid split coupling. Pipe connection is via combined DIN-ANSI-JIS flanges. The pump is fitted with a 3-phase, fan-cooled, permanent-magnet, synchronous motor. The motor efficiency is classified as IE5 in accordance with IEC 60034-30-2. The motor includes a frequency converter and PI controller in the motor terminal box. This enables continuously variable control of the motor speed, which again enables adaptation of the performance to a given requirement. An operating panel on the motor terminal box enables setting of required setpoint as well as setting of pump to "Min. " or "Max. " operation or to "Stop". The Grundfos Eye indicator on the operating panel provides visual indication of pump status: "Power on": Motor is running (rotating green indicator lights) or not running (permanently green indicator lights)
"Warning": Motor is still running (rotating yellow indicator lights) or has stopped (permanently yellow indicator lights)
"Alarm": Motor has stopped (flashing red indicator lights). Communication with the pump is possible by means of Grundfos GO Remote (accessory). The remote control enables further settings as well as reading out of a number of parameters such as "Actual value", "Speed", "Power input" and total "Power consumption". The terminal box has a number of inputs and outputs enabling the motor to be used in advanced applications where many inputs and outputs are required: two dedicated digital inputs
three analog inputs, 0(4)-20 mA, 0-5 V, 0-10 V, 0. 5-3. 5 V
5 V voltage supply to potentiometer and sensor
one analog output, 0-10 V, 0(4)-20 mA
two configurable digital inputs or open-collector outputs
two Pt100/Pt1000 inputs
LiqTec, dry-running protection sensor input
Grundfos Digital Sensor input and output
24 V voltage supply for sensors
two signal-relay outputs (potential-free contacts)
GENIbus connection
interface for Grundfos CIM fieldbus module.
Motor Curves
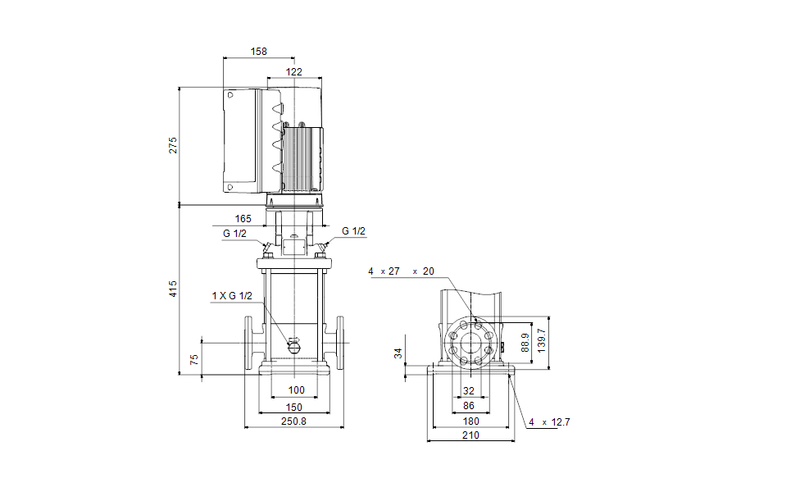
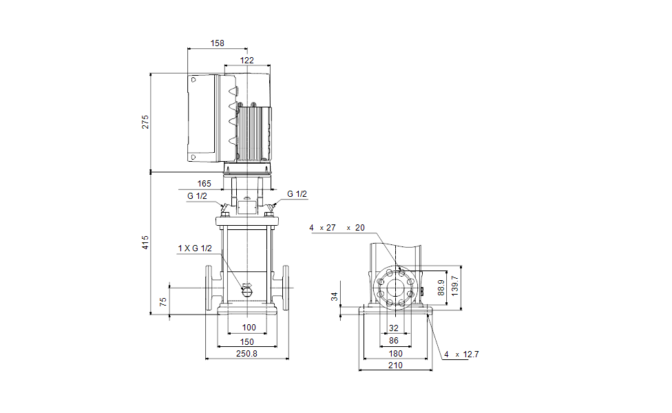
Dimensional Drawing
DWiring Diagram
Recently viewed
Similar Products
You'll Also Love...











































































