Description
CRNE 1-4 HN --- CR-H pumps are horizontal end suction pumps typically mounted on baseplates. The end suction design enables the pump to be installed horizontally in traditional, end suction design piping where the pump has an axial suction port and a radial center line discharge port. This design allows “back pull-out” capability. This means the pump usually can be easily serviced without removing the volute from the pipe system. CR-H pumps can be selected that meet ASME B73. 1 dimensional standards for suction and discharge piping as well as many of the baseplate dimensional standards. CR-H pumps do not fully comply with the ASME B73. 1 specification. MotorThe pump is fitted with an NEMA-flanged, footed, three-phaseMLE motor with frequency converter andPI-controller integrated in the motor terminalbox. No additional motor protection is required asboth motor and electronics are protected byintegrated overload and temperature protection. External sensor can be connected if controlledpump operation based on for example flow, differential pressure or temperature is required. A control panel enables setting of requiredsetpoint as well as setting of pump to MIN or MAXoperation or to STOP. The control panel hasindicator lights for "Operation" and "Fault". Communication with the pump is possible by meansof Grundfos R100 Remote Control enabling furthersettings as well as reading out of a number ofparameters such as "Actual value", "Speed", "Power input" and total "Power consumption". The terminal box holds terminals for theconnection of: Pump start/stop (potential-free contact), 
 external remote setpoint setting via analogsignal, 0 - 5 V, 0 - 10 V, 0(4) - 20 mA, 
 5 V voltage supply for setpoint potentiometer, Imax = 5 mA, 
 sensor, 0 - 5 V, 0 - 10 V, 0(4) - 20 mA, 
 24 V voltage supply for sensor, Imax = 40 mA, 
 input for forced control to MIN, MAX, External fault or Flowswitch(potential-free contact), 
 potential-free fault signal relay withchangeover contact, reporting Fault, Operation or Ready, 
 RS485 GENIbus.
Motor Curves
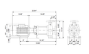
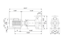
Dimensional Drawing
DWiring Diagram
Recently viewed
Similar Products
You'll Also Love...
 
      
 
      
 
      
 
       
       
       
       
       
       
       
       
       
       
       
       
      
 
       
       
      
 
      
 
      
 
      
 
      
 
      
 
       
       
       
      
 
      
 
      
 
      
 
      
 
      
 
      
 
      
 
       
       
       
       
       
       
       
      
 
      
 
      
 
       
       
       
       
       
       
       
       
       
       
       
       
       
       
       
       
       
       
       
       
       
       
       
       
       
       
       
      
 
      
 
      
 
      
 
       
       
       
       
      
 
      
 
      
 
      
 
      
 
       
      
 
      
 
      
 
       
       
       
       
       
       
      
 
       
       
      
 
      
 
      
 
       
       
       
       
      
 
       
       
       
       
       
      
 
       
       
       
       
      
 
      
 
       
      
 
      
 
      
 
      
 
      
 
       
       
      
 
      
 
      
 
      
 
      
 
      
 
      
 
      
 
      
 
      
 
                        
                       
                        
                       
                        
                       
                     
                     
                     
       
       
       
       
       
       
       
       
       
      
 
      
 
       
       
       
       
       
       
       
       
       
       
       
       
       
       
       
       
       
       
       
       
       
       
       
       
       
       
       
       
       
       
       
       
       
       
       
       
       
       
       
       
       
       
       
       
       
       
       
       
       
       
       
       
       
       
       
       
       
       
       
       
       
       
       
       
       
       
       
       
       
       
       
       
       
       
       
       
       
       
       
       
       
       
       
      
 
      
 
      
 
       
       
       
       
       
       
       
       
       
       
       
       
       
       
       
       
       
       
       
       
       
       
       
       
       
      
 
       
       
      
 
      
 
      
 
      
 
      
 
      
 
      
 
       
      
 
      
 
      
 
      
 
       
       
       
       
       
       
       
       
       
       
       
       
       
       
       
       
       
       
       
       
       
       
       
       
       
       
       
       
       
       
       
       
       
       
       
       
       
       
       
       
       
       
       
       
       
       
       
       
       
       
       
       
       
       
       
       
       
       
       
       
       
       
       
       
       
       
       
       
       
       
       
       
       
       
       
       
       
       
       
       
       
       
       
       
       
       
       
       
       
       
       
      
 
       
       
       
       
       
       
       
       
       
       
       
       
       
       
       
       
       
       
       
       
       
       
       
       
       
       
       
       
       
       
       
       
       
       
       
       
       
       
       
       
       
       
       
       
       
       
       
       
       
       
       
       
       
       
       
       
       
       
       
       
       
       
       
       
       
       
       
       
       
       
       
       
       
       
       
       
       
       
       
       
      
 
       
      
 
      
 
       
       
      
 
       
       
       
       
       
       
       
       
       
       
       
       
       
       
       
       
       
       
       
       
       
       
       
       
       
       
       
       
       
       
       
       
       
       
       
       
       
       
       
       
       
       
       
       
       
       
       
       
       
       
       
       
       
       
       
       
       
       
       
       
       
       
       
       
       
       
       
       
       
       
       
       
       
       
       
       
       
       
       
       
       
       
       
       
       
       
       
       
       
      