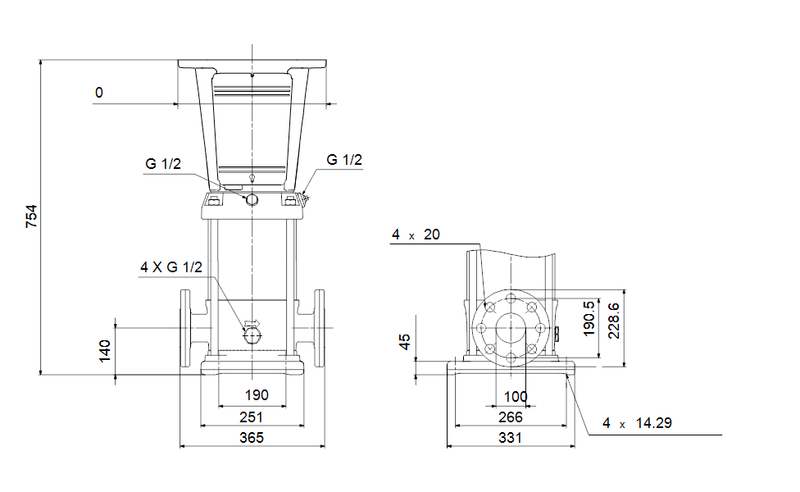
Description
CRN 64-2 P-G-A-E-HQQE Vertical, multistage centrifugal pump with inlet and outlet ports on same the level (inline). Pump materials in contact with the liquid are in high-grade stainless steel. A cartridge shaft seal ensures high reliability, safe handling, and easy access and service. Power transmission is via a rigid split coupling. Pipe connection is via ANSI flanges.
EAN
5713826772789
Actual impeller diameter
5.59 in
Approvals
CE
Approvals for drinking water
NSF/ANSI 61
Bearing 1
Graflon
Code for rubber
E
Code for shaft seal
HQQE
Connect code
G
Connection
PN 16
Curve tolerance
ISO9906:2012 3B
Diameter
5.59 in
DOE Pump Energy Index CL
0.93
Flange rating inlet
150 lb
Flange size for motor
254TC
Frequency converter
NONE
Gross weight
184.0 lb
Impeller
Stainless steel
Impellers
0
Liquid temperature range
-40 .. 248 °F
Low NPSH
N
Material code
A
Material Pricing Group
6
Max pressure at stated temp
232 psi / 250 °F
Maximum head
290.4 ft
Maximum operating pressure
16 bar
Model
B
Motor
254TC
Motor standard
NEMA
Net weight
166.0 lb
Number of reduced-diameter impellers
0
Pressure rating for connection
PN 16
Pressure sensor
N
Pump speed on which pump data are based
3521 rpm
Pump version
P
Rated flow
339 US gpm
Rated head
212.6 ft
Real Time
Delivery date to be confirmed on Sales Order Update with real time availability and Net price
Rubber
E
Size of inlet connection
4 inch
Size of outlet connection
4 inch
Stages
2
Standard
NEMA
Support bearing
Graflon
Type of connection
ANSI
Version
P
Motor Curves
Dimensional Drawing
Recently viewed
Similar Products
You'll Also Love...
Save $76.40

GRUNDFOS
Grundfos 99591437 - Spare LCP display for CUE | Submersible | Borehole | Vertical | High Head
Sale price$305.60
Regular price$382.00
Save $56.19

GRUNDFOS
Grundfos 96806135 - Flange Kit GF15/26 x 3/4" Sweat Vlv DiE
Sale price$71.81
Regular price$128.00
Save $4,969.10


GRUNDFOS
Grundfos 10731952 - BM 3A-52N NBR | Booster Module | Multistage | Inline
Sale price$9,645.90
Regular price$14,615.00
Save $82,454.00


GRUNDFOS
Grundfos 19933613 - BM 95-13R NBR | Submersible | Booster | High Pressure
Sale price$123,681.00
Regular price$206,135.00
Save $74,772.80


GRUNDFOS
Grundfos 19933611 - BM 95-11R NBR | Submersible | Booster | High Pressure
Sale price$112,159.20
Regular price$186,932.00
Save $950.00

Baldor
Baldor CL3608TM - 5 HP, 3450RPM, 1 Phase, 60HZ, 184TC, 3640LC, TEFC 60HZ Single Phase Single Phase 5 HP
Sale price$1,675.00
Regular price$2,625.00
Save $421.60

Baldor
Baldor CDP3310 - .25 HP, 1750RPM, DC, 56C, 3320P, Tenv, F1 25 HP 56°C
Sale price$757.40
Regular price$1,179.00
Save $244.25

Baldor
Baldor LPL50 - .5 HP, 3450RPM, 1 Phase, 60HZ, 3520S, Dental Lathe 60HZ Single Phase 5 HP
Sale price$732.75
Regular price$977.00
Save $950.00

Baldor
Baldor CL3608TM - 5 HP, 3450RPM, 1 Phase, 60HZ, 184TC, 3640LC, TEFC 60HZ Single Phase Single Phase 5 HP
Sale price$1,675.00
Regular price$2,625.00
Save $421.60

Baldor
Baldor CDP3310 - .25 HP, 1750RPM, DC, 56C, 3320P, Tenv, F1 25 HP 56°C
Sale price$757.40
Regular price$1,179.00
Save $907.00

Barmesa
Barmesa SRC8 Slide Rail Coupling 8.0" X 8.0" | Stainless Steel | Cast Iron
Sale price$3,628.00
Regular price$4,535.00
Save $424.60

Barmesa
Barmesa SRCH-3 Slide Rail Coupling 3.0" X 3.0" Stainless Steel Cast Iron
Sale price$1,698.40
Regular price$2,123.00
Save $228.60

Barmesa
Barmesa SRCH-2 Slide Rail Coupling 2.0" X 2.0" Stainless Steel Cast Iron
Sale price$914.40
Regular price$1,143.00

WorldWide Electric
Worldwide, 4 Lead, Single-Phase, 4 Pole, 60HZ, 1800 RPM, BBD7204
Sale price$5,395.16

WorldWide Electric
Worldwide, 4 Lead, Single-Phase, 4 Pole, 60HZ, 1800 RPM, BBD6204
Sale price$4,977.51

WorldWide Electric
Worldwide, 4 Lead, Single-Phase, 4 Pole, 60HZ, 1800 RPM, BBD5204
Sale price$4,551.36
Save $1,954.54


GRUNDFOS
Grundfos 99329815 - CME 10-1 A-S-G-E-AQQE U-A-A-N | Multistage | Centrifugal | Horizontal
Sale price$2,294.46
Regular price$4,249.00
Save $850.08


GRUNDFOS
Grundfos 98125766 - CM 1-6 A-S-I-E-AQQE B-A-A-N | Multistage | Centrifugal | Horizontal
Sale price$997.92
Regular price$1,848.00
Save $756.24


GRUNDFOS
Grundfos 97568342 - CM 3-2 A-S-G-E-AQQE E-A-A-N | Multistage | Centrifugal | Horizontal
Sale price$887.76
Regular price$1,644.00
Save $2,305.50

Baldor
Baldor SSBSM80C-475CA - 30 Lb. In. , Stainless Steel Bsm Servo Motor Stainless Steel
Sale price$6,916.50
Regular price$9,222.00
Save $2,241.50

Baldor
Baldor SSBSM80C-275CA - 17 Lb. In. , Stainless Steel Bsm Servo Motor Stainless Steel
Sale price$6,724.50
Regular price$8,966.00
Save $524.86


GRUNDFOS
Grundfos 99883241 - WEG 56C | Motor | TEFC | Energy Efficient
Sale price$616.14
Regular price$1,141.00
Save $3,092.52

GRUNDFOS
Grundfos 99887777 - WEG 254/6TC 3x575 2P 20HP W6 ODP | Motor | TEFC | Energy Efficient
Sale price$1,118.48
Regular price$4,211.00
Save $26.27

GRUNDFOS
Grundfos 96742103 - Gasket Package #2 for Basin Cover 8 Bolt
Sale price$38.73
Regular price$65.00
Save $1,954.54


GRUNDFOS
Grundfos 99329815 - CME 10-1 A-S-G-E-AQQE U-A-A-N | Multistage | Centrifugal | Horizontal
Sale price$2,294.46
Regular price$4,249.00
Save $756.24


GRUNDFOS
Grundfos 97568342 - CM 3-2 A-S-G-E-AQQE E-A-A-N | Multistage | Centrifugal | Horizontal
Sale price$887.76
Regular price$1,644.00
Save $850.08


GRUNDFOS
Grundfos 98125766 - CM 1-6 A-S-I-E-AQQE B-A-A-N | Multistage | Centrifugal | Horizontal
Sale price$997.92
Regular price$1,848.00
Save $3,801.07


GRUNDFOS
Grundfos 99968295 - CR 10-9 K-GJ-A-E-HQQE | Multistage | Centrifugal | Vertical | Inline
Sale price$5,079.93
Regular price$8,881.00
Save $3,549.40


GRUNDFOS
Grundfos 99968294 - CR 10-8 K-GJ-A-E-HQQE | Vertical | Multistage | Centrifugal
Sale price$4,743.60
Regular price$8,293.00
Save $2,110.90


GRUNDFOS
Grundfos 99968265 - CR 3-15 K-FGJ-A-E-HQQE | Vertical | Multistage | Centrifugal
Sale price$2,821.10
Regular price$4,932.00
Save $1,094.82

GRUNDFOS
Grundfos 96416225 - Kit | Chamber Stack CR 45-2-1 | Vertical | Multistage | Centrifugal
Sale price$2,043.18
Regular price$3,138.00
Save $4,246.65

GRUNDFOS
Grundfos 96416231 - Kit | Chamber Stack CR 45-5-1 | Vertical | Multistage | Centrifugal
Sale price$2,211.35
Regular price$6,458.00
Save $3,398.60

GRUNDFOS
Grundfos 96416242 - Kit | Chamber Stack CRN 45-2-1 | Vertical | Multistage | Centrifugal
Sale price$2,259.40
Regular price$5,658.00
Save $1,688.16


GRUNDFOS
Grundfos 96839796 - CR 1-19 A-FGJ-A-E-HQQE | Multistage | Centrifugal | Vertical | Inline
Sale price$1,828.84
Regular price$3,517.00
Save $1,214.40


GRUNDFOS
Grundfos 99915837 - CR 1-6 A-FGJ-A-E-HQQE | Multistage | Centrifugal | Vertical | Inline
Sale price$1,315.60
Regular price$2,530.00
Save $1,619.55


GRUNDFOS
Grundfos 99916321 - CR 3-12 A-B-A-E-HQQE | Multistage | Centrifugal | Vertical | Inline
Sale price$2,164.45
Regular price$3,784.00
Save $5,049.12


GRUNDFOS
Grundfos 99076226 - CRE 15-4 N-GJ-A-E-HQQE | Multistage | Centrifugal | Vertical | Inline
Sale price$5,469.88
Regular price$10,519.00
Save $3,626.40


GRUNDFOS
Grundfos 99392005 - CRE 10-4 N-BN-A-E-HQQE | Multistage | Centrifugal | Vertical | Inline
Sale price$3,928.60
Regular price$7,555.00
Save $2,990.40


GRUNDFOS
Grundfos 98161426 - CRN 10-4 A-P-A-E-HQQE | Multistage | Centrifugal | Vertical | Inline
Sale price$3,239.60
Regular price$6,230.00
Save $1,442.88


GRUNDFOS
Grundfos 96084805 - CRN 5-6 A-P-A-E-HQQE | Multistage | Centrifugal | Vertical | Inline
Sale price$1,563.12
Regular price$3,006.00
Save $3,315.72


GRUNDFOS
Grundfos 99918031 - CRN 32-1 A-G-A-E-HQQE | Multistage | Centrifugal | Vertical | Inline
Sale price$4,431.28
Regular price$7,747.00
Save $10,954.40

GRUNDFOS
Grundfos 99961196 - WEG 324/6TSC 3x230/460 2P 50HP W6 TE HYB | Motor | TEFC | Energy Efficient
Sale price$4,395.60
Regular price$15,350.00
Save $5,924.96

GRUNDFOS
Grundfos 99971471 - CR95-1-1 X-G-A-V-HQQV 230D/460Y 60 HZ | Vertical | Multistage | Centrifugal
Sale price$3,791.04
Regular price$9,716.00
Save $9,342.98

GRUNDFOS
Grundfos 99972073 - CRN95-1-1 X-G-A-V-HQQV 230D/460Y 60 HZ | Vertical | Multistage | Centrifugal
Sale price$4,222.02
Regular price$13,565.00
Save $4,070.00

GRUNDFOS
Grundfos 97775161 - Sine Wave 525-690 13A 130B2341
Sale price$4,070.00
Regular price$8,140.00
Save $7,507.00

GRUNDFOS
Grundfos 97775162 - Sine Wave 525-690 28A 130B2342
Sale price$7,507.00
Regular price$15,014.00
Save $11,212.50

GRUNDFOS
Grundfos 97775163 - Sine Wave 525-690 45A 130B2343
Sale price$11,212.50
Regular price$22,425.00
Save $14.80

GRUNDFOS
Grundfos 98529570 - Kit | Connector Plug MAGNA1 M/L | Circulator | Energy Efficient | Variable Speed
Sale price$59.20
Regular price$74.00
Save $1,954.54


GRUNDFOS
Grundfos 99329815 - CME 10-1 A-S-G-E-AQQE U-A-A-N | Multistage | Centrifugal | Horizontal
Sale price$2,294.46
Regular price$4,249.00
Save $850.08


GRUNDFOS
Grundfos 98125766 - CM 1-6 A-S-I-E-AQQE B-A-A-N | Multistage | Centrifugal | Horizontal
Sale price$997.92
Regular price$1,848.00
Save $756.24


GRUNDFOS
Grundfos 97568342 - CM 3-2 A-S-G-E-AQQE E-A-A-N | Multistage | Centrifugal | Horizontal
Sale price$887.76
Regular price$1,644.00
Save $76.40

GRUNDFOS
Grundfos 99591437 - Spare LCP display for CUE | Submersible | Borehole | Vertical | High Head
Sale price$305.60
Regular price$382.00
Save $63.75

GRUNDFOS
Grundfos 99381158 - Alarm, Spartan 1x120 | Submersible | Borehole | Vertical | High Head
Sale price$361.25
Regular price$425.00
Save $190.95

GRUNDFOS
Grundfos 99381162 - Panel | Spartan Sim 1x120, 13 | Submersible | Borehole | Vertical | High Head
Sale price$1,082.05
Regular price$1,273.00
Save $951.75

Baldor
Baldor VP3588-14 - 2 HP 3000RPM TEFC D90C Motor 2 HP
Sale price$2,855.25
Regular price$3,807.00
Save $373.75

Baldor
Baldor VP3439-14 - .75HP/.56KWITH 3000RPM/TEFC/D80C Motor 75 HP
Sale price$1,121.25
Regular price$1,495.00
Save $458.50

Baldor
Baldor VP3468-14 - 1.5HP/1.1KWITH 3000RPM/TEFC 34-6243Z178 1.5 HP
Sale price$1,375.50
Regular price$1,834.00
Save $6,162.92

GRUNDFOS
Grundfos 99287378 - DDE 200-4 B-PV/E/C-F-32A7A7BG | Dosing Pump | Economical | Digital
Sale price$234.08
Regular price$6,397.00
Save $4,032.28

GRUNDFOS
Grundfos 99291837 - DDE 60-10 B-PVC/E/C-F-32A7A7BG | Dosing Pump | Economical | Digital
Sale price$443.72
Regular price$4,476.00
Save $5,956.86

GRUNDFOS
Grundfos 99589882 - DME 940-4 AR-SS/T/SS-S-31A4A4B | Dosing Pump | Stepper Motor | High Accuracy
Sale price$9,317.14
Regular price$15,274.00
Save $5,906.16

GRUNDFOS
Grundfos 98158535 - DME 940-4 AR-SS/T/SS-F-31A4A4B | Dosing Pump | Stepper Motor | High Accuracy
Sale price$9,237.84
Regular price$15,144.00
Save $4,968.21

GRUNDFOS
Grundfos 98372478 - DME 375-10 AR-SS/T/SS-F-31A4A4B | Dosing Pump | Stepper Motor | High Accuracy
Sale price$7,770.79
Regular price$12,739.00
Save $248.27

GRUNDFOS
Grundfos 99855113 - DMH 270-10 B-SS/V/SS-X-F1A3A3XAG | Dosing Pump | High Precision | Chemical Use
Sale price$8,740.73
Regular price$8,989.00
Save $1,767.64

GRUNDFOS
Grundfos 99893036 - DMH 13-10 B-PVC/V/C-X-F1A9A9XAG | Dosing Pump | High Precision | Chemical Use
Sale price$1,295.36
Regular price$3,063.00
Save $3,208.32

GRUNDFOS
Grundfos 99954733 - DMH 13-10 B-PVC/T/T-X-F1A9A9XAG | Dosing Pump | High Precision | Chemical Use
Sale price$361.68
Regular price$3,570.00
Save $597.50

Baldor
Baldor VJPFPM3313T - 10//7.5 HP, 1760//1460RPM, 3 Phase, 60//50HZ, 215 50HZ Three Phase 7.5 HP
Sale price$1,792.50
Regular price$2,390.00
Save $4,457.75

Baldor
Baldor VJPFPM2559T-4 - 76M 4P Opsb Ver 405TCZ Dripcover 76 M Cable
Sale price$13,373.25
Regular price$17,831.00
Save $3,800.25

Baldor
Baldor VJPFPM2555T - 62M 4P Opsb Ver 404TCZ Dripcover 62 M Cable
Sale price$11,400.75
Regular price$15,201.00
Save $298.25

Baldor
Baldor LPL75 - .75 HP, 3600RPM, 1 Phase, 60HZ, 3524C, Dental Lath 60HZ Single Phase 75 HP 3524°C
Sale price$894.75
Regular price$1,193.00
Save $14.80

GRUNDFOS
Grundfos 98529570 - Kit | Connector Plug MAGNA1 M/L | Circulator | Energy Efficient | Variable Speed
Sale price$59.20
Regular price$74.00
Save $56.19

GRUNDFOS
Grundfos 96806135 - Flange Kit GF15/26 x 3/4" Sweat Vlv DiE
Sale price$71.81
Regular price$128.00
Save $216.40

GRUNDFOS
Grundfos 97751575 - Kit | Valve & Diaph | Digital Input | Alarm | Monitoring
Sale price$865.60
Regular price$1,082.00
Save $53.80

GRUNDFOS
Grundfos 99580611 - Kit | Venting Valve SD-XL, PVDF/V/C
Sale price$215.20
Regular price$269.00
Save $112.00

GRUNDFOS
Grundfos 97751533 - Kit | Valve & Diaph DDA/C/E 6 TO 9 | Dosing Pump | Digital | High Accuracy
Sale price$448.00
Regular price$560.00
Save $76.40

GRUNDFOS
Grundfos 99591437 - Spare LCP display for CUE | Submersible | Borehole | Vertical | High Head
Sale price$305.60
Regular price$382.00
Save $216.40

GRUNDFOS
Grundfos 97751575 - Kit | Valve & Diaph | Digital Input | Alarm | Monitoring
Sale price$865.60
Regular price$1,082.00
Save $53.80

GRUNDFOS
Grundfos 99580611 - Kit | Venting Valve SD-XL, PVDF/V/C
Sale price$215.20
Regular price$269.00
Save $6,037.96


GRUNDFOS
Grundfos 99887831 - WEG 284TSC | Motor | TEFC | Energy Efficient
Sale price$7,088.04
Regular price$13,126.00
Save $1,954.54


GRUNDFOS
Grundfos 99329815 - CME 10-1 A-S-G-E-AQQE U-A-A-N | Multistage | Centrifugal | Horizontal
Sale price$2,294.46
Regular price$4,249.00
Save $850.08


GRUNDFOS
Grundfos 98125766 - CM 1-6 A-S-I-E-AQQE B-A-A-N | Multistage | Centrifugal | Horizontal
Sale price$997.92
Regular price$1,848.00
Save $756.24


GRUNDFOS
Grundfos 97568342 - CM 3-2 A-S-G-E-AQQE E-A-A-N | Multistage | Centrifugal | Horizontal
Sale price$887.76
Regular price$1,644.00
Save $193.00

GRUNDFOS
Grundfos 91123941 - Liquid Level Switch Kit 3" MANIFOLD
Sale price$772.00
Regular price$965.00
Save $181.90

GRUNDFOS
Grundfos 99613063 - Tank 6.4GAL 150# ASME DD 390602
Sale price$1,637.10
Regular price$1,819.00
Save $202.20

GRUNDFOS
Grundfos 99613065 - Tank 8.6GAL 150# ASME DD 390603
Sale price$1,819.80
Regular price$2,022.00
Save $228.50

GRUNDFOS
Grundfos 99613066 - Tank 16.6GAL 150# ASME DD 401681
Sale price$2,056.50
Regular price$2,285.00
Save $929.91


GRUNDFOS
Grundfos 98992936 - MTC 2-6/4 A-WB-A-AQQV | Multistage | Immersible | SelfPriming | Centrifugal | Vertical Installation | Vertical
Sale price$1,300.09
Regular price$2,230.00
Save $977.86


GRUNDFOS
Grundfos 98993319 - MTC 4-5/3 A-WB-A-AQQV | Multistage | Immersible | SelfPriming | Centrifugal | Vertical Installation | Vertical
Sale price$1,367.14
Regular price$2,345.00
Save $7,171.30

GRUNDFOS
Grundfos 99291833 - DDA 200-4 FCM-PV/V/C-F-32A7A7BG | Horizontal | End Suction | Centrifugal
Sale price$3,375.70
Regular price$10,547.00
Save $1,192.64


GRUNDFOS
Grundfos 92560410 - NBS 060-110/10.75 AASG7SAESDQQEOY6 | SelfPriming | Centrifugal | Horizontal
Sale price$20,893.36
Regular price$22,086.00
Save $1,142.21


GRUNDFOS
Grundfos 92560409 - NBS 060-110/10.75 AASG7SAESDQQEOY6 | SelfPriming | Centrifugal | Horizontal
Sale price$20,009.79
Regular price$21,152.00
Save $1,123.85


GRUNDFOS
Grundfos 92560406 - NBS 060-110/10.20 AASG7SAESDQQENY6 | SelfPriming | Centrifugal | Horizontal
Sale price$19,688.15
Regular price$20,812.00
Save $14,243.76

GRUNDFOS
Grundfos 99961197 - WEG 364/5TSC 3x230/460 2P 60HP W6 TE CIB | Motor | TEFC | Energy Efficient
Sale price$4,827.24
Regular price$19,071.00
Save $310.96

GRUNDFOS
Grundfos 91134900 - ML71AA 230/460-2 1/3HP 56C | Motor | High Efficiency
Sale price$365.04
Regular price$676.00
Save $332.12

GRUNDFOS
Grundfos 91134901 - ML71AB 230/460-2 1/2HP 56C | Motor | High Efficiency
Sale price$389.88
Regular price$722.00
Save $2,760.92

GRUNDFOS
Grundfos 99586675 - MGE132SF 3R430-1 7.5kW B14 IEC PGK
Sale price$3,241.08
Regular price$6,002.00
Save $2,010.66

GRUNDFOS
Grundfos 99586773 - MGE112MC R430-1 4.6kW B14 IEC PGK
Sale price$2,360.34
Regular price$4,371.00
Save $2,421.90

GRUNDFOS
Grundfos 99586774 - MGE132SE 3R430-1 6.0kW B14 IEC Package
Sale price$2,843.10
Regular price$5,265.00
Save $524.86


GRUNDFOS
Grundfos 99883241 - WEG 56C | Motor | TEFC | Energy Efficient
Sale price$616.14
Regular price$1,141.00
Save $3,092.52

GRUNDFOS
Grundfos 99887777 - WEG 254/6TC 3x575 2P 20HP W6 ODP | Motor | TEFC | Energy Efficient
Sale price$1,118.48
Regular price$4,211.00
Save $2,572.12

GRUNDFOS
Grundfos 99947812 - CMBE 1-44 I-X-C-E-D-E 1x115V 60Hz RPL | Horizontal | End Suction | Centrifugal
Sale price$2,046.88
Regular price$4,619.00
Save $3,022.08

GRUNDFOS
Grundfos 99947844 - CMBE10-54 I-U-C-E-D-G 1x200-240 60 RPL | Horizontal | End Suction | Centrifugal
Sale price$4,757.92
Regular price$7,780.00
Save $1,954.54


GRUNDFOS
Grundfos 99329815 - CME 10-1 A-S-G-E-AQQE U-A-A-N | Multistage | Centrifugal | Horizontal
Sale price$2,294.46
Regular price$4,249.00
Save $929.91


GRUNDFOS
Grundfos 98992936 - MTC 2-6/4 A-WB-A-AQQV | Multistage | Immersible | SelfPriming | Centrifugal | Vertical Installation | Vertical
Sale price$1,300.09
Regular price$2,230.00
Save $756.24


GRUNDFOS
Grundfos 97568342 - CM 3-2 A-S-G-E-AQQE E-A-A-N | Multistage | Centrifugal | Horizontal
Sale price$887.76
Regular price$1,644.00
Save $11,862.63

GRUNDFOS
Grundfos 99852649 - Sensor | Turbidity, Organics, Plug Type
Sale price$8,809.37
Regular price$20,672.00
Save $181.90

GRUNDFOS
Grundfos 99613063 - Tank 6.4GAL 150# ASME DD 390602
Sale price$1,637.10
Regular price$1,819.00
Save $202.20

GRUNDFOS
Grundfos 99613065 - Tank 8.6GAL 150# ASME DD 390603
Sale price$1,819.80
Regular price$2,022.00
Save $228.50

GRUNDFOS
Grundfos 99613066 - Tank 16.6GAL 150# ASME DD 401681
Sale price$2,056.50
Regular price$2,285.00
Save $149.70


GRUNDFOS
Grundfos 97748941 - RPI/--0-4.0b/1/ F/M2.00-X/EG6/--/---/SC-1 | Pump Interface | Remote Control
Sale price$349.30
Regular price$499.00
Save $56.19

GRUNDFOS
Grundfos 96806135 - Flange Kit GF15/26 x 3/4" Sweat Vlv DiE
Sale price$71.81
Regular price$128.00
Save $216.40

GRUNDFOS
Grundfos 97751575 - Kit | Valve & Diaph | Digital Input | Alarm | Monitoring
Sale price$865.60
Regular price$1,082.00
Save $216.40

GRUNDFOS
Grundfos 97751575 - Kit | Valve & Diaph | Digital Input | Alarm | Monitoring
Sale price$865.60
Regular price$1,082.00
Save $56.19

GRUNDFOS
Grundfos 96806135 - Flange Kit GF15/26 x 3/4" Sweat Vlv DiE
Sale price$71.81
Regular price$128.00
Save $56.19

GRUNDFOS
Grundfos 96806135 - Flange Kit GF15/26 x 3/4" Sweat Vlv DiE
Sale price$71.81
Regular price$128.00
Save $2,086.10


GRUNDFOS
Grundfos 99059799 - CM 15-3 A-S-I-E-AQQE E-A-A-N | Horizontal | End Suction | Centrifugal
Sale price$2,448.90
Regular price$4,535.00
Save $902.06


GRUNDFOS
Grundfos 96806911 - CM 3-4 A-S-G-V-AQQV B-A-A-N | Horizontal | End Suction | Centrifugal
Sale price$1,058.94
Regular price$1,961.00
Save $1,954.54


GRUNDFOS
Grundfos 99329815 - CME 10-1 A-S-G-E-AQQE U-A-A-N | Multistage | Centrifugal | Horizontal
Sale price$2,294.46
Regular price$4,249.00
Save $929.91


GRUNDFOS
Grundfos 98992936 - MTC 2-6/4 A-WB-A-AQQV | Multistage | Immersible | SelfPriming | Centrifugal | Vertical Installation | Vertical
Sale price$1,300.09
Regular price$2,230.00
Save $850.08


GRUNDFOS
Grundfos 98125766 - CM 1-6 A-S-I-E-AQQE B-A-A-N | Multistage | Centrifugal | Horizontal
Sale price$997.92
Regular price$1,848.00
Save $216.40

GRUNDFOS
Grundfos 97751575 - Kit | Valve & Diaph | Digital Input | Alarm | Monitoring
Sale price$865.60
Regular price$1,082.00
Save $53.80

GRUNDFOS
Grundfos 99580611 - Kit | Venting Valve SD-XL, PVDF/V/C
Sale price$215.20
Regular price$269.00
Save $3,550.50

GRUNDFOS
Grundfos 96804572 - TP100-160/2 A-G-A-RUUE 3X230/460 60HZ | Circulator | Heating | Domestic Use
Sale price$4,339.50
Regular price$7,890.00
Save $5,082.00


GRUNDFOS
Grundfos 99884124 - TPE3 D 80-110 S-A-G-A-BQQE-GBB | Inline | Variable Speed | Energy Efficient
Sale price$11,857.00
Regular price$16,939.00
Save $5,214.00


GRUNDFOS
Grundfos 99884119 - TPE3 80-180 S-A-G-I-BQQE-IBB | Inline | Variable Speed | Energy Efficient
Sale price$12,165.00
Regular price$17,379.00
Save $26.27

GRUNDFOS
Grundfos 96742103 - Gasket Package #2 for Basin Cover 8 Bolt
Sale price$38.73
Regular price$65.00
Save $929.91


GRUNDFOS
Grundfos 98992936 - MTC 2-6/4 A-WB-A-AQQV | Multistage | Immersible | SelfPriming | Centrifugal | Vertical Installation | Vertical
Sale price$1,300.09
Regular price$2,230.00
Save $977.86


GRUNDFOS
Grundfos 98993319 - MTC 4-5/3 A-WB-A-AQQV | Multistage | Immersible | SelfPriming | Centrifugal | Vertical Installation | Vertical
Sale price$1,367.14
Regular price$2,345.00
Save $149.70


GRUNDFOS
Grundfos 97748941 - RPI/--0-4.0b/1/ F/M2.00-X/EG6/--/---/SC-1 | Pump Interface | Remote Control
Sale price$349.30
Regular price$499.00
Save $264.40

Barmesa
Barmesa SQM-2 Slide Rail Coupling 2" for BSV Series Pum| Stainless Steel
Sale price$1,057.60
Regular price$1,322.00
Save $1,536.80

Barmesa
Barmesa CUT754 Roto Blade Submersible Sewage Pump 7.5 HP 460V 3PH 40' Cord Manual | Enclosure | 104°F | 40°C | Industrial Use
Sale price$6,147.20
Regular price$7,684.00
Save $929.91


GRUNDFOS
Grundfos 98992936 - MTC 2-6/4 A-WB-A-AQQV | Multistage | Immersible | SelfPriming | Centrifugal | Vertical Installation | Vertical
Sale price$1,300.09
Regular price$2,230.00
Save $977.86


GRUNDFOS
Grundfos 98993319 - MTC 4-5/3 A-WB-A-AQQV | Multistage | Immersible | SelfPriming | Centrifugal | Vertical Installation | Vertical
Sale price$1,367.14
Regular price$2,345.00
Save $2,280.80

Baldor
Baldor 1453 - 7.5 HP, 3000/3600RPM, 3 Phase, 50/60HZ, 3735M 60HZ Three Phase 7.5 HP 3735 M Cable
Sale price$3,421.20
Regular price$5,702.00
Save $3,550.50

GRUNDFOS
Grundfos 96804572 - TP100-160/2 A-G-A-RUUE 3X230/460 60HZ | Circulator | Heating | Domestic Use
Sale price$4,339.50
Regular price$7,890.00
Save $5,623.65


GRUNDFOS
Grundfos 96411853 - TP 100-160/2 A-G-Z-BUBE-JX2 | Centrifugal
Sale price$6,873.35
Regular price$12,497.00
Save $6,059.25


GRUNDFOS
Grundfos 96411852 - TP 100-160/2 A-G-Z-BUBE-JX2 | Centrifugal
Sale price$7,405.75
Regular price$13,465.00
Save $5,082.00


GRUNDFOS
Grundfos 99884124 - TPE3 D 80-110 S-A-G-A-BQQE-GBB | Inline | Variable Speed | Energy Efficient
Sale price$11,857.00
Regular price$16,939.00
Save $5,214.00


GRUNDFOS
Grundfos 99884119 - TPE3 80-180 S-A-G-I-BQQE-IBB | Inline | Variable Speed | Energy Efficient
Sale price$12,165.00
Regular price$17,379.00
Save $4,859.00


GRUNDFOS
Grundfos 99884118 - TPE3 80-150 S-A-G-I-BQQE-HBB | Inline | Variable Speed | Energy Efficient
Sale price$11,338.00
Regular price$16,197.00