Description
CRN 64-2-2 Vertical, non-self-priming, multistage, in-line, centrifugal pump for installation in pipe systemsand mounting on a foundation. The pump has the following characteristics: Impellers, intermediate chambers and outersleeve are made ofStainless steel DIN W. -Nr. EN 1. 4401.
Pump head cover and base are made ofStainless steel DIN W. -Nr. EN 1. 4408.
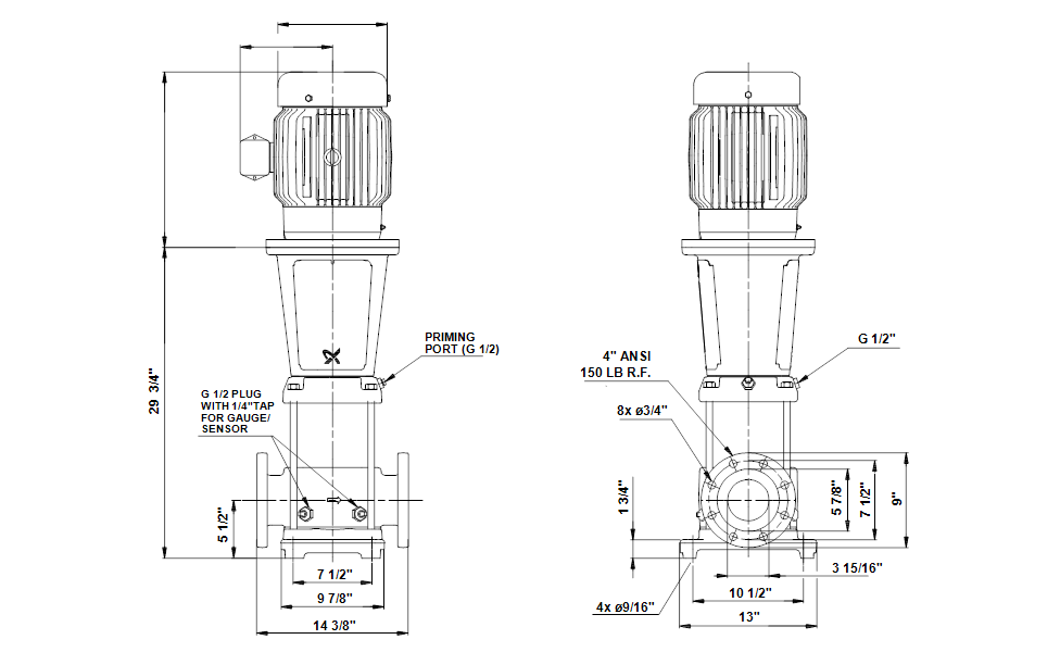
The shaft seal has assembly lengthaccording to DIN 24960.
Power transmission is via cast iron splitcoupling.
Pipework connection is via ANSIflanges/couplings.
Motor Curves
Dimensional Drawing
Grundfos CR high pressure pumps (Product brochure)
CRN PUMP MODEL GS (Product brochure)
CR & CRN Quick Ship Program (Product brochure)
CR, CRI, CRN, CRT (I & O instructions)
CR, CRI, CRN - Vertical multistage centrifugal pumps (Data booklet)
CR, CRI, CRN, CRT, CRE, CRIE, CRNE, CRTE (Custom-built pumps) (Data booklet)
CR, CRN High Pressure (Data booklet)
Recently viewed
Similar Products
You'll Also Love...




























































































































































































