Description
Grundfos 97735972 - CRN 64-1-1 H-G10-A-E-HQQE Vertical Multistage Centrifugal Pump
The Grundfos 97735972 - CRN 64-1-1 H-G10-A-E-HQQE is a high-performance vertical multistage centrifugal pump designed for a variety of industrial applications. Manufactured by Grundfos, a leader in pump technology, this model ensures reliability and efficiency in fluid handling.
This pump is ideal for boosting pressure in water supply systems, industrial processes, and HVAC applications. Its robust construction and advanced design make it suitable for demanding environments, providing consistent performance and longevity.
At Pump-Stop.com, we are your preferred source for replacement pumps and parts. If you have questions or need assistance in finding the right pump for your application, please don't hesitate to call us at (781) 281-8905. We recommend checking your current pump for the exact part number or SKU to ensure compatibility.
Explore our extensive range of Grundfos centrifugal pumps, including single and multi-stage options, and discover the perfect solution for your needs.
Motor Curves
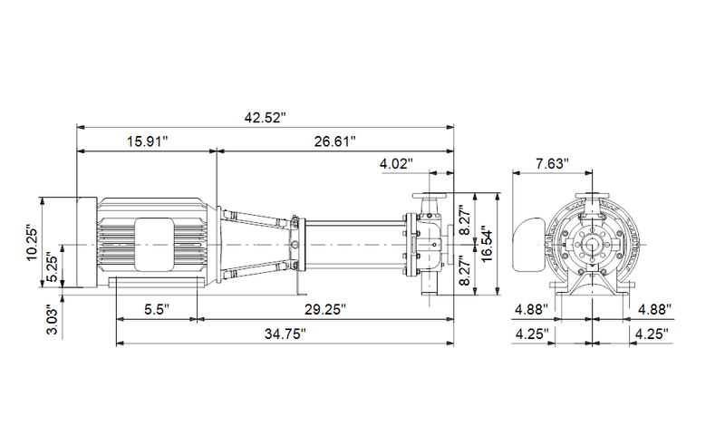
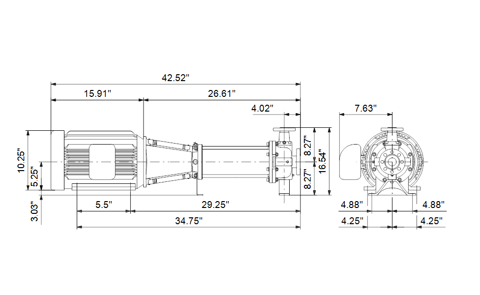
Dimensional Drawing
Recently viewed
Similar Products
You'll Also Love...


















































































