Description
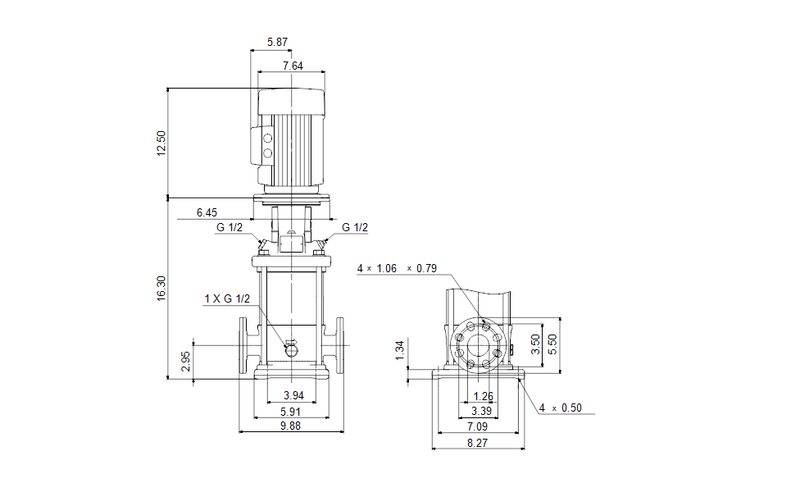
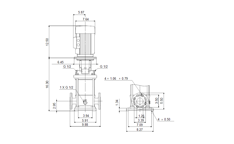
CRN 5-6 A-FGJ-A-E-HQQE Vertical, multistage centrifugal pump with inlet and outlet ports on same the level (inline). Pump materials in contact with the liquid are in high-grade stainless steel. A cartridge shaft seal ensures high reliability, safe handling, and easy access and service. Power transmission is via a rigid split coupling. Pipe connection is via combined DIN-ANSI-JIS flanges. The pump is fitted with a 3-phase, fan-cooled asynchronous motor.
        EAN
        5715114118620
      
    
    
    
    
    
    
    
    
    
    
    
    
    
      
        Applications
        Industrial applications
      
    
    
    
    
      
    
      
        
          
            Approvals
            
              CURUS
            
          
        
      
    
      
        
          
            Approvals for drinking water
            
              NSF/ANSI 61
            
          
        
      
    
      
        
          
            Bearing 1
            
              SIC
            
          
        
      
    
      
        
          
            Built-in motor protection
            
              NONE
            
          
        
      
    
      
        
          
            Code for rubber
            
              E
            
          
        
      
    
      
        
          
            Code for shaft seal
            
              HQQE
            
          
        
      
    
      
        
          
            Connect code
            
              FGJ
            
          
        
      
    
      
        
          
            Connection
            
              DIN / ANSI / JIS
            
          
        
      
    
      
        
          
            Connection 2
            
              DN 25/32
            
          
        
      
    
      
        
          
            Connection 3
            
              DN 25/32
            
          
        
      
    
      
        
          
            Connection 4
            
              PN 25
            
          
        
      
    
      
        
          
            Cooling
            
              IC 411
            
          
        
      
    
      
        
          
            Curve tolerance
            
              ISO9906:2012 3B
            
          
        
      
    
      
        
          
            Density
            
              62.29 lb/ft³
            
          
        
      
    
      
    
      
    
      
    
      
        
          
            Enclosure class (IEC 34-5)
            
              IP55
            
          
        
      
    
      
        
          
            Eta 1/1
            
              0.855
            
          
        
      
    
      
        
          
            Flange rating inlet
            
              300 lb
            
          
        
      
    
      
        
          
            Flange size for motor
            
              56C
            
          
        
      
    
      
        
          
            Frequency
            
              60 HZ
            
          
        
      
    
      
        
          
            Frequency converter
            
              NONE
            
          
        
      
    
      
        
          
            Full load SF current
            
              5.68/2.84 A
            
          
        
      
    
      
        
          
            Gross weight
            
              
              
              
              99.3 lb
            
          
        
      
    
      
        
          
            IE Eff. Class
            
              IE3 / NEMA Premium
            
          
        
      
    
      
        
          
            IE efficiency
            
              IE3 85,5%
            
          
        
      
    
      
        
          
            IE Efficiency class
            
              IE3 / NEMA Premium
            
          
        
      
    
      
        
          
            Impeller
            
              Stainless steel
            
          
        
      
    
      
        
          
            Impellers
            
              6
            
          
        
      
    
      
        
          
            Insulation
            
              F
            
          
        
      
    
      
        
          
            Insulation class (IEC 85)
            
              F
            
          
        
      
    
      
    
      
        
          
            Liquid max temp
            
              120°C
            
          
        
      
    
      
        
          
            Liquid temperature range
            
              -4 .. 248 °F
            
          
        
      
    
      
        
          
            Low NPSH
            
              N
            
          
        
      
    
      
        
          
            Material code
            
              A
            
          
        
      
    
      
        
          
            Material Pricing Group
            
              6
            
          
        
      
    
      
        
          
            Max pressure at stated temp
            
              363 psi / 250 °F
            
          
        
      
    
      
        
          
            Maximum ambient temperature
            
              104 °F
            
          
        
      
    
      
        
          
            Maximum head
            
              203.8 ft
            
          
        
      
    
      
        
          
            Maximum operating pressure
            
              362.59 psi
            
          
        
      
    
      
        
          
            Maximum permissible operating pressure
            
              25bar
            
          
        
      
    
      
        
          
            Model
            
              A
            
          
        
      
    
      
        
          
            Motor
            
              56C
            
          
        
      
    
      
    
      
        
          
            Motor efficiency at 1/2 load
            
              0.825
            
          
        
      
    
      
        
          
            Motor efficiency at 3/4 load
            
              0.855
            
          
        
      
    
      
        
          
            Motor efficiency at full load 1
            
              0.855
            
          
        
      
    
      
        
          
            Motor protec
            
              NONE
            
          
        
      
    
      
        
          
            Motor standard
            
              NEMA
            
          
        
      
    
      
        
          
            Motor type
            
              WEG
            
          
        
      
    
      
        
          
            n rpm
            
              3520rpm
            
          
        
      
    
      
        
          
            Net weight
            
              
              
              
              84.8 lb
            
          
        
      
    
      
        
          
            Number of poles
            
              2
            
          
        
      
    
      
        
          
            Number of reduced-diameter impellers
            
              0
            
          
        
      
    
      
        
          
            P2 HP
            
              2 HP
            
          
        
      
    
      
        
          
            P2 kW
            
              1.5kW
            
          
        
      
    
      
        
          
            Phase
            
              3
            
          
        
      
    
      
        
          
            Power (P2) required by pump
            
              2 HP
            
          
        
      
    
      
        
          
            Power factor 1
            
              0.89
            
          
        
      
    
      
        
          
            Pressure rating
            
              PN 25
            
          
        
      
    
      
        
          
            Pressure rating for connection
            
              PN 25
            
          
        
      
    
      
        
          
            Product family
            
              CRN 5
            
          
        
      
    
      
        
          
            Pump
            
              2 HP
            
          
        
      
    
      
        
          
            Pump housing
            
              Stainless steel
            
          
        
      
    
      
        
          
            Pump inlet
            
              DN 25/32
            
          
        
      
    
      
        
          
            Pump outlet
            
              DN 25/32
            
          
        
      
    
      
        
          
            Pump version
            
              A
            
          
        
      
    
      
        
          
            Pumped liquid
            
              Water
            
          
        
      
    
      
        
          
            Rated current
            
              4.94/2.47 A
            
          
        
      
    
      
        
          
            Rated flow
            
              30.4 US gpm
            
          
        
      
    
      
        
          
            Rated flow 2
            
              30.4 US gpm
            
          
        
      
    
      
        
          
            Rated head
            
              147.6 ft
            
          
        
      
    
      
        
          
            Rated head 2
            
              147.6 ft
            
          
        
      
    
      
        
          
            Rated power - P2
            
              2 HP
            
          
        
      
    
      
        
          
            Rated speed
            
              3520 rpm
            
          
        
      
    
      
        
          
            Rated voltage
            
              3 x 230/460 V
            
          
        
      
    
      
        
          
            Real Time
            
              1 Available on 10/6/2023 Plant: Allentown Update with real time availability and Net price
            
          
        
      
    
      
        
          
            Rubber
            
              E
            
          
        
      
    
      
        
          
            Selected liquid temperature
            
              68 °F
            
          
        
      
    
      
        
          
            Service factor
            
              1.15
            
          
        
      
    
      
        
          
            Shaft seal
            
              HQQE
            
          
        
      
    
      
        
          
            Size of inlet connection
            
              DN 25/32
            
          
        
      
    
      
        
          
            Size of outlet connection
            
              DN 25/32
            
          
        
      
    
      
        
          
            Stages
            
              6
            
          
        
      
    
      
        
          
            Standard
            
              NEMA
            
          
        
      
    
      
        
          
            Starting current
            
              9.9
            
          
        
      
    
      
        
          
            Type
            
              WEG
            
          
        
      
    
      
        
          
            Type of connection
            
              DIN / ANSI / JIS
            
          
        
      
    
      
        
          
            Version
            
              A
            
          
        
      
    
      
    
    
    
    
      
    
      
    
  Motor Curves
Dimensional Drawing
DWiring Diagram
Recently viewed
Similar Products
You'll Also Love...
Save $4,969.10

 
      GRUNDFOS
Grundfos 10731952 - BM 3A-52N NBR | Booster Module | Multistage | Inline
        
                Sale price$9,645.90
              
                Regular price$14,615.00
         
Save $82,454.00

 
      GRUNDFOS
Grundfos 19933613 - BM 95-13R NBR | Submersible | Booster | High Pressure
        
                Sale price$123,681.00
              
                Regular price$206,135.00
         
Save $74,772.80

 
      GRUNDFOS
Grundfos 19933611 - BM 95-11R NBR | Submersible | Booster | High Pressure
        
                Sale price$112,159.20
              
                Regular price$186,932.00
         
Save $950.00
 
      Baldor
Baldor CL3608TM - 5 HP, 3450RPM, 1 Phase, 60HZ, 184TC, 3640LC, TEFC 60HZ Single Phase Single Phase 5 HP
        
                Sale price$1,675.00
              
                Regular price$2,625.00
         
Save $421.60
 
      Baldor
Baldor CDP3310 - .25 HP, 1750RPM, DC, 56C, 3320P, Tenv, F1 25 HP 56°C
        
                Sale price$757.40
              
                Regular price$1,179.00
         
Save $244.25
 
      Baldor
Baldor LPL50 - .5 HP, 3450RPM, 1 Phase, 60HZ, 3520S, Dental Lathe 60HZ Single Phase 5 HP
        
                Sale price$732.75
              
                Regular price$977.00
         
Save $950.00
 
      Baldor
Baldor CL3608TM - 5 HP, 3450RPM, 1 Phase, 60HZ, 184TC, 3640LC, TEFC 60HZ Single Phase Single Phase 5 HP
        
                Sale price$1,675.00
              
                Regular price$2,625.00
         
Save $421.60
 
      Baldor
Baldor CDP3310 - .25 HP, 1750RPM, DC, 56C, 3320P, Tenv, F1 25 HP 56°C
        
                Sale price$757.40
              
                Regular price$1,179.00
         
Save $424.60
 
      Barmesa
Barmesa SRCH-3 Slide Rail Coupling 3.0" X 3.0" Stainless Steel Cast Iron
        
                Sale price$1,698.40
              
                Regular price$2,123.00
         
Save $228.60
 
      Barmesa
Barmesa SRCH-2 Slide Rail Coupling 2.0" X 2.0" Stainless Steel Cast Iron
        
                Sale price$914.40
              
                Regular price$1,143.00
         
Save $252.80
 
      Barmesa
Barmesa SRC6-FA Slide Rail Adapter | Stainless Steel
        
                Sale price$1,011.20
              
                Regular price$1,264.00
         
 
      WorldWide Electric
Worldwide, 4 Lead, Single-Phase, 4 Pole, 60HZ, 1800 RPM, BBD7204
        
              Sale price$5,395.16
         
 
      WorldWide Electric
Worldwide, 4 Lead, Single-Phase, 4 Pole, 60HZ, 1800 RPM, BBD6204
        
              Sale price$4,977.51
         
 
      WorldWide Electric
Worldwide, 4 Lead, Single-Phase, 4 Pole, 60HZ, 1800 RPM, BBD5204
        
              Sale price$4,551.36
         
Save $1,954.54

 
      GRUNDFOS
Grundfos 99329815 - CME 10-1 A-S-G-E-AQQE U-A-A-N | Multistage | Centrifugal | Horizontal
        
                Sale price$2,294.46
              
                Regular price$4,249.00
         
Save $850.08

 
      GRUNDFOS
Grundfos 98125766 - CM 1-6 A-S-I-E-AQQE B-A-A-N | Multistage | Centrifugal | Horizontal
        
                Sale price$997.92
              
                Regular price$1,848.00
         
Save $756.24

 
      GRUNDFOS
Grundfos 97568342 - CM 3-2 A-S-G-E-AQQE E-A-A-N | Multistage | Centrifugal | Horizontal
        
                Sale price$887.76
              
                Regular price$1,644.00
         
Save $2,305.50
 
      Baldor
Baldor SSBSM80C-475CA - 30 Lb. In. , Stainless Steel Bsm Servo Motor Stainless Steel
        
                Sale price$6,916.50
              
                Regular price$9,222.00
         
Save $524.86

 
      GRUNDFOS
Grundfos 99883241 - WEG 56C | Motor | TEFC | Energy Efficient
        
                Sale price$616.14
              
                Regular price$1,141.00
         
Save $3,092.52
 
      GRUNDFOS
Grundfos 99887777 - WEG 254/6TC 3x575 2P 20HP W6 ODP | Motor | TEFC | Energy Efficient
        
                Sale price$1,118.48
              
                Regular price$4,211.00
         
Save $26.27
 
      GRUNDFOS
Grundfos 96742103 - Gasket Package #2 for Basin Cover 8 Bolt
        
                Sale price$38.73
              
                Regular price$65.00
         
Save $1,954.54

 
      GRUNDFOS
Grundfos 99329815 - CME 10-1 A-S-G-E-AQQE U-A-A-N | Multistage | Centrifugal | Horizontal
        
                Sale price$2,294.46
              
                Regular price$4,249.00
         
Save $756.24

 
      GRUNDFOS
Grundfos 97568342 - CM 3-2 A-S-G-E-AQQE E-A-A-N | Multistage | Centrifugal | Horizontal
        
                Sale price$887.76
              
                Regular price$1,644.00
         
Save $850.08

 
      GRUNDFOS
Grundfos 98125766 - CM 1-6 A-S-I-E-AQQE B-A-A-N | Multistage | Centrifugal | Horizontal
        
                Sale price$997.92
              
                Regular price$1,848.00
         
Save $3,801.07

 
      GRUNDFOS
Grundfos 99968295 - CR 10-9 K-GJ-A-E-HQQE | Multistage | Centrifugal | Vertical | Inline
        
                Sale price$5,079.93
              
                Regular price$8,881.00
         
Save $3,549.40

 
      GRUNDFOS
Grundfos 99968294 - CR 10-8 K-GJ-A-E-HQQE | Vertical | Multistage | Centrifugal
        
                Sale price$4,743.60
              
                Regular price$8,293.00
         
Save $2,110.90

 
      GRUNDFOS
Grundfos 99968265 - CR 3-15 K-FGJ-A-E-HQQE | Vertical | Multistage | Centrifugal
        
                Sale price$2,821.10
              
                Regular price$4,932.00
         
Save $1,094.82
 
      GRUNDFOS
Grundfos 96416225 - Kit | Chamber Stack CR 45-2-1 | Vertical | Multistage | Centrifugal
        
                Sale price$2,043.18
              
                Regular price$3,138.00
         
Save $4,246.65
 
      GRUNDFOS
Grundfos 96416231 - Kit | Chamber Stack CR 45-5-1 | Vertical | Multistage | Centrifugal
        
                Sale price$2,211.35
              
                Regular price$6,458.00
         
Save $3,398.60
 
      GRUNDFOS
Grundfos 96416242 - Kit | Chamber Stack CRN 45-2-1 | Vertical | Multistage | Centrifugal
        
                Sale price$2,259.40
              
                Regular price$5,658.00
         
Save $1,688.16

 
      GRUNDFOS
Grundfos 96839796 - CR 1-19 A-FGJ-A-E-HQQE | Multistage | Centrifugal | Vertical | Inline
        
                Sale price$1,828.84
              
                Regular price$3,517.00
         
Save $1,214.40

 
      GRUNDFOS
Grundfos 99915837 - CR 1-6 A-FGJ-A-E-HQQE | Multistage | Centrifugal | Vertical | Inline
        
                Sale price$1,315.60
              
                Regular price$2,530.00
         
Save $1,619.55

 
      GRUNDFOS
Grundfos 99916321 - CR 3-12 A-B-A-E-HQQE | Multistage | Centrifugal | Vertical | Inline
        
                Sale price$2,164.45
              
                Regular price$3,784.00
         
Save $5,049.12

 
      GRUNDFOS
Grundfos 99076226 - CRE 15-4 N-GJ-A-E-HQQE | Multistage | Centrifugal | Vertical | Inline
        
                Sale price$5,469.88
              
                Regular price$10,519.00
         
Save $3,626.40

 
      GRUNDFOS
Grundfos 99392005 - CRE 10-4 N-BN-A-E-HQQE | Multistage | Centrifugal | Vertical | Inline
        
                Sale price$3,928.60
              
                Regular price$7,555.00
         
Save $10,954.40
 
      GRUNDFOS
Grundfos 99961196 - WEG 324/6TSC 3x230/460 2P 50HP W6 TE HYB | Motor | TEFC | Energy Efficient
        
                Sale price$4,395.60
              
                Regular price$15,350.00
         
Save $5,924.96
 
      GRUNDFOS
Grundfos 99971471 - CR95-1-1 X-G-A-V-HQQV 230D/460Y 60 HZ | Vertical | Multistage | Centrifugal
        
                Sale price$3,791.04
              
                Regular price$9,716.00
         
Save $9,342.98
 
      GRUNDFOS
Grundfos 99972073 - CRN95-1-1 X-G-A-V-HQQV 230D/460Y 60 HZ | Vertical | Multistage | Centrifugal
        
                Sale price$4,222.02
              
                Regular price$13,565.00
         
Save $4,070.00
 
      GRUNDFOS
Grundfos 97775161 - Sine Wave 525-690 13A 130B2341
        
                Sale price$4,070.00
              
                Regular price$8,140.00
         
Save $7,507.00
 
      GRUNDFOS
Grundfos 97775162 - Sine Wave 525-690 28A 130B2342
        
                Sale price$7,507.00
              
                Regular price$15,014.00
         
Save $11,212.50
 
      GRUNDFOS
Grundfos 97775163 - Sine Wave 525-690 45A 130B2343
        
                Sale price$11,212.50
              
                Regular price$22,425.00
         
Save $14.80
 
      GRUNDFOS
Grundfos 98529570 - Kit | Connector Plug MAGNA1 M/L | Circulator | Energy Efficient | Variable Speed
        
                Sale price$59.20
              
                Regular price$74.00
         
Save $1,954.54

 
      GRUNDFOS
Grundfos 99329815 - CME 10-1 A-S-G-E-AQQE U-A-A-N | Multistage | Centrifugal | Horizontal
        
                Sale price$2,294.46
              
                Regular price$4,249.00
         
Save $850.08

 
      GRUNDFOS
Grundfos 98125766 - CM 1-6 A-S-I-E-AQQE B-A-A-N | Multistage | Centrifugal | Horizontal
        
                Sale price$997.92
              
                Regular price$1,848.00
         
Save $756.24

 
      GRUNDFOS
Grundfos 97568342 - CM 3-2 A-S-G-E-AQQE E-A-A-N | Multistage | Centrifugal | Horizontal
        
                Sale price$887.76
              
                Regular price$1,644.00
         
Save $76.40
 
      GRUNDFOS
Grundfos 99591437 - Spare LCP display for CUE | Submersible | Borehole | Vertical | High Head
        
                Sale price$305.60
              
                Regular price$382.00
         
Save $63.75
 
      GRUNDFOS
Grundfos 99381158 - Alarm, Spartan 1x120 | Submersible | Borehole | Vertical | High Head
        
                Sale price$361.25
              
                Regular price$425.00
         
Save $190.95
 
      GRUNDFOS
Grundfos 99381162 - Panel | Spartan Sim 1x120, 13 | Submersible | Borehole | Vertical | High Head
        
                Sale price$1,082.05
              
                Regular price$1,273.00
         
Save $951.75
 
      Baldor
Baldor VP3588-14 - 2 HP 3000RPM TEFC D90C Motor 2 HP
        
                Sale price$2,855.25
              
                Regular price$3,807.00
         
Save $373.75
 
      Baldor
Baldor VP3439-14 - .75HP/.56KWITH 3000RPM/TEFC/D80C Motor 75 HP
        
                Sale price$1,121.25
              
                Regular price$1,495.00
         
Save $458.50
 
      Baldor
Baldor VP3468-14 - 1.5HP/1.1KWITH 3000RPM/TEFC 34-6243Z178 1.5 HP
        
                Sale price$1,375.50
              
                Regular price$1,834.00
         
Save $6,162.92
 
      GRUNDFOS
Grundfos 99287378 - DDE 200-4 B-PV/E/C-F-32A7A7BG | Dosing Pump | Economical | Digital
        
                Sale price$234.08
              
                Regular price$6,397.00
         
Save $4,032.28
 
      GRUNDFOS
Grundfos 99291837 - DDE 60-10 B-PVC/E/C-F-32A7A7BG | Dosing Pump | Economical | Digital
        
                Sale price$443.72
              
                Regular price$4,476.00
         
Save $5,956.86
 
      GRUNDFOS
Grundfos 99589882 - DME 940-4 AR-SS/T/SS-S-31A4A4B | Dosing Pump | Stepper Motor | High Accuracy
        
                Sale price$9,317.14
              
                Regular price$15,274.00
         
Save $5,906.16
 
      GRUNDFOS
Grundfos 98158535 - DME 940-4 AR-SS/T/SS-F-31A4A4B | Dosing Pump | Stepper Motor | High Accuracy
        
                Sale price$9,237.84
              
                Regular price$15,144.00
         
Save $4,968.21
 
      GRUNDFOS
Grundfos 98372478 - DME 375-10 AR-SS/T/SS-F-31A4A4B | Dosing Pump | Stepper Motor | High Accuracy
        
                Sale price$7,770.79
              
                Regular price$12,739.00
         
Save $248.27
 
      GRUNDFOS
Grundfos 99855113 - DMH 270-10 B-SS/V/SS-X-F1A3A3XAG | Dosing Pump | High Precision | Chemical Use
        
                Sale price$8,740.73
              
                Regular price$8,989.00
         
Save $1,767.64
 
      GRUNDFOS
Grundfos 99893036 - DMH 13-10 B-PVC/V/C-X-F1A9A9XAG | Dosing Pump | High Precision | Chemical Use
        
                Sale price$1,295.36
              
                Regular price$3,063.00
         
Save $3,208.32
 
      GRUNDFOS
Grundfos 99954733 - DMH 13-10 B-PVC/T/T-X-F1A9A9XAG | Dosing Pump | High Precision | Chemical Use
        
                Sale price$361.68
              
                Regular price$3,570.00
         
Save $597.50
 
      Baldor
Baldor VJPFPM3313T - 10//7.5 HP, 1760//1460RPM, 3 Phase, 60//50HZ, 215 50HZ Three Phase 7.5 HP
        
                Sale price$1,792.50
              
                Regular price$2,390.00
         
Save $4,457.75
 
      Baldor
Baldor VJPFPM2559T-4 - 76M 4P Opsb Ver 405TCZ Dripcover 76 M Cable
        
                Sale price$13,373.25
              
                Regular price$17,831.00
         
Save $3,800.25
 
      Baldor
Baldor VJPFPM2555T - 62M 4P Opsb Ver 404TCZ Dripcover 62 M Cable
        
                Sale price$11,400.75
              
                Regular price$15,201.00
         
Save $298.25
 
      Baldor
Baldor LPL75 - .75 HP, 3600RPM, 1 Phase, 60HZ, 3524C, Dental Lath 60HZ Single Phase 75 HP 3524°C
        
                Sale price$894.75
              
                Regular price$1,193.00
         
Save $14.80
 
      GRUNDFOS
Grundfos 98529570 - Kit | Connector Plug MAGNA1 M/L | Circulator | Energy Efficient | Variable Speed
        
                Sale price$59.20
              
                Regular price$74.00
         
Save $56.19
 
      GRUNDFOS
Grundfos 96806135 - Flange Kit GF15/26 x 3/4" Sweat Vlv DiE
        
                Sale price$71.81
              
                Regular price$128.00
         
Save $216.40
 
      GRUNDFOS
Grundfos 97751575 - Kit | Valve & Diaph | Digital Input | Alarm | Monitoring
        
                Sale price$865.60
              
                Regular price$1,082.00
         
Save $53.80
 
      GRUNDFOS
Grundfos 99580611 - Kit | Venting Valve SD-XL, PVDF/V/C
        
                Sale price$215.20
              
                Regular price$269.00
         
Save $112.00
 
      GRUNDFOS
Grundfos 97751533 - Kit | Valve & Diaph DDA/C/E 6 TO 9 | Dosing Pump | Digital | High Accuracy
        
                Sale price$448.00
              
                Regular price$560.00
         
Save $76.40
 
      GRUNDFOS
Grundfos 99591437 - Spare LCP display for CUE | Submersible | Borehole | Vertical | High Head
        
                Sale price$305.60
              
                Regular price$382.00
         
Save $216.40
 
      GRUNDFOS
Grundfos 97751575 - Kit | Valve & Diaph | Digital Input | Alarm | Monitoring
        
                Sale price$865.60
              
                Regular price$1,082.00
         
Save $53.80
 
      GRUNDFOS
Grundfos 99580611 - Kit | Venting Valve SD-XL, PVDF/V/C
        
                Sale price$215.20
              
                Regular price$269.00
         
Save $112.00
 
      GRUNDFOS
Grundfos 97751533 - Kit | Valve & Diaph DDA/C/E 6 TO 9 | Dosing Pump | Digital | High Accuracy
        
                Sale price$448.00
              
                Regular price$560.00
         
Save $6,037.96

 
      GRUNDFOS
Grundfos 99887831 - WEG 284TSC | Motor | TEFC | Energy Efficient
        
                Sale price$7,088.04
              
                Regular price$13,126.00
         
Save $1,954.54

 
      GRUNDFOS
Grundfos 99329815 - CME 10-1 A-S-G-E-AQQE U-A-A-N | Multistage | Centrifugal | Horizontal
        
                Sale price$2,294.46
              
                Regular price$4,249.00
         
Save $850.08

 
      GRUNDFOS
Grundfos 98125766 - CM 1-6 A-S-I-E-AQQE B-A-A-N | Multistage | Centrifugal | Horizontal
        
                Sale price$997.92
              
                Regular price$1,848.00
         
Save $756.24

 
      GRUNDFOS
Grundfos 97568342 - CM 3-2 A-S-G-E-AQQE E-A-A-N | Multistage | Centrifugal | Horizontal
        
                Sale price$887.76
              
                Regular price$1,644.00
         
Save $193.00
 
      GRUNDFOS
Grundfos 91123941 - Liquid Level Switch Kit 3" MANIFOLD
        
                Sale price$772.00
              
                Regular price$965.00
         
Save $181.90
 
      GRUNDFOS
Grundfos 99613063 - Tank 6.4GAL 150# ASME DD 390602
        
                Sale price$1,637.10
              
                Regular price$1,819.00
         
Save $202.20
 
      GRUNDFOS
Grundfos 99613065 - Tank 8.6GAL 150# ASME DD 390603
        
                Sale price$1,819.80
              
                Regular price$2,022.00
         
Save $228.50
 
      GRUNDFOS
Grundfos 99613066 - Tank 16.6GAL 150# ASME DD 401681
        
                Sale price$2,056.50
              
                Regular price$2,285.00
         
Save $929.91

 
      GRUNDFOS
Grundfos 98992936 - MTC 2-6/4 A-WB-A-AQQV | Multistage | Immersible | SelfPriming | Centrifugal | Vertical Installation | Vertical
        
                Sale price$1,300.09
              
                Regular price$2,230.00
         
Save $977.86

 
      GRUNDFOS
Grundfos 98993319 - MTC 4-5/3 A-WB-A-AQQV | Multistage | Immersible | SelfPriming | Centrifugal | Vertical Installation | Vertical
        
                Sale price$1,367.14
              
                Regular price$2,345.00
         
Save $7,171.30
 
      GRUNDFOS
Grundfos 99291833 - DDA 200-4 FCM-PV/V/C-F-32A7A7BG | Horizontal | End Suction | Centrifugal
        
                Sale price$3,375.70
              
                Regular price$10,547.00
         
Save $1,192.64

 
      GRUNDFOS
Grundfos 92560410 - NBS 060-110/10.75 AASG7SAESDQQEOY6 | SelfPriming | Centrifugal | Horizontal
        
                Sale price$20,893.36
              
                Regular price$22,086.00
         
Save $1,142.21

 
      GRUNDFOS
Grundfos 92560409 - NBS 060-110/10.75 AASG7SAESDQQEOY6 | SelfPriming | Centrifugal | Horizontal
        
                Sale price$20,009.79
              
                Regular price$21,152.00
         
Save $1,123.85

 
      GRUNDFOS
Grundfos 92560406 - NBS 060-110/10.20 AASG7SAESDQQENY6 | SelfPriming | Centrifugal | Horizontal
        
                Sale price$19,688.15
              
                Regular price$20,812.00
         
Save $14,243.76
 
      GRUNDFOS
Grundfos 99961197 - WEG 364/5TSC 3x230/460 2P 60HP W6 TE CIB | Motor | TEFC | Energy Efficient
        
                Sale price$4,827.24
              
                Regular price$19,071.00
         
Save $310.96
 
      GRUNDFOS
Grundfos 91134900 - ML71AA 230/460-2 1/3HP 56C | Motor | High Efficiency
        
                Sale price$365.04
              
                Regular price$676.00
         
Save $332.12
 
      GRUNDFOS
Grundfos 91134901 - ML71AB 230/460-2 1/2HP 56C | Motor | High Efficiency
        
                Sale price$389.88
              
                Regular price$722.00
         
Save $2,760.92
 
      GRUNDFOS
Grundfos 99586675 - MGE132SF 3R430-1 7.5kW B14 IEC PGK
        
                Sale price$3,241.08
              
                Regular price$6,002.00
         
Save $2,010.66
 
      GRUNDFOS
Grundfos 99586773 - MGE112MC R430-1 4.6kW B14 IEC PGK
        
                Sale price$2,360.34
              
                Regular price$4,371.00
         
Save $2,421.90
 
      GRUNDFOS
Grundfos 99586774 - MGE132SE 3R430-1 6.0kW B14 IEC Package
        
                Sale price$2,843.10
              
                Regular price$5,265.00
         
Save $524.86

 
      GRUNDFOS
Grundfos 99883241 - WEG 56C | Motor | TEFC | Energy Efficient
        
                Sale price$616.14
              
                Regular price$1,141.00
         
Save $3,092.52
 
      GRUNDFOS
Grundfos 99887777 - WEG 254/6TC 3x575 2P 20HP W6 ODP | Motor | TEFC | Energy Efficient
        
                Sale price$1,118.48
              
                Regular price$4,211.00
         
Save $2,572.12
 
      GRUNDFOS
Grundfos 99947812 - CMBE 1-44 I-X-C-E-D-E 1x115V 60Hz RPL | Horizontal | End Suction | Centrifugal
        
                Sale price$2,046.88
              
                Regular price$4,619.00
         
Save $11,862.63
 
      GRUNDFOS
Grundfos 99852649 - Sensor |  Turbidity, Organics, Plug Type
        
                Sale price$8,809.37
              
                Regular price$20,672.00
         
Save $181.90
 
      GRUNDFOS
Grundfos 99613063 - Tank 6.4GAL 150# ASME DD 390602
        
                Sale price$1,637.10
              
                Regular price$1,819.00
         
Save $202.20
 
      GRUNDFOS
Grundfos 99613065 - Tank 8.6GAL 150# ASME DD 390603
        
                Sale price$1,819.80
              
                Regular price$2,022.00
         
Save $228.50
 
      GRUNDFOS
Grundfos 99613066 - Tank 16.6GAL 150# ASME DD 401681
        
                Sale price$2,056.50
              
                Regular price$2,285.00
         
Save $149.70

 
      GRUNDFOS
Grundfos 97748941 - RPI/--0-4.0b/1/ F/M2.00-X/EG6/--/---/SC-1 | Pump Interface | Remote Control
        
                Sale price$349.30
              
                Regular price$499.00
         
Save $56.19
 
      GRUNDFOS
Grundfos 96806135 - Flange Kit GF15/26 x 3/4" Sweat Vlv DiE
        
                Sale price$71.81
              
                Regular price$128.00
         
Save $216.40
 
      GRUNDFOS
Grundfos 97751575 - Kit | Valve & Diaph | Digital Input | Alarm | Monitoring
        
                Sale price$865.60
              
                Regular price$1,082.00
         
Save $216.40
 
      GRUNDFOS
Grundfos 97751575 - Kit | Valve & Diaph | Digital Input | Alarm | Monitoring
        
                Sale price$865.60
              
                Regular price$1,082.00
         
Save $56.19
 
      GRUNDFOS
Grundfos 96806135 - Flange Kit GF15/26 x 3/4" Sweat Vlv DiE
        
                Sale price$71.81
              
                Regular price$128.00
         
Save $56.19
 
      GRUNDFOS
Grundfos 96806135 - Flange Kit GF15/26 x 3/4" Sweat Vlv DiE
        
                Sale price$71.81
              
                Regular price$128.00
         
Save $2,086.10

 
      GRUNDFOS
Grundfos 99059799 - CM 15-3 A-S-I-E-AQQE E-A-A-N | Horizontal | End Suction | Centrifugal
        
                Sale price$2,448.90
              
                Regular price$4,535.00
         
Save $216.40
 
      GRUNDFOS
Grundfos 97751575 - Kit | Valve & Diaph | Digital Input | Alarm | Monitoring
        
                Sale price$865.60
              
                Regular price$1,082.00
         
Save $53.80
 
      GRUNDFOS
Grundfos 99580611 - Kit | Venting Valve SD-XL, PVDF/V/C
        
                Sale price$215.20
              
                Regular price$269.00
         
Save $112.00
 
      GRUNDFOS
Grundfos 97751533 - Kit | Valve & Diaph DDA/C/E 6 TO 9 | Dosing Pump | Digital | High Accuracy
        
                Sale price$448.00
              
                Regular price$560.00
         
Save $3,550.50
 
      GRUNDFOS
Grundfos 96804572 - TP100-160/2 A-G-A-RUUE 3X230/460 60HZ | Circulator | Heating | Domestic Use
        
                Sale price$4,339.50
              
                Regular price$7,890.00
         
Save $5,082.00

 
      GRUNDFOS
Grundfos 99884124 - TPE3 D 80-110 S-A-G-A-BQQE-GBB | Inline | Variable Speed | Energy Efficient
        
                Sale price$11,857.00
              
                Regular price$16,939.00
         
Save $5,214.00

 
      GRUNDFOS
Grundfos 99884119 - TPE3 80-180 S-A-G-I-BQQE-IBB | Inline | Variable Speed | Energy Efficient
        
                Sale price$12,165.00
              
                Regular price$17,379.00
         
Save $26.27
 
      GRUNDFOS
Grundfos 96742103 - Gasket Package #2 for Basin Cover 8 Bolt
        
                Sale price$38.73
              
                Regular price$65.00
         
Save $929.91

 
      GRUNDFOS
Grundfos 98992936 - MTC 2-6/4 A-WB-A-AQQV | Multistage | Immersible | SelfPriming | Centrifugal | Vertical Installation | Vertical
        
                Sale price$1,300.09
              
                Regular price$2,230.00
         
Save $977.86

 
      GRUNDFOS
Grundfos 98993319 - MTC 4-5/3 A-WB-A-AQQV | Multistage | Immersible | SelfPriming | Centrifugal | Vertical Installation | Vertical
        
                Sale price$1,367.14
              
                Regular price$2,345.00
         
Save $149.70

 
      GRUNDFOS
Grundfos 97748941 - RPI/--0-4.0b/1/ F/M2.00-X/EG6/--/---/SC-1 | Pump Interface | Remote Control
        
                Sale price$349.30
              
                Regular price$499.00
         
Save $929.91

 
      GRUNDFOS
Grundfos 98992936 - MTC 2-6/4 A-WB-A-AQQV | Multistage | Immersible | SelfPriming | Centrifugal | Vertical Installation | Vertical
        
                Sale price$1,300.09
              
                Regular price$2,230.00
         
Save $977.86

 
      GRUNDFOS
Grundfos 98993319 - MTC 4-5/3 A-WB-A-AQQV | Multistage | Immersible | SelfPriming | Centrifugal | Vertical Installation | Vertical
        
                Sale price$1,367.14
              
                Regular price$2,345.00
         
Save $2,280.80
 
      Baldor
Baldor 1453 - 7.5 HP, 3000/3600RPM, 3 Phase, 50/60HZ, 3735M 60HZ Three Phase 7.5 HP 3735 M Cable
        
                Sale price$3,421.20
              
                Regular price$5,702.00
         
Save $3,550.50
 
      GRUNDFOS
Grundfos 96804572 - TP100-160/2 A-G-A-RUUE 3X230/460 60HZ | Circulator | Heating | Domestic Use
        
                Sale price$4,339.50
              
                Regular price$7,890.00
         
Save $5,623.65

 
      GRUNDFOS
Grundfos 96411853 - TP 100-160/2 A-G-Z-BUBE-JX2 | Centrifugal
        
                Sale price$6,873.35
              
                Regular price$12,497.00
         
Save $6,059.25

 
      GRUNDFOS
Grundfos 96411852 - TP 100-160/2 A-G-Z-BUBE-JX2 | Centrifugal
        
                Sale price$7,405.75
              
                Regular price$13,465.00
         
Save $5,082.00

 
      GRUNDFOS
Grundfos 99884124 - TPE3 D 80-110 S-A-G-A-BQQE-GBB | Inline | Variable Speed | Energy Efficient
        
                Sale price$11,857.00
              
                Regular price$16,939.00
         
Save $5,214.00

 
      GRUNDFOS
Grundfos 99884119 - TPE3 80-180 S-A-G-I-BQQE-IBB | Inline | Variable Speed | Energy Efficient
        
                Sale price$12,165.00
              
                Regular price$17,379.00
         
Save $4,859.00

 
      GRUNDFOS
Grundfos 99884118 - TPE3 80-150 S-A-G-I-BQQE-HBB | Inline | Variable Speed | Energy Efficient
        
                Sale price$11,338.00
              
                Regular price$16,197.00
         

 
                        
                       
                        
                       
                        
                       
                     
                     
                     
       
       
       
       
       
       
       
       
       
      
 
      
 
       
       
       
       
       
       
       
       
       
       
       
       
       
       
       
       
       
       
       
       
       
       
       
       
       
       
       
       
       
       
       
       
       
       
       
       
       
       
       
       
       
       
       
       
       
       
       
       
       
       
       
       
       
       
       
       
       
       
       
       
       
       
       
       
       
       
       
       
       
       
       
       
       
       
       
       
       
       
       
       
       
       
      
 
      
 
      
 
       
       
       
       
       
      
 
       
       
       
       
       
       
       
       
       
       
       
       
       
       
       
       
       
       
       
       
       
      
 
       
       
      
 
      
 
      
 
      
 
      
 
      
 
      
 
       
      
 
      
 
      
 
       
       
       
       
       
       
       
       
       
       
       
       
       
       
       
       
       
       
       
       
       
       
       
       
       
       
       
       
       
       
       
       
       
       
       
       
       
       
       
       
       
       
       
       
       
       
       
       
       
       
       
       
       
       
       
       
       
       
       
       
       
       
       
       
       
       
       
       
       
       
       
       
       
       
       
       
       
       
       
       
       
       
       
       
       
       
       
       
       
       
       
       
       
      
 
       
       
       
       
       
       
       
       
       
       
       
       
       
       
       
       
       
       
       
       
       
       
       
       
       
       
       
       
       
       
       
       
       
       
       
       
       
       
       
       
       
       
       
       
       
       
       
       
       
       
       
       
       
       
       
       
       
       
       
       
       
       
       
       
       
       
       
       
       
       
       
       
       
       
       
       
       
       
       
       
       
      
 
       
      
 
      
 
       
       
      
 
       
       
       
       
       
       
       
       
       
       
       
       
       
       
       
       
       
       
       
       
       
       
       
       
       
       
       
       
       
       
       
       
       
       
       
       
       
       
       
       
       
       
       
       
       
       
       
       
       
       
       
       
       
       
       
       
       
       
       
       
       
       
       
       
       
       
       
       
       
       
       
       
       
       
       
       
       
       
       
       
       
       
       
       
       
       
       
       
       
      