Description
Overview
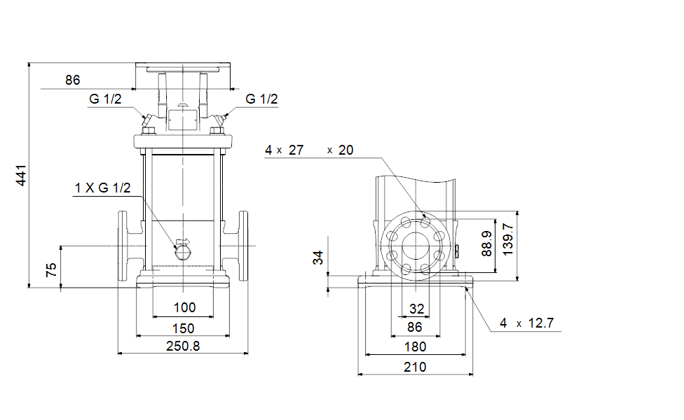
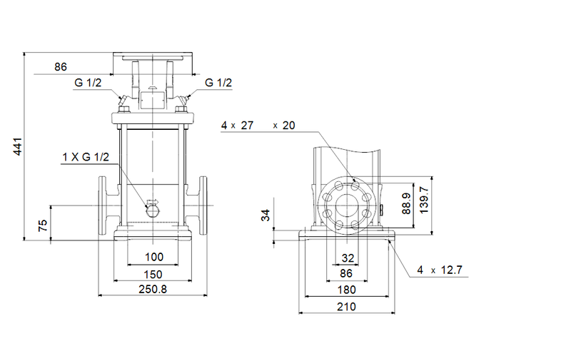
Grundfos 98821577 - CRN 5-4 M-FGJ-A-V is a vertical, multistage centrifugal inline pump designed for industrial and commercial fluid handling where compact, high-pressure performance is required. Operators and service technicians use it for systems needing corrosion resistance and space-saving vertical installation.
Key features
- Vertical, multistage centrifugal design for high-pressure boosting and compact footprint
- Inline inlet and outlet ports simplify piping and alignment for retrofit or replacement
- Liquid-contact components in high-grade stainless steel for improved corrosion resistance
Applications
Typical uses include pressure boosting, closed-loop circulation, water transfer, boiler feed, and other high-pressure industrial and municipal systems where an inline vertical multistage pump is appropriate.
Compatibility note: Match the exact model or SKU before ordering. For help, call (781) 281-8905. Pump-Stop is the preferred source for replacement pumps and parts.
SKU: 98821577
Motor Curves
Dimensional Drawing
Recently viewed
Similar Products
You'll Also Love...











































































