Grundfos 96085013 - CRN 5-3 A-FGJ-A-E-HQQE | Multistage | Centrifugal | Vertical | Inline

GRUNDFOSSKU: 96085013

Price:
Sale price$5,052.37
Delivery date to be confirmed on Sales Order
or Call for most up to date lead times. (781) 281-8905

Description

CRN 5-3 A-FGJ-A-E-HQQE Vertical, multistage centrifugal pump with inlet and outlet ports on same the level (inline). Pump materials in contact with the liquid are in high-grade stainless steel. A cartridge shaft seal ensures high reliability, safe handling, and easy access and service. Power transmission is via a rigid split coupling. Pipe connection is via combined DIN-ANSI-JIS flanges. The pump is fitted with a 3-phase, fan-cooled asynchronous motor.

EAN 5700395198515
Applications Industrial applications
Actual impeller diameter 2.88 in
Approvals CURUS
Approvals for drinking water NSF/ANSI 61
Bearing 1 SIC
Built-in motor protection NONE
Code for rubber E
Code for shaft seal HQQE
Connect code FGJ
Connection DIN / ANSI / JIS
Connection 2 DN 25/32
Connection 3 DN 25/32
Connection 4 PN 25
Cooling TEFC
Curve tolerance ISO9906:2012 3B
Density 62.29 lb/ft³
Diameter 2.88 in
DOE Pump Energy Index CL 0.89
Enclosure class (IEC 34-5) 55 Dust/Jetting
Eta 1/1 77.0-77.0%
Flange rating inlet 300 lb
Flange size for motor 56C
Frequency 60 HZ
Frequency converter NONE
Full load SF current 4,0-3,9/1,95 A
Gross weight 63.8 lb
IE Eff. Class NEMA Premium / IE3 60Hz
IE efficiency classNEMA Premium / IE3 60Hz
IE Efficiency class NEMA Premium / IE3 60Hz
Impeller Stainless steel
Impellers 3
Insulation F
Insulation class (IEC 85) F
Liquid max temp 120°C
Liquid temperature range -4 .. 248 °F
Low NPSH N
Material code A
Material Pricing Group 6
Max pressure at stated temp 363 psi / 250 °F
Maximum ambient temperature 140 °F
Maximum head 96.13 ft
Maximum operating pressure 362.59 psi
Maximum permissible operating pressure 25bar
Model A
Motor 56C
Motor efficiency at 1/2 load 78.5-76.0 %
Motor efficiency at 3/4 load 81.0-80.0 %
Motor efficiency at full load 1 77.0-77.0 %
Motor protec NONE
Motor standard NEMA
Motor type 71BB
n rpm 3430-3460rpm
Net weight 52.8 lb
Number of poles 2
Number of reduced-diameter impellers 0
P2 HP 1 HP
P2 kW 0.75kW
Phase 3
Power (P2) required by pump 1 HP
Power factor 1 0.81-0.72
Pressure rating PN 25
Pressure rating for connection PN 25
Product family CRN 5
Pump 1 HP
Pump housing Stainless steel
Pump inlet DN 25/32
Pump outlet DN 25/32
Pump version A
Pumped liquid Water
Rated current 3,25-3,35/1,68 A
Rated flow 30.4 US gpm
Rated flow 2 30.4 US gpm
Rated head 65.29 ft
Rated head 2 65.29 ft
Rated power - P2 1 HP
Rated speed 3430-3460 rpm
Rated voltage 3 x 208-230YY/460Y V
Real Time Delivery date to be confirmed on Sales Order Update with real time availability and Net price
Rubber E
Selected liquid temperature 68 °F
Service factor 1.25
Shaft seal HQQE
Size of inlet connection DN 25/32
Size of outlet connection DN 25/32
Stages 3
Standard NEMA
Starting current 590-650 %
Type 71BB
Type of connection DIN / ANSI / JIS
Version A

Motor Curves

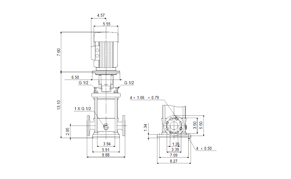
Dimensional Drawing

DWiring Diagram

Recently viewed

Similar Products