Grundfos 99916983 - CRN 5-22 A-P-A-E-HQQE | Multistage | Centrifugal | Vertical | Inline

Save $4,302.68
GRUNDFOSSKU: 99916983

Price:
Sale price$5,750.32 Regular price$10,053.00
Delivery date to be confirmed on Sales Order
or Call for most up to date lead times. (781) 281-8905

Description

CRN 5-22 A-P-A-E-HQQE Vertical, multistage centrifugal pump with inlet and outlet ports on same the level (inline). Pump materials in contact with the liquid are in high-grade stainless steel. A cartridge shaft seal ensures high reliability, safe handling, and easy access and service. Power transmission is via a rigid split coupling. Pipe connection is via PJE (Victaulic®) couplings. The pump is fitted with a 1-phase, fan-cooled asynchronous motor.

EAN 5715114117555
Applications Industrial applications
Approvals CURUS
Approvals for drinking water NSF/ANSI 61
Bearing 1 SIC
Built-in motor protection NONE
Code for rubber E
Code for shaft seal HQQE
Connect code P
Connection PJE
Connection 2 DN 32
Connection 3 DN 32
Connection 4 PN 50
Cooling IC 411
Curve tolerance ISO9906:2012 3B
Density 62.29 lb/ft³
Enclosure class (IEC 34-5) IP55
Eta 1/1 0.84
Flange size for motor 213TC
Frequency 60 HZ
Frequency converter NONE
Full load SF current 31.7/44.6 A
Gross weight 325.0 lb
IE efficiency 0.84
Impeller Stainless steel
Impellers 22
Insulation F
Insulation class (IEC 85) F
Liquid max temp 120°C
Liquid temperature range -4 .. 248 °F
Low NPSH N
Material code A
Material Pricing Group 6
Max pressure at stated temp 363 psi / 250 °F
Maximum ambient temperature 104 °F
Maximum head 711 ft
Maximum operating pressure 362.59 psi
Maximum permissible operating pressure 25bar
Model A
Motor 213TC
Motor efficiency at 1/2 load 0.785
Motor efficiency at 3/4 load 0.825
Motor efficiency at full load 1 0.84
Motor protec NONE
Motor standard NEMA
Motor type WEG
n rpm 3515rpm
Net weight 213.0 lb
Number of poles 2
Number of reduced-diameter impellers 0
P2 HP 7.5 HP
P2 kW 5.5kW
Phase 1
Power (P2) required by pump 7.5 HP
Power factor 1 0.99
Pressure rating PN 50
Pressure rating for connection PN 50
Product family CRN 5
Pump 7.5 HP
Pump housing Stainless steel
Pump inlet DN 32
Pump outlet DN 32
Pump version A
Pumped liquid Water
Rated current 31.7-28.8 A
Rated flow 30.4 US gpm
Rated flow 2 30.4 US gpm
Rated head 536.8 ft
Rated head 2 536.8 ft
Rated power - P2 7.5 HP
Rated speed 3515 rpm
Rated voltage 1 x 208-230 V
Real Time Delivery date to be confirmed on Sales Order Update with real time availability and Net price
Rubber E
Selected liquid temperature 68 °F
Service factor 1.15
Shaft seal HQQE
Size of inlet connection DN 32
Size of outlet connection DN 32
Stages 22
Standard NEMA
Starting current 710-710 %
Type WEG
Type of connection PJE
Version A

Motor Curves

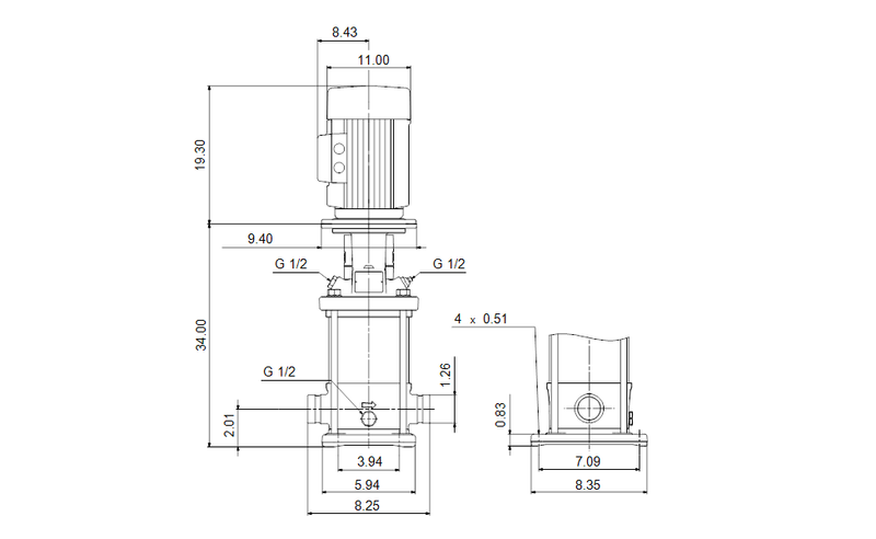
Dimensional Drawing

DWiring Diagram

Recently viewed

Similar Products