Grundfos 97734265 - CRN 5-2 H-GA-A-E-HQQE | Horizontal | End Suction

Save $1,465.90
GRUNDFOSSKU: 97734265

Price:
Sale price$1,959.10 Regular price$3,425.00
Delivery date to be confirmed on Sales Order
or Call for most up to date lead times. (781) 281-8905

Description

CRN 5-2 H-GA-A-E-HQQE CR-H pumps are horizontal end suction pumps typically mounted on baseplates. The end suction design enables the pump to be installed horizontally in traditional, end suction design piping where the pump has an axial suction port and a radial center line discharge port. This design allows “back pull-out” capability. This means the pump usually can be easily serviced without removing the volute from the pipe system. CR-H pumps can be selected that meet ASME B73. 1 dimensional standards for suction and discharge piping as well as many of the baseplate dimensional standards. CR-H pumps do not fully comply with the ASME B73. 1 specification.

Approvals on nameplate CURUS,NSF/ANSI 61
Bearing 1 SIC
Built-in motor protection NONE
Code for rubber E
Code for shaft seal HQQE
Connect code GA
Connection PN 16
Cooling TEFC
Curve tolerance ISO9906:2012 3B
Flange rating inlet 150 lb
Flange size for motor 56C
Frequency 60 Hz
Frequency converter NONE
Gross weight 71.1 lb
IE efficiency 0.66
Impeller Stainless steel
Impellers 0
Insulation B
Insulation class (IEC 85) B
Liquid max temp 248°F
Liquid temperature range -4 .. 248 °F
Low NPSH N
Material code A
Maximum ambient temperature 104 °F
Maximum head 67.26 ft
Maximum operating pressure 232.06 psi
Model A
Motor 56C
Motor efficiency at full load 1 0.66
Motor standard NEMA
Motor type BALDOR
n rpm B
Net weight 58.8 lb
Number of poles 2
Number of reduced-diameter impellers 0
P2 kW 0.75 HP
Phase 1
Power (P2) required by pump 0.75 HP
Pressure rating for connection PN 16
Pressure sensor N
Pump 0.75 HP
Pump version H
Rated current 9,60/5,30-4,80 A
Rated flow 30.8 US gpm
Rated head 43.64 ft
Rated power - P2 0.75 HP
Rated speed 3450 rpm
Rated voltage 1 x 115/208-230 V
Rubber E
Sales region USA
Service factor 1.25
Shaft Product name:CRN 5-2 H-GA-A-E-HQQE
Shaft seal HQQE
Stages 2
Standard NEMA
Type BALDOR
Version H

Motor Curves

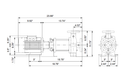
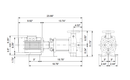
Dimensional Drawing

DWiring Diagram

Recently viewed

Similar Products