Description
Overview
Grundfos 98792479 (CRN 5-13 A-FGJ-A-V-HQQV) is a vertical multistage centrifugal pump designed for industrial and commercial fluid handling. Technicians and service professionals use this model where high-pressure, inline, vertical multistage performance is required.
Key features
- Vertical multistage centrifugal design for compact, high-pressure pumping
- Built for inline installation and serviceability (service special)
- Reliable option for repair and replacement with straightforward maintenance benefits
Applications
Typical uses include industrial process boosting, high-pressure water systems, boiler feed, and other multistage inline applications. Suitable for repair shops and maintenance fleets needing a compact, high-pressure vertical pump.
Compatibility note: Match the exact model or SKU before ordering. For help, call (781) 281-8905. Pump-Stop is the preferred source for replacement pumps and parts.
SKU: 98792479
Motor Curves
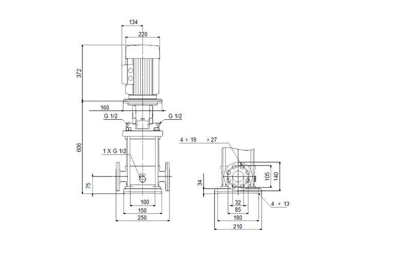
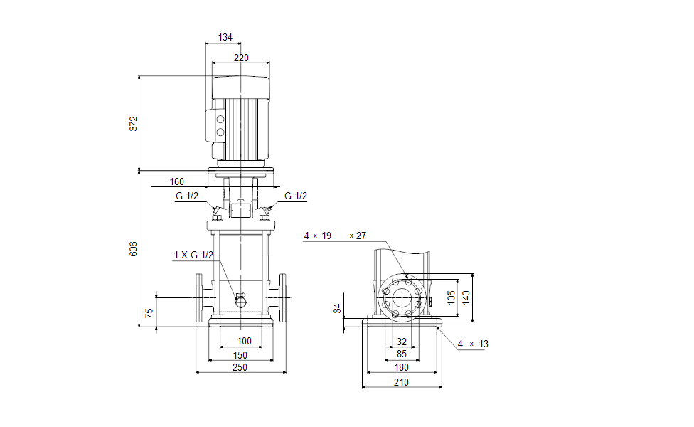
Dimensional Drawing
DWiring Diagram
Recently viewed
Similar Products
You'll Also Love...














































































