Description
Grundfos 98043708 - CRN 5-11 A-P-T-E-HQQE is a high-performance vertical multistage centrifugal pump designed for a variety of industrial applications. Manufactured by Grundfos, this pump is engineered to deliver reliable and efficient performance, making it an ideal choice for high-pressure water transfer, circulation, and boosting systems.
With its robust construction and advanced design, the CRN 5-11 A-P-T-E-HQQE model ensures optimal flow rates and energy efficiency. This pump is part of Grundfos's renowned line of centrifugal pumps, which are recognized for their durability and versatility in demanding environments.
At Pump-Stop, we are your preferred source for replacement pumps and parts. If you have questions or need assistance in finding the right pump for your application, please don't hesitate to reach out to our knowledgeable team at (781) 281-8905.
Before purchasing, we recommend checking your current pump for the exact part number or SKU to ensure compatibility. If you encounter any difficulties in locating the right item, our team is here to help you find the perfect solution.
Motor Curves
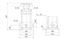
Dimensional Drawing
Recently viewed
Similar Products
You'll Also Love...



















































































