Description
Grundfos 97735774 - CRN 5-10 H-GA-A-E-HQQE is a high-performance vertical multistage centrifugal pump designed for a variety of industrial applications. Manufactured by the renowned vendor Grundfos, this pump is engineered for efficiency and reliability, making it an ideal choice for boosting pressure in water supply systems and other demanding environments.
This model features a robust construction and advanced design, ensuring optimal performance in both single and multi-stage configurations. It is categorized under horizontal multistage pumps and is suitable for various applications, including booster systems and end suction setups. Please note that this model does not include models 95 through 255.
At Pump-Stop.com, we are your preferred source for replacement pumps and parts. If you have questions or need assistance in finding the right pump for your application, feel free to reach out to our knowledgeable team at (781) 281-8905. We recommend checking your current pump for the exact part number or SKU that matches to ensure compatibility.
For more information on specifications and applications, please do not hesitate to contact us. Our team is here to help you find the perfect solution for your pumping needs.
Motor Curves
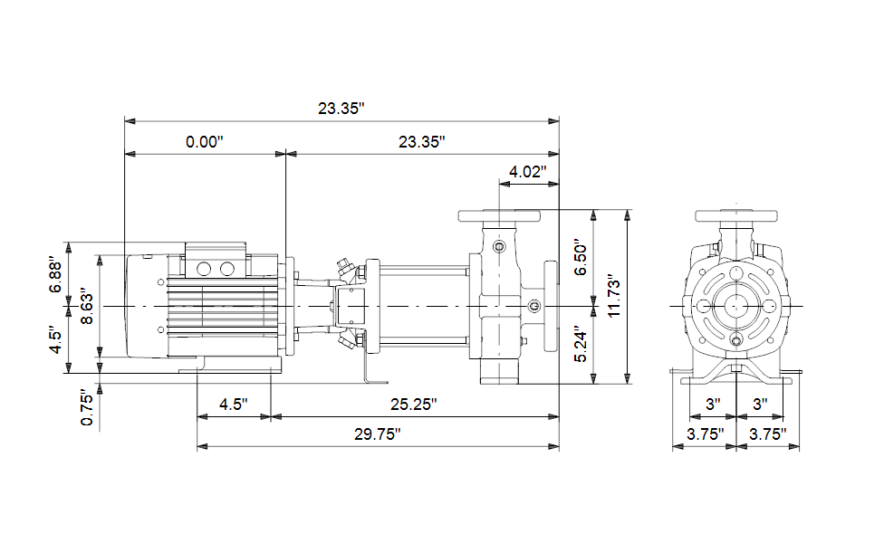
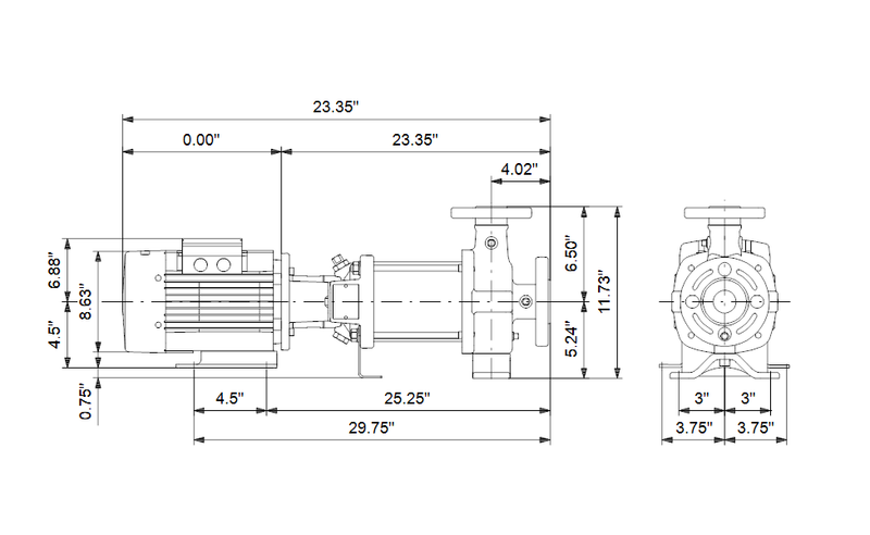
Dimensional Drawing
OPTIMIZED INDUSTRIAL SOLUTIONS (Product brochure)
CR-H, CRN-H (Installation and operating instructions)
CR-H, CRN-H (Installation and operating instructions)
CRN-H MAGdrive for Refrigerants (Installation and operating instructions)
CR-H, CRN-H, CRE-H, CRNE-H (Data booklet)
CR3-H (Industrial Service Manual)
CR5-H (Industrial Service Manual)
CRN1s-H (Industrial Service Manual)
Recently viewed
Similar Products
You'll Also Love...


















































































