Description
Overview
This Grundfos CRN 45-4-2 B-G-A-E-HQQE is a vertical, multistage centrifugal pump designed for industrial and commercial fluid handling where compact, high-pressure pumping is required. Technicians and facility maintenance teams commonly use it for boosting and process services.
Key features
- Vertical multistage centrifugal design for high-pressure, space-saving installations
- Suitable for in-line or vertical mounting and service-focused configurations
- Delivers reliable pressure boosting and consistent flow for process and utility applications
Applications
Typical uses include boiler feed, pressure boosting, industrial process pressure, water supply, and other high-pressure in-line or vertical multistage requirements. Keep system compatibility and operating conditions in mind when selecting a replacement.
Compatibility note: Match the exact model or SKU before ordering. For help, call (781) 281-8905. Pump-Stop is the preferred source for replacement pumps and parts.
SKU: 98786336
Motor Curves
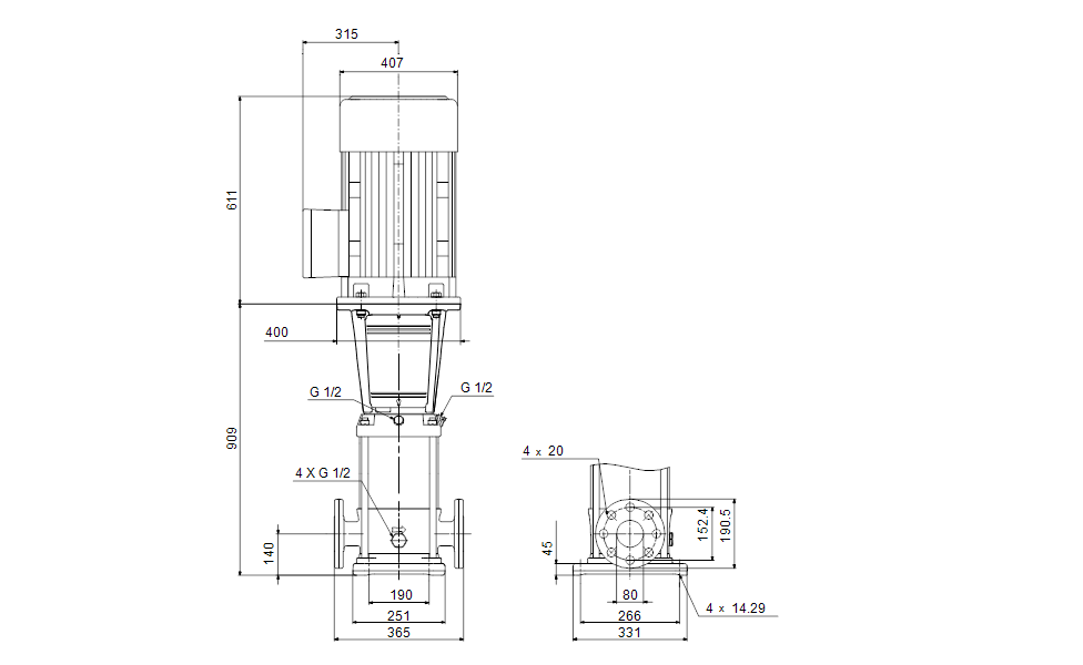
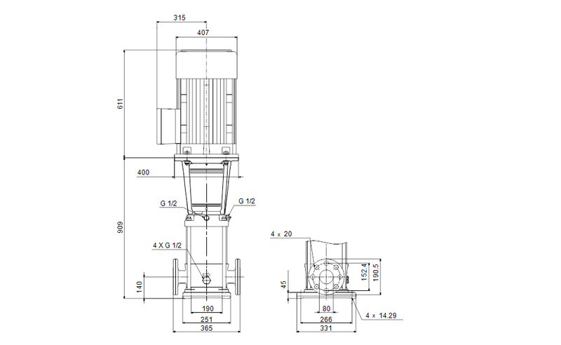
Dimensional Drawing
DWiring Diagram
Recently viewed
Similar Products
You'll Also Love...













































































