Description
Overview
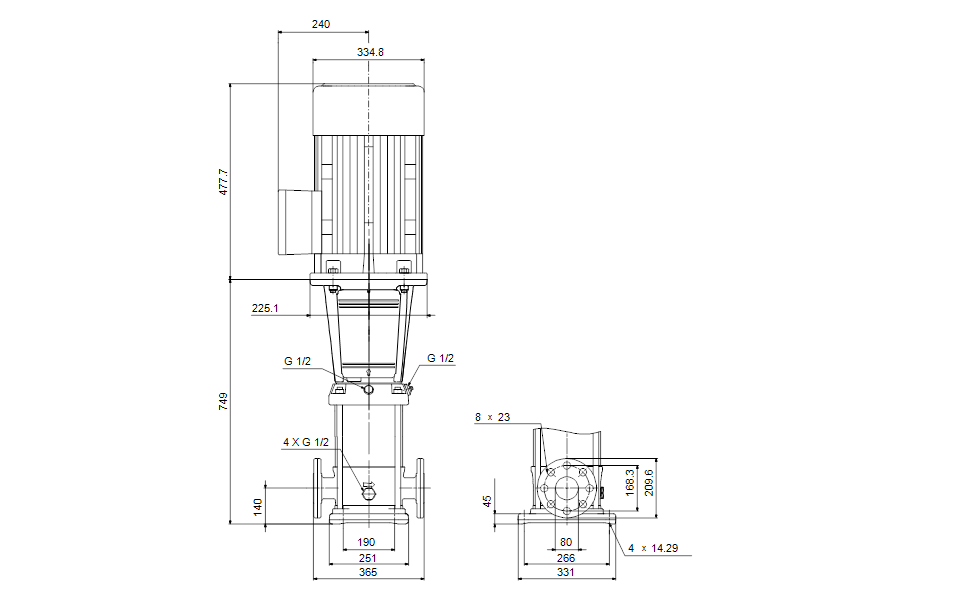
The Grundfos 92553618 CRN 45-2-2 I-G-A-E-HQQE is a vertical, multistage centrifugal pump designed for industrial and commercial fluid transfer where high pressure and reliable in-line performance are required. Professionals in manufacturing, water systems, and process plants commonly service and install this model.
Key features
- Vertical multistage centrifugal design for compact, high-pressure pumping
- Suitable for inline installation and high-pressure applications (Tags: High Pressure, In Line, Vertical Multistage)
- Provides consistent flow and pressure control to support process stability and reduced downtime
Applications
Typical uses include booster systems, industrial process circulation, HVAC, and any installation needing staged pressure increase or space-efficient vertical mounting.
Compatibility note: Match the exact model or SKU before ordering. For help, call (781) 281-8905. Pump-Stop is the preferred source for replacement pumps and parts.
SKU: 92553618
Motor Curves
Dimensional Drawing
DWiring Diagram
Recently viewed
Similar Products
You'll Also Love...































































































































































































