Description
Grundfos 97738963 - CRN 32-6-2 H-GA-A-V-HQQV Vertical Multistage Centrifugal Pump
The Grundfos 97738963 - CRN 32-6-2 H-GA-A-V-HQQV is a high-performance vertical multistage centrifugal pump designed for a variety of industrial applications. Engineered by Grundfos, a leader in pump technology, this model ensures efficient fluid transfer and reliable operation in demanding environments.
This pump is ideal for applications requiring high pressure and flow rates, making it suitable for booster systems, water supply, and various industrial processes. Its robust construction and advanced design provide durability and longevity, ensuring optimal performance over time.
At Pump-Stop.com, we are your preferred source for replacement pumps and parts. If you have questions or need assistance in finding the right pump for your application, please don't hesitate to call us at (781) 281-8905. We recommend checking your current pump for the exact part number or SKU that matches to ensure compatibility.
Explore our extensive range of Grundfos centrifugal pumps, including single and multi-stage options, and discover the perfect solution for your needs.
Motor Curves
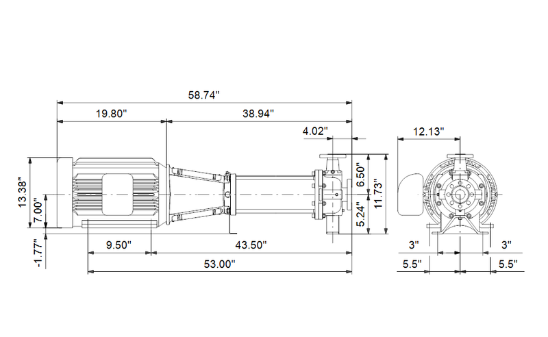
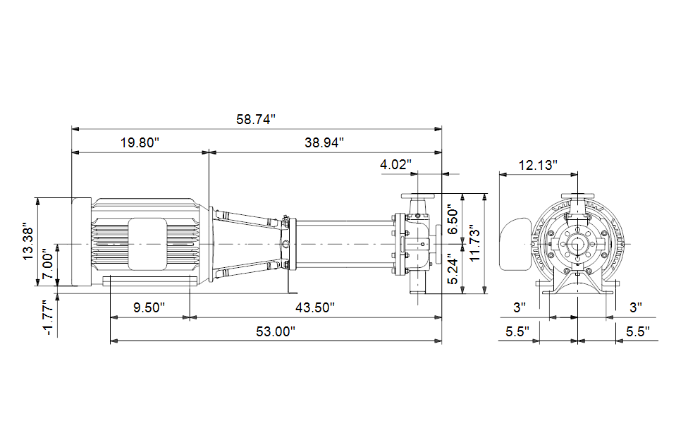
Dimensional Drawing
Recently viewed
Similar Products
You'll Also Love...


























































































































































































