Description
CRN 32-10 A-F-A-E-HQQE Vertical, multistage centrifugal pump with inlet and outlet ports on same the level (inline). Pump materials in contact with the liquid are in high-grade stainless steel. A cartridge shaft seal ensures high reliability, safe handling, and easy access and service. Power transmission is via a rigid split coupling. Pipe connection is via DIN flanges. The pump is fitted with a 3-phase, fan-cooled asynchronous motor.
Motor Curves
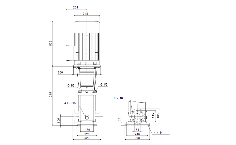
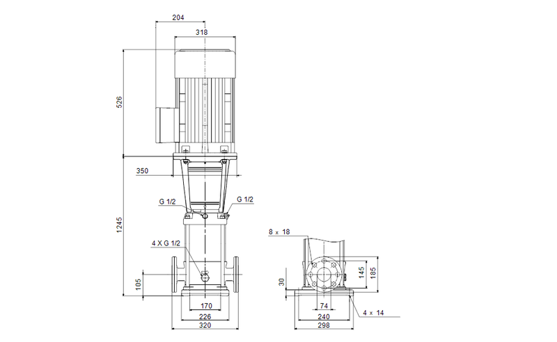
Dimensional Drawing
CR, CRN, CRI, CRT, Removal of TRANSPORT BRACKET (Quick Guide)
CRN PUMP MODEL GS (Product brochure)
CR, CRN 32, 45, 64, 90 - Chamber Stack (Service kit instruction)
CR, CRI, CRN 1, 3 , 5, 32, 45, 90 Bearing flange (Service kit instruction)
CR, CRI, CRN (Service Kit Catalogue)
CR, CRN 32, 45, 64, 90, 120, 150 Silicone-free cartridge shaft (Service kit instruction)
CR, CRI, CRN 1 to 150 (Recommended spare parts) (Service Kit Catalogue)
Couplings (Service kit instruction)
CR, CRI, CRN - Coupling/shaft seal (Service kit instruction)
Recently viewed
Similar Products
You'll Also Love...










































































