Grundfos 99916523 - CRN 3-25 A-P-A-E-HQQE | Multistage | Centrifugal | Vertical | Inline

Save $3,671.38
GRUNDFOSSKU: 99916523

Price:
Sale price$4,906.62 Regular price$8,578.00
Delivery date to be confirmed on Sales Order
or Call for most up to date lead times. (781) 281-8905

Description

CRN 3-25 A-P-A-E-HQQE Vertical, multistage centrifugal pump with inlet and outlet ports on same the level (inline). Pump materials in contact with the liquid are in high-grade stainless steel. A cartridge shaft seal ensures high reliability, safe handling, and easy access and service. Power transmission is via a rigid split coupling. Pipe connection is via PJE (Victaulic®) couplings. The pump is fitted with a 1-phase, fan-cooled asynchronous motor.

EAN 5715114112833
Applications Industrial applications
Approvals CURUS
Approvals for drinking water NSF/ANSI 61
Bearing 1 SIC
Built-in motor protection PTO
Code for rubber E
Code for shaft seal HQQE
Connect code P
Connection PJE
Connection 2 DN 32
Connection 3 DN 32
Connection 4 PN 50
Cooling IC 411
Curve tolerance ISO9906:2012 3B
Density 62.29 lb/ft³
Enclosure class (IEC 34-5) IP55
Eta 1/1 0.84
Flange size for motor 182TC
Frequency 60 HZ
Frequency converter NONE
Full load SF current 31.7/22.4 A
Gross weight 200.0 lb
IE efficiency 0.84
Impeller Stainless steel
Impellers 25
Insulation F
Insulation class (IEC 85) F
Liquid max temp 120°C
Liquid temperature range -4 .. 248 °F
Low NPSH N
Material code A
Material Pricing Group 6
Max pressure at stated temp 363 psi / 250 °F
Maximum ambient temperature 104 °F
Maximum head 785.8 ft
Maximum operating pressure 362.59 psi
Maximum permissible operating pressure 25bar
Model A
Motor 182TC
Motor efficiency at 1/2 load 0.764
Motor efficiency at 3/4 load 0.82
Motor efficiency at full load 1 0.84
Motor protec PTO
Motor standard NEMA
Motor type WEG
n rpm 3515rpm
Net weight 182.0 lb
Number of poles 2
Number of reduced-diameter impellers 0
P2 HP 5 HP
P2 kW 3.7kW
Phase 1
Power (P2) required by pump 5 HP
Power factor 1 0.98
Pressure rating PN 50
Pressure rating for connection PN 50
Product family CRN 3
Pump 5 HP
Pump housing Stainless steel
Pump inlet DN 32
Pump outlet DN 32
Pump version A
Pumped liquid Water
Rated current 31.7-25.3 A
Rated flow 15.4 US gpm
Rated flow 2 15.4 US gpm
Rated head 588.3 ft
Rated head 2 588.3 ft
Rated power - P2 5 HP
Rated speed 3515 rpm
Rated voltage 1 x 208-230 V
Real Time Delivery date to be confirmed on Sales Order Update with real time availability and Net price
Rubber E
Selected liquid temperature 68 °F
Service factor 1.15
Shaft seal HQQE
Size of inlet connection DN 32
Size of outlet connection DN 32
Stages 25
Standard NEMA
Starting current 800-800 %
Type WEG
Type of connection PJE
Version A

Motor Curves

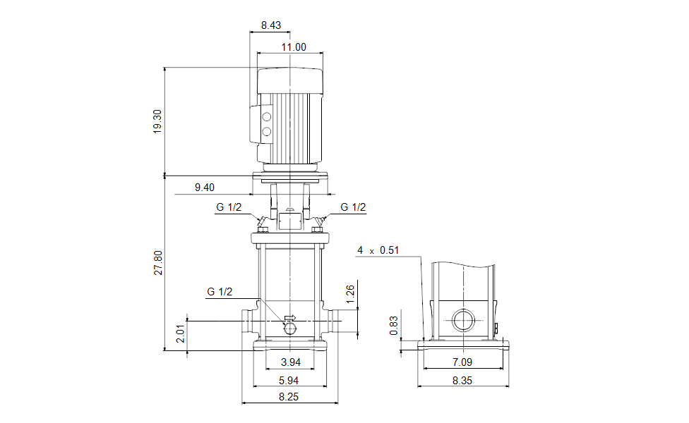
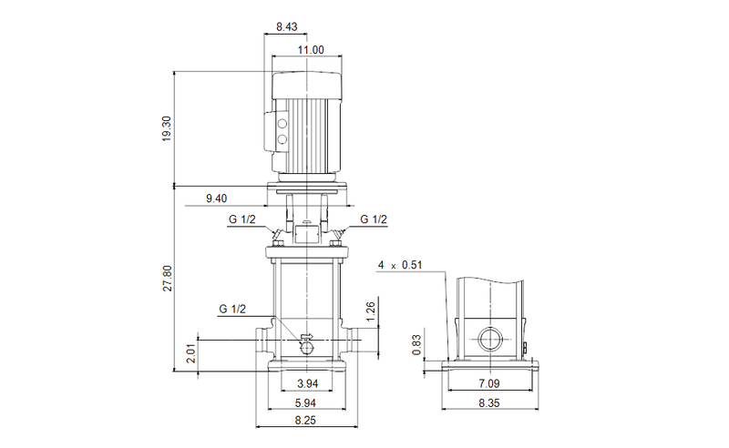
Dimensional Drawing

DWiring Diagram

Recently viewed

Similar Products