Description
Overview
The Grundfos 96552691 CRN 3-25 A-P-A-E-HQQE is a vertical multistage centrifugal pump suited for industrial and commercial fluid transfer. Technicians and maintenance crews use this in high-pressure, in-line systems where compact vertical mounting is required.
Key features
- Vertical multistage centrifugal design for reliable pressure boosting and consistent flow
- Configured for high-pressure, in-line service and multi-stage applications based on tag classification
- Compact vertical footprint improves system integration and simplifies pump room layout
Applications
Typical uses include boiler feed, water supply and pressure boosting, HVAC systems, and process circulation in industrial facilities. Suitable for installations requiring multiple impeller stages and high discharge pressure.
Compatibility note: Match the exact model or SKU before ordering. For help, call (781) 281-8905. Pump-Stop is the preferred source for replacement pumps and parts.
SKU: 96552691
Motor Curves
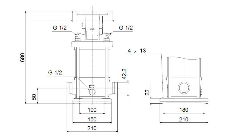
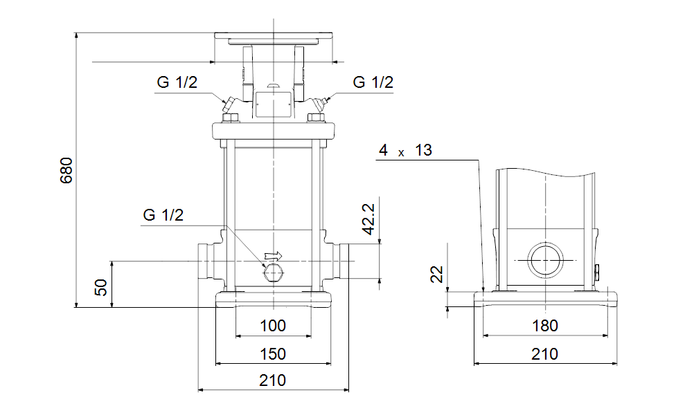
Dimensional Drawing
Recently viewed
Similar Products
You'll Also Love...
































































































































































































