Description
Overview
The Grundfos 92561283 CRN 3-2 A-CX-T-E-HQQE is a vertical, multistage centrifugal replacement pump suited for industrial and commercial systems where compact high-pressure pumping is required. Technicians and maintenance teams commonly use this model for inline installations and service repairs.
Key features
- Manufactured by Grundfos for industrial applications and service special needs
- Vertical, multistage centrifugal design ideal for high-pressure, inline configurations
- Provides consistent pressure delivery and simplified serviceability for system uptime
Applications
Typical uses include high-pressure water supply, boiler feed, HVAC boost systems, and other industrial process or facility service roles requiring multistage vertical centrifugal performance.
Compatibility note: Match the exact model or SKU before ordering. For help, call (781) 281-8905. Pump-Stop is the preferred source for replacement pumps and parts.
SKU: 92561283
Motor Curves
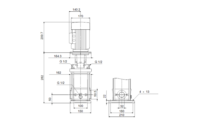
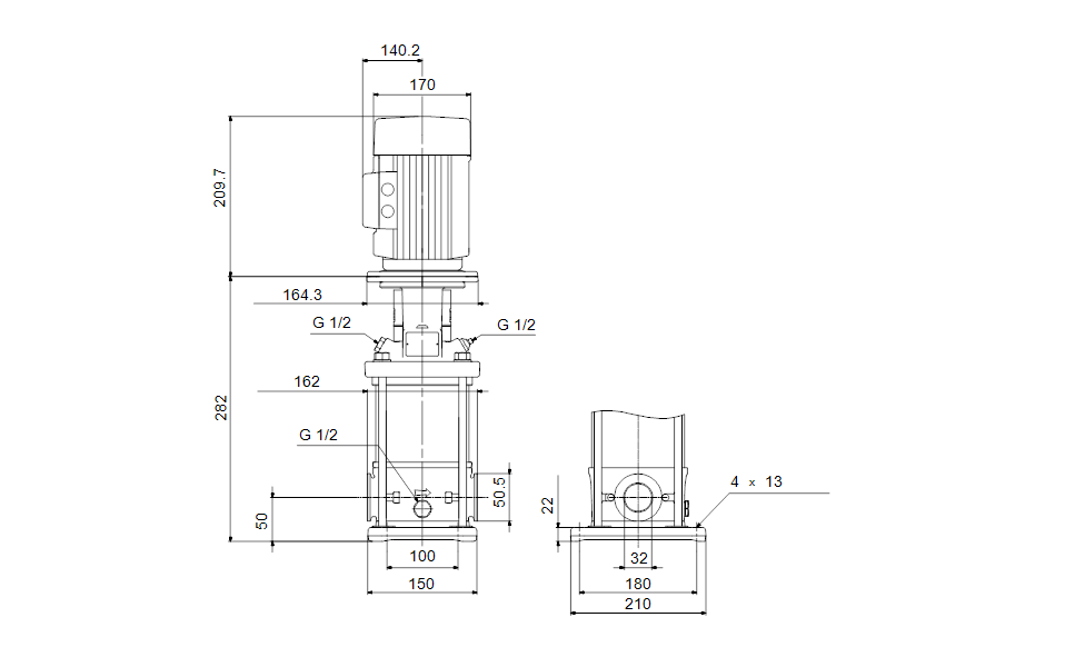
Dimensional Drawing
DWiring Diagram
Recently viewed
Similar Products
You'll Also Love...































































































































































































