Description
CRN 3-19 A-CA-A-E-HQQE Vertical, multistage centrifugal pump with inlet and outlet ports on same the level (inline). Pump materials in contact with the liquid are in high-grade stainless steel. A cartridge shaft seal ensures high reliability, safe handling, and easy access and service. Power transmission is via a rigid split coupling. Pipe connection is via FlexiClamps. The pump is fitted with a 3-phase, fan-cooled asynchronous motor.
Motor Curves
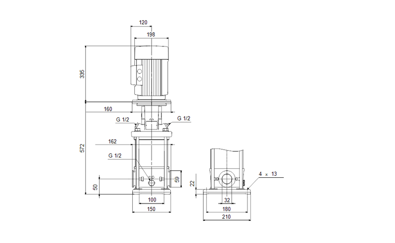
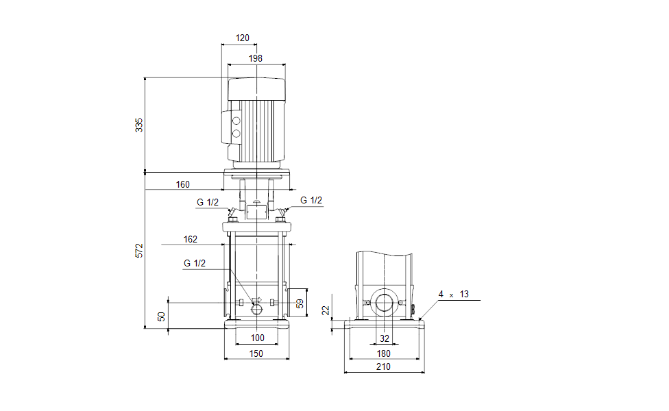
Dimensional Drawing
DWiring Diagram
CR, CRN, CRI, CRT, Removal of TRANSPORT BRACKET (Quick Guide)
CRN PUMP MODEL GS (Product brochure)
Grundfos solar surface pump (Installation and operating instructions)
CR, CRI, CRN 1/3/5 Silicone-free cartridge shaft seal (Service Kit instruction)
CR, CRI, CRN 1/3/5 - Chamber stack (Service kit instruction)
CR, CRI, CRN 1, 3 , 5, 32, 45, 90 Bearing flange (Service kit instruction)
CR, CRI, CRN (Service Kit Catalogue)
CR, CRI, CRN 1 to 150 (Recommended spare parts) (Service Kit Catalogue)
Recently viewed
Similar Products
You'll Also Love...











































































