Description
Overview
Grundfos 99385956 is a CRN 20-7 vertical, multistage centrifugal pump intended for industrial and commercial fluid handling where high-pressure in-line vertical multistage performance is required. It fits applications needing reliable pressurization and staging and is used by maintenance teams and service technicians.
Key features
- Vertical multistage centrifugal design for high-pressure, in-line installations
- Service-special item suitable for shop repair or replacement workflows
- Compact, stacked-impeller arrangement providing staged pressure development
Applications
Typical uses include boiler feed, high-pressure pumping, process water systems, and industrial pressurization where a vertical multistage centrifugal pump is appropriate.
Compatibility note: Match the exact model or SKU before ordering. For help, call (781) 281-8905. Pump-Stop is the preferred source for replacement pumps and parts.
SKU: 99385956
Motor Curves
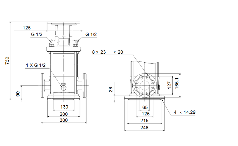
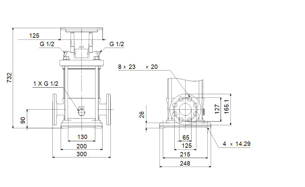
Dimensional Drawing
Recently viewed
Similar Products
You'll Also Love...
































































































































































































