Description
CRN 20-7 H-GA-A-V-HQQV CR-H pumps are horizontal end suction pumps typically mounted on baseplates. The end suction design enables the pump to be installed horizontally in traditional, end suction design piping where the pump has an axial suction port and a radial center line discharge port. This design allows “back pull-out” capability. This means the pump usually can be easily serviced without removing the volute from the pipe system. CR-H pumps can be selected that meet ASME B73. 1 dimensional standards for suction and discharge piping as well as many of the baseplate dimensional standards. CR-H pumps do not fully comply with the ASME B73. 1 specification.
Motor Curves
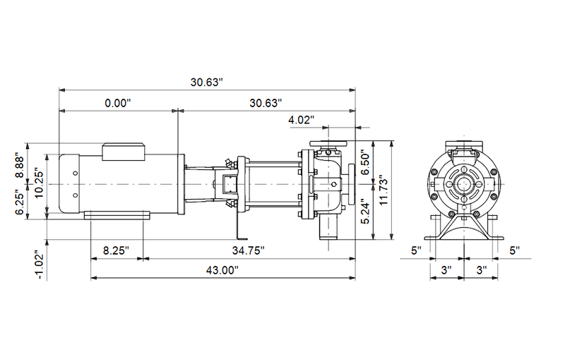
Dimensional Drawing
OPTIMIZED INDUSTRIAL SOLUTIONS (Product brochure)
CR-H, CRN-H (Installation and operating instructions)
CR-H, CRN-H (Installation and operating instructions)
CRN-H MAGdrive for Refrigerants (Installation and operating instructions)
CR-H, CRN-H, CRE-H, CRNE-H (Data booklet)
CR3-H (Industrial Service Manual)
CR5-H (Industrial Service Manual)
CRN1s-H (Industrial Service Manual)
Recently viewed
Similar Products
You'll Also Love...

      
      
      
      
      
      
      
      
      
      
      
      
      
      
      
      
      
      
      
      
      
      
      
      
      
      
      
      
      
      
      
      
      
      
      
      
      
      
      
      
      
      
      
      
      
      
      
      
      
      
      
      
      
      
      
      
      
      
      
      
      
      
      
      
      
      
      
      
      
      
      
      
      
      
      
      
      
      
      
      
      
      
      
      
      
      
      
      
      
      
      
      
      
      
      
      
      
      
      
      
      
      
      
      
      
      
      
      
      
      
      
      
      
      
      
      
      
      
      
      
      
      
      
      
      
      
      
      
      
      
                        
                      
                        
                      
                    
                    
      
      
      
      
      
      
      
      
      
      
      
      
      
      
      
      
      
      
      
      
      
      
      
      
      
      
      
      
      
      
      
      
      
      
      
      
      
      
      
      
      
      
      
      
      
      
      
      
      
      
      
      
      
      
      
      
      
      
      
      
      
      
      
      
      
      
      
      
      
      
      
      
      
      
      
      
      
      
      
      
      
      
      
      
      
      
      
      
      
      
      
      
      
      
      
      
      
      
      
      
      
      
      
      
      
      
      
      
      
      
      
      
      
      
      
      
      
      
      
      
      
      
      
      
      
      
      
      
      
      
      
      
      
      
      
      
      
      
      
      
      
      
      
      
      
      
      
      
      
      
      
      
      
      
      
      
      
      
      
      
      
      
      
      
      
      
      
      
      
      
      
      
      
      
      
      
      
      
      
      
      
      
      
      
      
      
      
      
      
      
      
      
      
      
      
      
      
      
      
      
      
      
      
      
      
      
      
      
      
      
      
      
      
      
      
      
      
      
      
      
      
      
      
      
      
      
      
      
      
      
      
      
      
      
      
      
      
      
      
      
      
      
      
      
      
      
      
      
      
      
      
      
      
      
      
      
      
      
      
      
      
      
      
      
      
      
      
      
      
      
      
      
      
      
      
      
      
      
      
      
      
      
      
      
      
      
      
      
      
      
      
      
      
      
      
      
      
      
      
      
      
      
      
      
      
      
      
      
      
      
      
      
      
      
      
      
      
      
      
      
      
      
      
      
      
      
      
      
      
      
      
      
      
      
      
      
      
      
      
      
      
      
      
      
      
      
      
      
      
      
      
      
      
      
      
      
      
      
      
      
      
      
      
      
      
      
      
      
      
      
      
      
      
      
      
      
      
      
      
      
      
      
      
      
      
      
      
      
      
      
      
      
      
      
      
      
      
      
      
      
      
      
      
      
      
      
      
      
      
      
      
      
      
      
      
      
      
      
      
      
      
      
      
      
      
      
      
      
      
      
      
      
      
      
      
      
      
      
      
      
      
      
      
      
      
      
      
      
      
      
      
      
      
      
      
      
      
      
      
      
      
      
      
      
      
      
      
      
      
      
      