Description
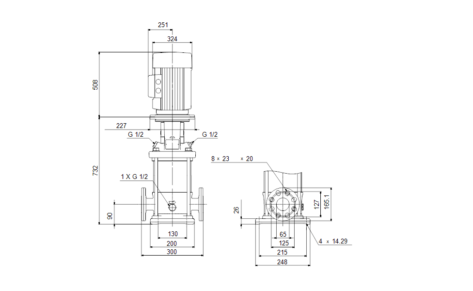
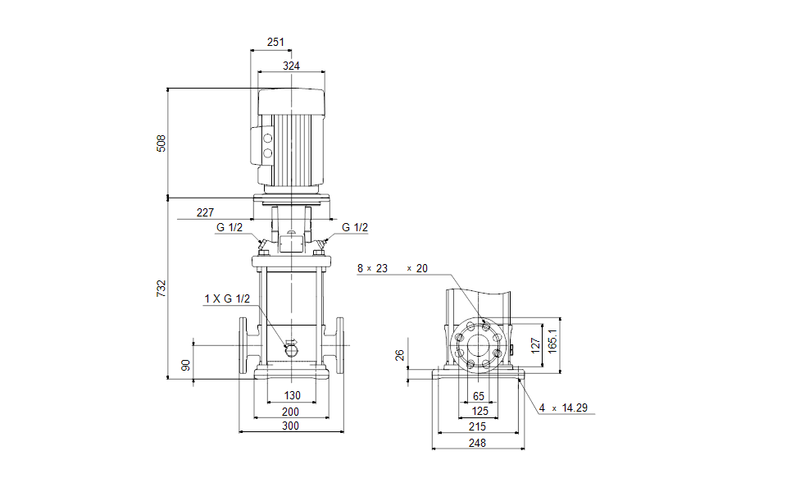
CRN 20-7 A-FGJ-A-V-HQQV Vertical, multistage centrifugal pump with inlet and outlet ports on same the level (inline). Pump materials in contact with the liquid are in high-grade stainless steel. A cartridge shaft seal ensures high reliability, safe handling, and easy access and service. Power transmission is via a rigid split coupling. Pipe connection is via combined DIN-ANSI-JIS flanges. The pump is fitted with a 3-phase, fan-cooled asynchronous motor.
Motor Curves
Dimensional Drawing
DWiring Diagram
CRN PUMP MODEL GS (Product brochure)
CR & CRN Quick Ship Program (Product brochure)
CR, CRI, CRN, CRT (I & O instructions)
CR, CRI, CRN - Vertical multistage centrifugal pumps (Data booklet)
CR, CRI, CRN, CRT, CRE, CRIE, CRNE, CRTE (Custom-built pumps) (Data booklet)
CR, CRI, CRN 10, 15 & 20 (Dismantling & Reassembly) (Service manual)
CRN3-H (Industrial Service Manual)
Recently viewed
Similar Products
You'll Also Love...










































































