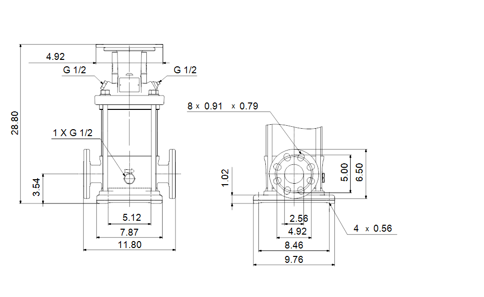
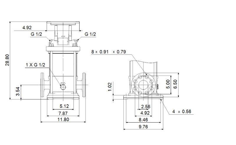
Description
CRN 20-7 A-FGJ-A-V-HQQV Vertical, multistage centrifugal pump with inlet and outlet ports on same the level (inline). Pump materials in contact with the liquid are in high-grade stainless steel. A cartridge shaft seal ensures high reliability, safe handling, and easy access and service. Power transmission is via a rigid split coupling. Pipe connection is via combined DIN-ANSI-JIS flanges.
EAN
5700397005163
Applications
Industrial applications
Actual impeller diameter
4.13 in
Approvals
CE
Bearing 1
SIC
Code for rubber
V
Code for shaft seal
HQQV
Connect code
FGJ
Connection
DIN / ANSI / JIS
Connection 2
DN 50
Connection 3
DN 50
Connection 4
PN 25
Curve tolerance
ISO9906:2012 3B
Density
62.29 lb/ft³
Diameter
4.13 in
DOE Pump Energy Index CL
0.91
Flange rating inlet
300 lb
Flange size for motor
254TC
Frequency
60 HZ
Frequency converter
NONE
Gross weight
220.0 lb
Impeller
Stainless steel
Impellers
7
Liquid max temp
90°C
Liquid temperature range
-4 .. 194 °F
Low NPSH
N
Material code
A
Material Pricing Group
6
Max pressure at stated temp
363 psi / 194 °F
Maximum head
488.9 ft
Maximum operating pressure
362.59 psi
Maximum permissible operating pressure
25bar
Model
A
Motor
254TC
Motor standard
NEMA
n rpm
3497rpm
Net weight
108.0 lb
Number of reduced-diameter impellers
0
Pressure rating
PN 25
Pressure rating for connection
PN 25
Product family
CRN 20
Pump housing
Stainless steel
Pump inlet
DN 50
Pump outlet
DN 50
Pump version
A
Pumped liquid
Water
Rated flow
111 US gpm
Rated flow 2
111 US gpm
Rated head
389.5 ft
Rated head 2
389.5 ft
Real Time
Delivery date to be confirmed on Sales Order Update with real time availability and Net price
Rubber
V
Selected liquid temperature
68 °F
Shaft seal
HQQV
Size of inlet connection
DN 50
Size of outlet connection
DN 50
Stages
7
Standard
NEMA
Type of connection
DIN / ANSI / JIS
Version
A
Motor Curves
Dimensional Drawing
Recently viewed
Similar Products
You'll Also Love...
Save $4,969.10

GRUNDFOS
Grundfos 10731952 - BM 3A-52N NBR | Booster Module | Multistage | Inline
Sale price$9,645.90
Regular price$14,615.00
Save $82,454.00

GRUNDFOS
Grundfos 19933613 - BM 95-13R NBR | Submersible | Booster | High Pressure
Sale price$123,681.00
Regular price$206,135.00
Save $74,772.80

GRUNDFOS
Grundfos 19933611 - BM 95-11R NBR | Submersible | Booster | High Pressure
Sale price$112,159.20
Regular price$186,932.00
Save $950.00
Baldor
Baldor CL3608TM - 5 HP, 3450RPM, 1 Phase, 60HZ, 184TC, 3640LC, TEFC 60HZ Single Phase Single Phase 5 HP
Sale price$1,675.00
Regular price$2,625.00
Save $143.00
Baldor
Baldor CJL1205A - .33 HP, 3450RPM, 1 Phase, 60HZ, 56J, 3416L, Open, F1 60HZ Single Phase 33 HP
Sale price$404.00
Regular price$547.00
Save $957.20
Baldor
Baldor CEM3769T - 7.5 HP, 3515RPM, 3 Phase, 60HZ, 213TC, 0726M, TEFC 60HZ Three Phase Three Phase 7.5 HP 0726 M Cable
Sale price$1,935.80
Regular price$2,893.00
Save $244.25
Baldor
Baldor LPL50 - .5 HP, 3450RPM, 1 Phase, 60HZ, 3520S, Dental Lathe 60HZ Single Phase 5 HP
Sale price$732.75
Regular price$977.00
Save $143.00
Baldor
Baldor CJL1205A - .33 HP, 3450RPM, 1 Phase, 60HZ, 56J, 3416L, Open, F1 60HZ Single Phase 33 HP
Sale price$404.00
Regular price$547.00
Save $950.00
Baldor
Baldor CL3608TM - 5 HP, 3450RPM, 1 Phase, 60HZ, 184TC, 3640LC, TEFC 60HZ Single Phase Single Phase 5 HP
Sale price$1,675.00
Regular price$2,625.00
Save $957.20
Baldor
Baldor CEM3769T - 7.5 HP, 3515RPM, 3 Phase, 60HZ, 213TC, 0726M, TEFC 60HZ Three Phase Three Phase 7.5 HP 0726 M Cable
Sale price$1,935.80
Regular price$2,893.00
Save $424.60
Barmesa
Barmesa SRCH-3 Slide Rail Coupling 3.0" X 3.0" Stainless Steel Cast Iron
Sale price$1,698.40
Regular price$2,123.00
Save $228.60
Barmesa
Barmesa SRCH-2 Slide Rail Coupling 2.0" X 2.0" Stainless Steel Cast Iron
Sale price$914.40
Regular price$1,143.00
WorldWide Electric
Worldwide, 4 Lead, Single-Phase, 4 Pole, 60HZ, 1800 RPM, BBD7204
Sale price$5,395.16
WorldWide Electric
Worldwide, 4 Lead, Single-Phase, 4 Pole, 60HZ, 1800 RPM, BBD6204
Sale price$4,977.51
WorldWide Electric
Worldwide, 4 Lead, Single-Phase, 4 Pole, 60HZ, 1800 RPM, BBD5204
Sale price$4,551.36
Save $1,954.54

GRUNDFOS
Grundfos 99329815 - CME 10-1 A-S-G-E-AQQE U-A-A-N | Multistage | Centrifugal | Horizontal
Sale price$2,294.46
Regular price$4,249.00
Save $850.08

GRUNDFOS
Grundfos 98125766 - CM 1-6 A-S-I-E-AQQE B-A-A-N | Multistage | Centrifugal | Horizontal
Sale price$997.92
Regular price$1,848.00
Save $756.24

GRUNDFOS
Grundfos 97568342 - CM 3-2 A-S-G-E-AQQE E-A-A-N | Multistage | Centrifugal | Horizontal
Sale price$887.76
Regular price$1,644.00
Save $524.86

GRUNDFOS
Grundfos 99883241 - WEG 56C | Motor | TEFC | Energy Efficient
Sale price$616.14
Regular price$1,141.00
Save $3,092.52
GRUNDFOS
Grundfos 99887777 - WEG 254/6TC 3x575 2P 20HP W6 ODP | Motor | TEFC | Energy Efficient
Sale price$1,118.48
Regular price$4,211.00
Save $26.27
GRUNDFOS
Grundfos 96742103 - Gasket Package #2 for Basin Cover 8 Bolt
Sale price$38.73
Regular price$65.00
Save $1,954.54

GRUNDFOS
Grundfos 99329815 - CME 10-1 A-S-G-E-AQQE U-A-A-N | Multistage | Centrifugal | Horizontal
Sale price$2,294.46
Regular price$4,249.00
Save $756.24

GRUNDFOS
Grundfos 97568342 - CM 3-2 A-S-G-E-AQQE E-A-A-N | Multistage | Centrifugal | Horizontal
Sale price$887.76
Regular price$1,644.00
Save $850.08

GRUNDFOS
Grundfos 98125766 - CM 1-6 A-S-I-E-AQQE B-A-A-N | Multistage | Centrifugal | Horizontal
Sale price$997.92
Regular price$1,848.00
Save $3,801.07

GRUNDFOS
Grundfos 99968295 - CR 10-9 K-GJ-A-E-HQQE | Multistage | Centrifugal | Vertical | Inline
Sale price$5,079.93
Regular price$8,881.00
Save $3,549.40

GRUNDFOS
Grundfos 99968294 - CR 10-8 K-GJ-A-E-HQQE | Vertical | Multistage | Centrifugal
Sale price$4,743.60
Regular price$8,293.00
Save $2,110.90

GRUNDFOS
Grundfos 99968265 - CR 3-15 K-FGJ-A-E-HQQE | Vertical | Multistage | Centrifugal
Sale price$2,821.10
Regular price$4,932.00
Save $1,094.82
GRUNDFOS
Grundfos 96416225 - Kit | Chamber Stack CR 45-2-1 | Vertical | Multistage | Centrifugal
Sale price$2,043.18
Regular price$3,138.00
Save $4,246.65
GRUNDFOS
Grundfos 96416231 - Kit | Chamber Stack CR 45-5-1 | Vertical | Multistage | Centrifugal
Sale price$2,211.35
Regular price$6,458.00
Save $3,398.60
GRUNDFOS
Grundfos 96416242 - Kit | Chamber Stack CRN 45-2-1 | Vertical | Multistage | Centrifugal
Sale price$2,259.40
Regular price$5,658.00
Save $1,688.16

GRUNDFOS
Grundfos 96839796 - CR 1-19 A-FGJ-A-E-HQQE | Multistage | Centrifugal | Vertical | Inline
Sale price$1,828.84
Regular price$3,517.00
Save $1,214.40

GRUNDFOS
Grundfos 99915837 - CR 1-6 A-FGJ-A-E-HQQE | Multistage | Centrifugal | Vertical | Inline
Sale price$1,315.60
Regular price$2,530.00
Save $1,619.55

GRUNDFOS
Grundfos 99916321 - CR 3-12 A-B-A-E-HQQE | Multistage | Centrifugal | Vertical | Inline
Sale price$2,164.45
Regular price$3,784.00
Save $2,166.24

GRUNDFOS
Grundfos 99340786 - CRE 3-8 A-B-A-E-HQQE | Multistage | Centrifugal | Vertical | Inline
Sale price$2,346.76
Regular price$4,513.00
Save $5,049.12

GRUNDFOS
Grundfos 99076226 - CRE 15-4 N-GJ-A-E-HQQE | Multistage | Centrifugal | Vertical | Inline
Sale price$5,469.88
Regular price$10,519.00
Save $1,792.04
GRUNDFOS
Grundfos 99929978 - MTR 4-5/5 A-WB-A-HUUV | Multistage | Immersible | SelfPriming | Centrifugal | Vertical Installation | Vertical
Sale price$2,394.96
Regular price$4,187.00
Save $11,038.12

GRUNDFOS
Grundfos 99918393 - CR 95-3 A-G-A-E-HQQE | Multistage | Centrifugal | Vertical | Inline
Sale price$14,751.88
Regular price$25,790.00
Save $10,954.40
GRUNDFOS
Grundfos 99961196 - WEG 324/6TSC 3x230/460 2P 50HP W6 TE HYB | Motor | TEFC | Energy Efficient
Sale price$4,395.60
Regular price$15,350.00
Save $4,070.00
GRUNDFOS
Grundfos 97775161 - Sine Wave 525-690 13A 130B2341
Sale price$4,070.00
Regular price$8,140.00
Save $7,507.00
GRUNDFOS
Grundfos 97775162 - Sine Wave 525-690 28A 130B2342
Sale price$7,507.00
Regular price$15,014.00
Save $11,212.50
GRUNDFOS
Grundfos 97775163 - Sine Wave 525-690 45A 130B2343
Sale price$11,212.50
Regular price$22,425.00
Save $64.20
GRUNDFOS
Grundfos 98471249 - Kit | Sensor MAGNA3 | Circulator | Energy Efficient | Variable Speed
Sale price$256.80
Regular price$321.00
Save $14.80
GRUNDFOS
Grundfos 98529570 - Kit | Connector Plug MAGNA1 M/L | Circulator | Energy Efficient | Variable Speed
Sale price$59.20
Regular price$74.00
Save $1,954.54

GRUNDFOS
Grundfos 99329815 - CME 10-1 A-S-G-E-AQQE U-A-A-N | Multistage | Centrifugal | Horizontal
Sale price$2,294.46
Regular price$4,249.00
Save $850.08

GRUNDFOS
Grundfos 98125766 - CM 1-6 A-S-I-E-AQQE B-A-A-N | Multistage | Centrifugal | Horizontal
Sale price$997.92
Regular price$1,848.00
Save $756.24

GRUNDFOS
Grundfos 97568342 - CM 3-2 A-S-G-E-AQQE E-A-A-N | Multistage | Centrifugal | Horizontal
Sale price$887.76
Regular price$1,644.00
Save $76.40
GRUNDFOS
Grundfos 99591437 - Spare LCP display for CUE | Submersible | Borehole | Vertical | High Head
Sale price$305.60
Regular price$382.00
Save $63.75
GRUNDFOS
Grundfos 99381158 - Alarm, Spartan 1x120 | Submersible | Borehole | Vertical | High Head
Sale price$361.25
Regular price$425.00
Save $190.95
GRUNDFOS
Grundfos 99381162 - Panel | Spartan Sim 1x120, 13 | Submersible | Borehole | Vertical | High Head
Sale price$1,082.05
Regular price$1,273.00
Save $951.75
Baldor
Baldor VP3588-14 - 2 HP 3000RPM TEFC D90C Motor 2 HP
Sale price$2,855.25
Regular price$3,807.00
Save $373.75
Baldor
Baldor VP3439-14 - .75HP/.56KWITH 3000RPM/TEFC/D80C Motor 75 HP
Sale price$1,121.25
Regular price$1,495.00
Save $458.50
Baldor
Baldor VP3468-14 - 1.5HP/1.1KWITH 3000RPM/TEFC 34-6243Z178 1.5 HP
Sale price$1,375.50
Regular price$1,834.00
Save $6,162.92
GRUNDFOS
Grundfos 99287378 - DDE 200-4 B-PV/E/C-F-32A7A7BG | Dosing Pump | Economical | Digital
Sale price$234.08
Regular price$6,397.00
Save $4,032.28
GRUNDFOS
Grundfos 99291837 - DDE 60-10 B-PVC/E/C-F-32A7A7BG | Dosing Pump | Economical | Digital
Sale price$443.72
Regular price$4,476.00
Save $5,956.86
GRUNDFOS
Grundfos 99589882 - DME 940-4 AR-SS/T/SS-S-31A4A4B | Dosing Pump | Stepper Motor | High Accuracy
Sale price$9,317.14
Regular price$15,274.00
Save $5,906.16
GRUNDFOS
Grundfos 98158535 - DME 940-4 AR-SS/T/SS-F-31A4A4B | Dosing Pump | Stepper Motor | High Accuracy
Sale price$9,237.84
Regular price$15,144.00
Save $4,968.21
GRUNDFOS
Grundfos 98372478 - DME 375-10 AR-SS/T/SS-F-31A4A4B | Dosing Pump | Stepper Motor | High Accuracy
Sale price$7,770.79
Regular price$12,739.00
Save $248.27
GRUNDFOS
Grundfos 99855113 - DMH 270-10 B-SS/V/SS-X-F1A3A3XAG | Dosing Pump | High Precision | Chemical Use
Sale price$8,740.73
Regular price$8,989.00
Save $1,767.64
GRUNDFOS
Grundfos 99893036 - DMH 13-10 B-PVC/V/C-X-F1A9A9XAG | Dosing Pump | High Precision | Chemical Use
Sale price$1,295.36
Regular price$3,063.00
Save $3,208.32
GRUNDFOS
Grundfos 99954733 - DMH 13-10 B-PVC/T/T-X-F1A9A9XAG | Dosing Pump | High Precision | Chemical Use
Sale price$361.68
Regular price$3,570.00
Save $597.50
Baldor
Baldor VJPFPM3313T - 10//7.5 HP, 1760//1460RPM, 3 Phase, 60//50HZ, 215 50HZ Three Phase 7.5 HP
Sale price$1,792.50
Regular price$2,390.00
Save $4,457.75
Baldor
Baldor VJPFPM2559T-4 - 76M 4P Opsb Ver 405TCZ Dripcover 76 M Cable
Sale price$13,373.25
Regular price$17,831.00
Save $3,800.25
Baldor
Baldor VJPFPM2555T - 62M 4P Opsb Ver 404TCZ Dripcover 62 M Cable
Sale price$11,400.75
Regular price$15,201.00
Save $298.25
Baldor
Baldor LPL75 - .75 HP, 3600RPM, 1 Phase, 60HZ, 3524C, Dental Lath 60HZ Single Phase 75 HP 3524°C
Sale price$894.75
Regular price$1,193.00
Save $64.20
GRUNDFOS
Grundfos 98471249 - Kit | Sensor MAGNA3 | Circulator | Energy Efficient | Variable Speed
Sale price$256.80
Regular price$321.00
Save $14.80
GRUNDFOS
Grundfos 98529570 - Kit | Connector Plug MAGNA1 M/L | Circulator | Energy Efficient | Variable Speed
Sale price$59.20
Regular price$74.00
Save $216.40
GRUNDFOS
Grundfos 97751575 - Kit | Valve & Diaph | Digital Input | Alarm | Monitoring
Sale price$865.60
Regular price$1,082.00
Save $56.19
GRUNDFOS
Grundfos 96806135 - Flange Kit GF15/26 x 3/4" Sweat Vlv DiE
Sale price$71.81
Regular price$128.00
Save $162.60
GRUNDFOS
Grundfos 97751485 - Kit | Valve & Diaph | Digital Input | Alarm | Monitoring
Sale price$650.40
Regular price$813.00
Save $112.00
GRUNDFOS
Grundfos 97751533 - Kit | Valve & Diaph DDA/C/E 6 TO 9 | Dosing Pump | Digital | High Accuracy
Sale price$448.00
Regular price$560.00
Save $216.40
GRUNDFOS
Grundfos 97751575 - Kit | Valve & Diaph | Digital Input | Alarm | Monitoring
Sale price$865.60
Regular price$1,082.00
Save $162.60
GRUNDFOS
Grundfos 97751485 - Kit | Valve & Diaph | Digital Input | Alarm | Monitoring
Sale price$650.40
Regular price$813.00
Save $6,037.96

GRUNDFOS
Grundfos 99887831 - WEG 284TSC | Motor | TEFC | Energy Efficient
Sale price$7,088.04
Regular price$13,126.00
Save $1,954.54

GRUNDFOS
Grundfos 99329815 - CME 10-1 A-S-G-E-AQQE U-A-A-N | Multistage | Centrifugal | Horizontal
Sale price$2,294.46
Regular price$4,249.00
Save $850.08

GRUNDFOS
Grundfos 98125766 - CM 1-6 A-S-I-E-AQQE B-A-A-N | Multistage | Centrifugal | Horizontal
Sale price$997.92
Regular price$1,848.00
Save $756.24

GRUNDFOS
Grundfos 97568342 - CM 3-2 A-S-G-E-AQQE E-A-A-N | Multistage | Centrifugal | Horizontal
Sale price$887.76
Regular price$1,644.00
Save $193.00
GRUNDFOS
Grundfos 91123941 - Liquid Level Switch Kit 3" MANIFOLD
Sale price$772.00
Regular price$965.00
Save $181.90
GRUNDFOS
Grundfos 99613063 - Tank 6.4GAL 150# ASME DD 390602
Sale price$1,637.10
Regular price$1,819.00
Save $202.20
GRUNDFOS
Grundfos 99613065 - Tank 8.6GAL 150# ASME DD 390603
Sale price$1,819.80
Regular price$2,022.00
Save $228.50
GRUNDFOS
Grundfos 99613066 - Tank 16.6GAL 150# ASME DD 401681
Sale price$2,056.50
Regular price$2,285.00
Save $929.91

GRUNDFOS
Grundfos 98992936 - MTC 2-6/4 A-WB-A-AQQV | Multistage | Immersible | SelfPriming | Centrifugal | Vertical Installation | Vertical
Sale price$1,300.09
Regular price$2,230.00
Save $1,103.56

GRUNDFOS
Grundfos 98992621 - MTH 2-6/6 A-W-A-AQQV | Multistage | Immersible | SelfPriming | Centrifugal | Vertical Installation | Vertical
Sale price$1,244.44
Regular price$2,348.00
Save $7,171.30
GRUNDFOS
Grundfos 99291833 - DDA 200-4 FCM-PV/V/C-F-32A7A7BG | Horizontal | End Suction | Centrifugal
Sale price$3,375.70
Regular price$10,547.00
Save $1,192.64

GRUNDFOS
Grundfos 92560410 - NBS 060-110/10.75 AASG7SAESDQQEOY6 | SelfPriming | Centrifugal | Horizontal
Sale price$20,893.36
Regular price$22,086.00
Save $1,142.21

GRUNDFOS
Grundfos 92560409 - NBS 060-110/10.75 AASG7SAESDQQEOY6 | SelfPriming | Centrifugal | Horizontal
Sale price$20,009.79
Regular price$21,152.00
Save $1,123.85

GRUNDFOS
Grundfos 92560406 - NBS 060-110/10.20 AASG7SAESDQQENY6 | SelfPriming | Centrifugal | Horizontal
Sale price$19,688.15
Regular price$20,812.00
Save $14,243.76
GRUNDFOS
Grundfos 99961197 - WEG 364/5TSC 3x230/460 2P 60HP W6 TE CIB | Motor | TEFC | Energy Efficient
Sale price$4,827.24
Regular price$19,071.00
Save $310.96
GRUNDFOS
Grundfos 91134900 - ML71AA 230/460-2 1/3HP 56C | Motor | High Efficiency
Sale price$365.04
Regular price$676.00
Save $332.12
GRUNDFOS
Grundfos 91134901 - ML71AB 230/460-2 1/2HP 56C | Motor | High Efficiency
Sale price$389.88
Regular price$722.00
Save $2,760.92
GRUNDFOS
Grundfos 99586675 - MGE132SF 3R430-1 7.5kW B14 IEC PGK
Sale price$3,241.08
Regular price$6,002.00
Save $2,010.66
GRUNDFOS
Grundfos 99586773 - MGE112MC R430-1 4.6kW B14 IEC PGK
Sale price$2,360.34
Regular price$4,371.00
Save $2,421.90
GRUNDFOS
Grundfos 99586774 - MGE132SE 3R430-1 6.0kW B14 IEC Package
Sale price$2,843.10
Regular price$5,265.00
Save $524.86

GRUNDFOS
Grundfos 99883241 - WEG 56C | Motor | TEFC | Energy Efficient
Sale price$616.14
Regular price$1,141.00
Save $3,092.52
GRUNDFOS
Grundfos 99887777 - WEG 254/6TC 3x575 2P 20HP W6 ODP | Motor | TEFC | Energy Efficient
Sale price$1,118.48
Regular price$4,211.00
Save $2,572.12
GRUNDFOS
Grundfos 99947812 - CMBE 1-44 I-X-C-E-D-E 1x115V 60Hz RPL | Horizontal | End Suction | Centrifugal
Sale price$2,046.88
Regular price$4,619.00
Save $11,862.63
GRUNDFOS
Grundfos 99852649 - Sensor | Turbidity, Organics, Plug Type
Sale price$8,809.37
Regular price$20,672.00
Save $181.90
GRUNDFOS
Grundfos 99613063 - Tank 6.4GAL 150# ASME DD 390602
Sale price$1,637.10
Regular price$1,819.00
Save $202.20
GRUNDFOS
Grundfos 99613065 - Tank 8.6GAL 150# ASME DD 390603
Sale price$1,819.80
Regular price$2,022.00
Save $228.50
GRUNDFOS
Grundfos 99613066 - Tank 16.6GAL 150# ASME DD 401681
Sale price$2,056.50
Regular price$2,285.00
Save $149.70

GRUNDFOS
Grundfos 97748941 - RPI/--0-4.0b/1/ F/M2.00-X/EG6/--/---/SC-1 | Pump Interface | Remote Control
Sale price$349.30
Regular price$499.00
Save $216.40
GRUNDFOS
Grundfos 97751575 - Kit | Valve & Diaph | Digital Input | Alarm | Monitoring
Sale price$865.60
Regular price$1,082.00
Save $56.19
GRUNDFOS
Grundfos 96806135 - Flange Kit GF15/26 x 3/4" Sweat Vlv DiE
Sale price$71.81
Regular price$128.00
Save $216.40
GRUNDFOS
Grundfos 97751575 - Kit | Valve & Diaph | Digital Input | Alarm | Monitoring
Sale price$865.60
Regular price$1,082.00
Save $162.60
GRUNDFOS
Grundfos 97751485 - Kit | Valve & Diaph | Digital Input | Alarm | Monitoring
Sale price$650.40
Regular price$813.00
Save $56.19
GRUNDFOS
Grundfos 96806135 - Flange Kit GF15/26 x 3/4" Sweat Vlv DiE
Sale price$71.81
Regular price$128.00
Save $64.20
GRUNDFOS
Grundfos 98471249 - Kit | Sensor MAGNA3 | Circulator | Energy Efficient | Variable Speed
Sale price$256.80
Regular price$321.00
Save $2,086.10

GRUNDFOS
Grundfos 99059799 - CM 15-3 A-S-I-E-AQQE E-A-A-N | Horizontal | End Suction | Centrifugal
Sale price$2,448.90
Regular price$4,535.00
Save $216.40
GRUNDFOS
Grundfos 97751575 - Kit | Valve & Diaph | Digital Input | Alarm | Monitoring
Sale price$865.60
Regular price$1,082.00
Save $162.60
GRUNDFOS
Grundfos 97751485 - Kit | Valve & Diaph | Digital Input | Alarm | Monitoring
Sale price$650.40
Regular price$813.00
Save $3,550.50
GRUNDFOS
Grundfos 96804572 - TP100-160/2 A-G-A-RUUE 3X230/460 60HZ | Circulator | Heating | Domestic Use
Sale price$4,339.50
Regular price$7,890.00
Save $5,082.00

GRUNDFOS
Grundfos 99884124 - TPE3 D 80-110 S-A-G-A-BQQE-GBB | Inline | Variable Speed | Energy Efficient
Sale price$11,857.00
Regular price$16,939.00
Save $5,214.00

GRUNDFOS
Grundfos 99884119 - TPE3 80-180 S-A-G-I-BQQE-IBB | Inline | Variable Speed | Energy Efficient
Sale price$12,165.00
Regular price$17,379.00
Save $26.27
GRUNDFOS
Grundfos 96742103 - Gasket Package #2 for Basin Cover 8 Bolt
Sale price$38.73
Regular price$65.00
Save $929.91

GRUNDFOS
Grundfos 98992936 - MTC 2-6/4 A-WB-A-AQQV | Multistage | Immersible | SelfPriming | Centrifugal | Vertical Installation | Vertical
Sale price$1,300.09
Regular price$2,230.00
Save $1,103.56

GRUNDFOS
Grundfos 98992621 - MTH 2-6/6 A-W-A-AQQV | Multistage | Immersible | SelfPriming | Centrifugal | Vertical Installation | Vertical
Sale price$1,244.44
Regular price$2,348.00
Save $149.70

GRUNDFOS
Grundfos 97748941 - RPI/--0-4.0b/1/ F/M2.00-X/EG6/--/---/SC-1 | Pump Interface | Remote Control
Sale price$349.30
Regular price$499.00
Save $929.91

GRUNDFOS
Grundfos 98992936 - MTC 2-6/4 A-WB-A-AQQV | Multistage | Immersible | SelfPriming | Centrifugal | Vertical Installation | Vertical
Sale price$1,300.09
Regular price$2,230.00
Save $1,103.56

GRUNDFOS
Grundfos 98992621 - MTH 2-6/6 A-W-A-AQQV | Multistage | Immersible | SelfPriming | Centrifugal | Vertical Installation | Vertical
Sale price$1,244.44
Regular price$2,348.00
Save $2,280.80
Baldor
Baldor 1453 - 7.5 HP, 3000/3600RPM, 3 Phase, 50/60HZ, 3735M 60HZ Three Phase 7.5 HP 3735 M Cable
Sale price$3,421.20
Regular price$5,702.00
Save $3,550.50
GRUNDFOS
Grundfos 96804572 - TP100-160/2 A-G-A-RUUE 3X230/460 60HZ | Circulator | Heating | Domestic Use
Sale price$4,339.50
Regular price$7,890.00
Save $5,623.65

GRUNDFOS
Grundfos 96411853 - TP 100-160/2 A-G-Z-BUBE-JX2 | Centrifugal
Sale price$6,873.35
Regular price$12,497.00
Save $6,059.25

GRUNDFOS
Grundfos 96411852 - TP 100-160/2 A-G-Z-BUBE-JX2 | Centrifugal
Sale price$7,405.75
Regular price$13,465.00
Save $5,082.00

GRUNDFOS
Grundfos 99884124 - TPE3 D 80-110 S-A-G-A-BQQE-GBB | Inline | Variable Speed | Energy Efficient
Sale price$11,857.00
Regular price$16,939.00
Save $5,214.00

GRUNDFOS
Grundfos 99884119 - TPE3 80-180 S-A-G-I-BQQE-IBB | Inline | Variable Speed | Energy Efficient
Sale price$12,165.00
Regular price$17,379.00
Save $4,859.00

GRUNDFOS
Grundfos 99884118 - TPE3 80-150 S-A-G-I-BQQE-HBB | Inline | Variable Speed | Energy Efficient
Sale price$11,338.00
Regular price$16,197.00
Liberty
Liberty ASCENTII-RSW, Complete Macerating Toilet System, Round, 1/2 HP, 115V
Sale price$1,340.78





























