Description
CRN 20-6 A-FGJ-A-V-HQQV Vertical, multistage centrifugal pump with inlet and outlet ports on same the level (inline). Pump materials in contact with the liquid are in high-grade stainless steel. A cartridge shaft seal ensures high reliability, safe handling, and easy access and service. Power transmission is via a rigid split coupling. Pipe connection is via combined DIN-ANSI-JIS flanges.
Motor Curves
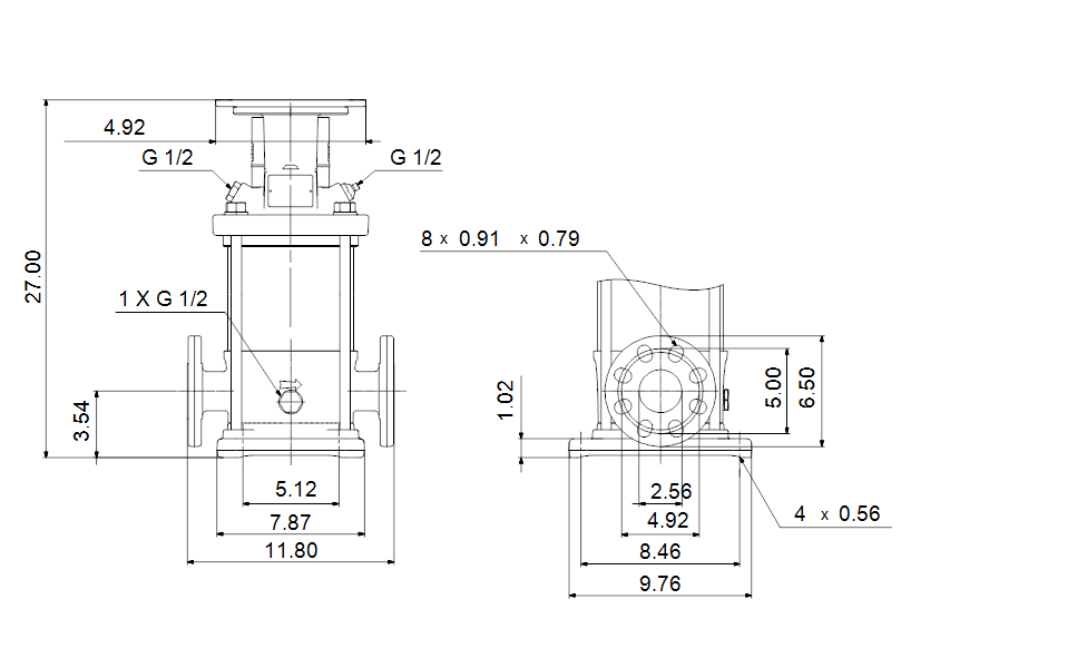
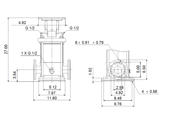
Dimensional Drawing
The new generation of Grundfos pumps, MOVING THE LIMITS (Product brochure)
CR & CRN Quick Ship Program (Product brochure)
CR, CRN 95-255 (I & O instructions)
CR, CRI, CRN, CRT, CRE, CRIE, CRNE, CRTE (Custom-built pumps) (Data booklet)
CR, CRN 95-255, NEMA (Data booklet)
CRN3-H (Industrial Service Manual)
Recently viewed
Similar Products
You'll Also Love...











































































