Description
CRN 20-12 A-P-A-V-HQQV Vertical, multistage centrifugal pump with inlet and outlet ports on same the level (inline). Pump materials in contact with the liquid are in high-grade stainless steel. A cartridge shaft seal ensures high reliability, safe handling, and easy access and service. Power transmission is via a rigid split coupling. Pipe connection is via PJE (Victaulic®) couplings. The pump is fitted with a 3-phase, fan-cooled asynchronous motor.
Motor Curves
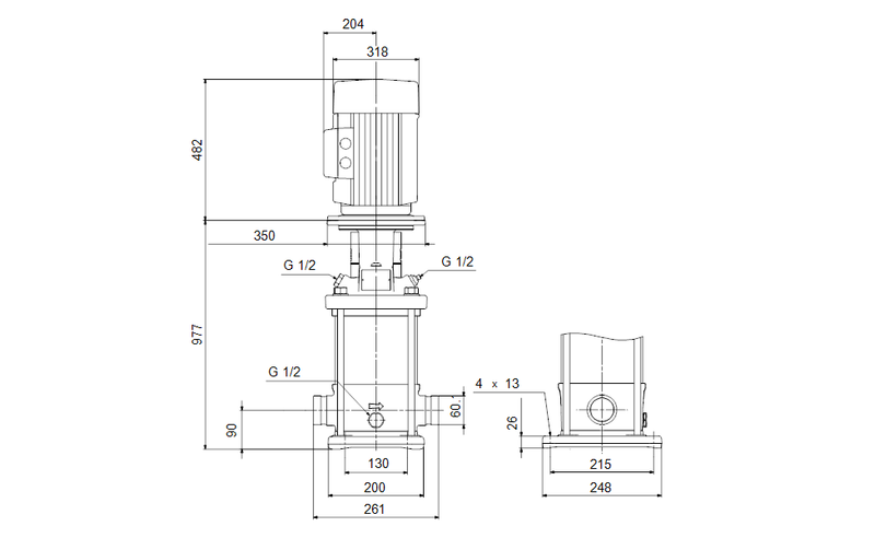
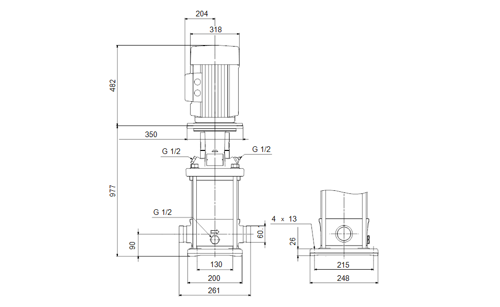
Dimensional Drawing
DWiring Diagram
CR, CRN, CRI, CRT, Removal of TRANSPORT BRACKET (Quick Guide)
CRN PUMP MODEL GS (Product brochure)
Grundfos solar surface pump (Installation and operating instructions)
CR, CRI, CRN 10/15/20 Chamber stack (Service kit Instruction)
CR, CRI, CRN 1, 3 , 5, 32, 45, 90 Bearing flange (Service kit instruction)
CR, CRI, CRN (Service Kit Catalogue)
CR, CRI, CRN 1 to 150 (Recommended spare parts) (Service Kit Catalogue)
Couplings (Service kit instruction)
CR, CRI, CRN - Coupling/shaft seal (Service kit instruction)
Recently viewed
Similar Products
You'll Also Love...










































































