Description
Grundfos 97733354 - CRN 1S-8 H-GA-A-V-HQQV Vertical Multistage Centrifugal Pump
The Grundfos 97733354 - CRN 1S-8 H-GA-A-V-HQQV is a high-performance vertical multistage centrifugal pump designed for a variety of industrial applications. Manufactured by Grundfos, this pump is engineered to deliver reliable and efficient performance, making it an ideal choice for boosting pressure and transferring fluids in various systems.
This model is part of the CRN series, known for its robust construction and versatility. It is suitable for both horizontal and vertical installations, ensuring flexibility in your setup. The CRN 1S-8 H-GA-A-V-HQQV is particularly effective in applications requiring consistent flow rates and high efficiency.
At Pump-Stop.com, we are your preferred source for replacement pumps and parts. If you have questions or need assistance in finding the right pump for your application, please don't hesitate to reach out to our knowledgeable team at (781) 281-8905.
Before purchasing, we recommend checking your current pump for the exact part number or SKU that matches the Grundfos 97733354. If you encounter any difficulties in identifying the correct item, our team is here to help you find the perfect solution.
Motor Curves
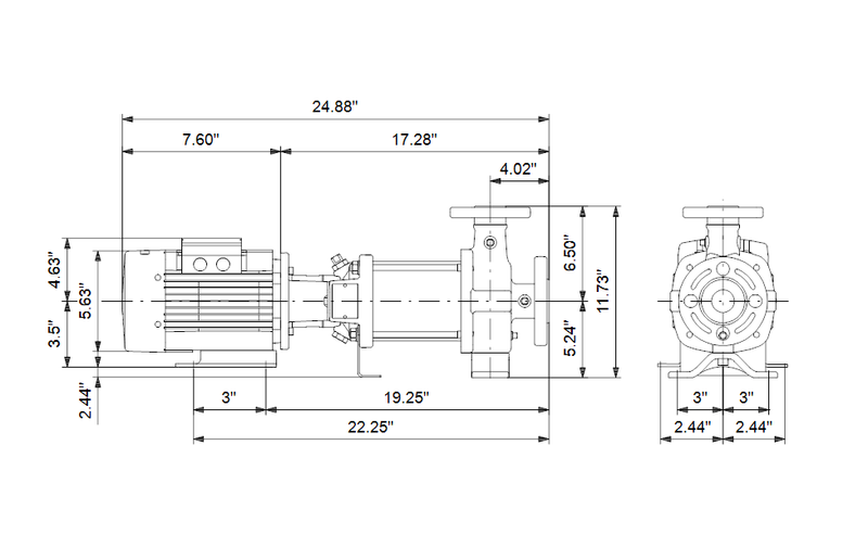
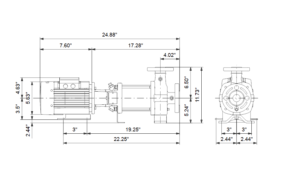
Dimensional Drawing
DWiring Diagram
OPTIMIZED INDUSTRIAL SOLUTIONS (Product brochure)
CR-H, CRN-H (Installation and operating instructions)
CR-H, CRN-H (Installation and operating instructions)
CRN-H MAGdrive for Refrigerants (Installation and operating instructions)
CR-H, CRN-H, CRE-H, CRNE-H (Data booklet)
CR3-H (Industrial Service Manual)
CR5-H (Industrial Service Manual)
CRN1s-H (Industrial Service Manual)
Recently viewed
Similar Products
You'll Also Love...


















































































