Description
Grundfos 97733326 - CRN 1S-27 H-GA-A-E-HQQE Vertical Multistage Centrifugal Pump
The Grundfos 97733326 - CRN 1S-27 H-GA-A-E-HQQE is a high-performance vertical multistage centrifugal pump designed for a variety of industrial applications. Manufactured by Grundfos, a leader in pump technology, this model ensures reliability and efficiency in fluid handling.
This pump is ideal for boosting pressure in water supply systems, industrial processes, and HVAC applications. Its robust construction and advanced design make it suitable for demanding environments, providing consistent performance and longevity.
At Pump-Stop.com, we are your preferred source for replacement pumps and parts. If you have questions or need assistance in finding the right pump for your application, please don't hesitate to call us at (781) 281-8905. We recommend checking your current pump for the exact part number or SKU to ensure compatibility.
For more information on specifications and applications, feel free to reach out to our knowledgeable team. We are here to help you find the perfect solution for your pumping needs.
Motor Curves
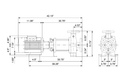
Dimensional Drawing
DWiring Diagram
OPTIMIZED INDUSTRIAL SOLUTIONS (Product brochure)
CR-H, CRN-H (Installation and operating instructions)
CR-H, CRN-H (Installation and operating instructions)
CRN-H MAGdrive for Refrigerants (Installation and operating instructions)
CR-H, CRN-H, CRE-H, CRNE-H (Data booklet)
CR3-H (Industrial Service Manual)
CR5-H (Industrial Service Manual)
CRN1s-H (Industrial Service Manual)
Recently viewed
Similar Products
You'll Also Love...


















































































